电脑桌面
添加小米粒文库到电脑桌面
安装后可以在桌面快捷访问

配电箱技术协议1

配电箱技术协议1_第1页
1/7
配电箱技术协议1_第2页
2/7
配电箱技术协议1_第3页
3/7
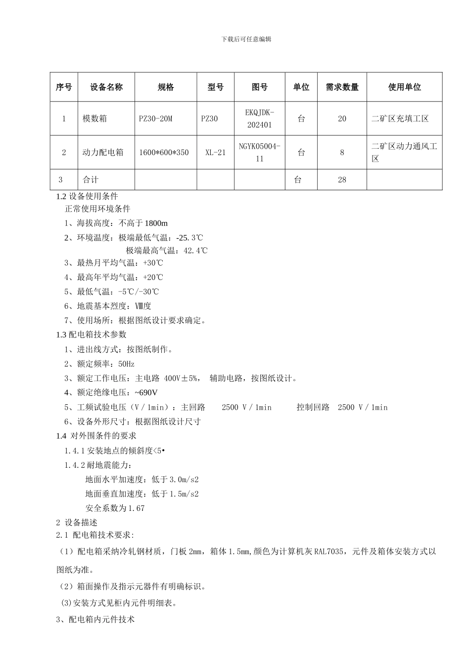
下载后可任意编辑 合同号 :****股份有限公司配电箱设备技术协议 下载后可任意编辑目 录1 技术说明2 设备描述3 配电箱内元件技术要求4 设备配置清单5 设备设计、制造标准6 供货范围7 包装运输8 检验及验收9 责任和权利10 技术服务11 技术文件12 质量保证及供货周期13 其它 ****股份有限公司二矿区(甲方)与****有限公司(乙方)经过友好协商,就乙方向甲方提供“**” 项目中的动力配电箱 8 台、模数箱 20 台的制造、指导安装、调试及现场服务等相关事宜,达成以下协议:1 技术说明1.1设备名称下载后可任意编辑序号设备名称规格型号图号单位需求数量使用单位1模数箱PZ30-20MPZ30EKQJDK-202401台20二矿区充填工区2动力配电箱1600*600*350XL-21NGYK05004-11台8二矿区动力通风工区 3合计 台28 1.2 设备使用条件正常使用环境条件1、海拔高度:不高于 1800m2、环境温度:极端最低气温:-25.3℃ 极端最高气温:42.4℃3、最热月平均气温:+30℃4、最高年平均气温:+20℃5、最低气温:-5℃/-30℃6、地震基本烈度:Ⅷ度7、使用场所:根据图纸设计要求确定。1.3 配电箱技术参数1、进出线方式:按图纸制作。2、额定频率:50Hz3、额定工作电压:主电路 400V±5%, 辅助电路,按图纸设计。4、额定绝缘电压:~690V5、工频试验电压(V/1min):主回路 2500 V/1min 控制回路 2500 V/1min6、设备外形尺寸:根据图纸设计尺寸1.4 对外围条件的要求1.4.1 安装地点的倾斜度<5•1.4.2 耐地震能力:地面水平加速度:低于 3.0m/s2地面垂直加速度:低于 1.5m/s2安全系数为 1.672 设备描述2.1 配电箱技术要求:(1)配电箱采纳冷轧钢材质,门板 2mm,箱体 1.5mm,颜色为计算机灰 RAL7035,元件及箱体安装方式以图纸为准。(2)箱面操作及指示元器件有明确标识。(3)安装方式见柜内元件明细表。 3、配电箱内元件技术下载后可任意编辑(1)信号灯,按钮按图纸上型号(详见配置清单) (2) 配电箱内元件为图纸上型号(详见配置清单)4、设备配置清单4.1 配电箱元件乙方须严格根据图纸及招标技术要求件配置,如有疑问需及时与甲方进行沟通解决。4.2 单体设备的组成:序号名称规 格 型 号单位数量生产厂家1模数箱PZ30-20M台20 漏电断路器DZ47LE-63/2 40A只1天正 断路器DZ47-63/2 16A只5天正 插座AC30只5天正序号名称规 格 型 号单位数量生产厂家2动力配电箱XL-21台8 刀开关HD11-400/3只1天正 漏电断路器DZ20LE ...

1、当您付费下载文档后,您只拥有了使用权限,并不意味着购买了版权,文档只能用于自身使用,不得用于其他商业用途(如 [转卖]进行直接盈利或[编辑后售卖]进行间接盈利)。
2、本站所有内容均由合作方或网友上传,本站不对文档的完整性、权威性及其观点立场正确性做任何保证或承诺!文档内容仅供研究参考,付费前请自行鉴别。
3、如文档内容存在违规,或者侵犯商业秘密、侵犯著作权等,请点击“违规举报”。

碎片内容

配电箱技术协议1

范哲铺+ 关注
实名认证
内容提供者

想你所想,急你所急,你需要的都在店铺里可以找到。

确认删除?
VIP
微信客服
  • 扫码咨询
会员Q群
  • 会员专属群点击这里加入QQ群
客服邮箱
回到顶部