电脑桌面
添加小米粒文库到电脑桌面
安装后可以在桌面快捷访问

龙门吊机械设备租赁合同

龙门吊机械设备租赁合同_第1页
1/3
龙门吊机械设备租赁合同_第2页
2/3
龙门吊机械设备租赁合同_第3页
3/3
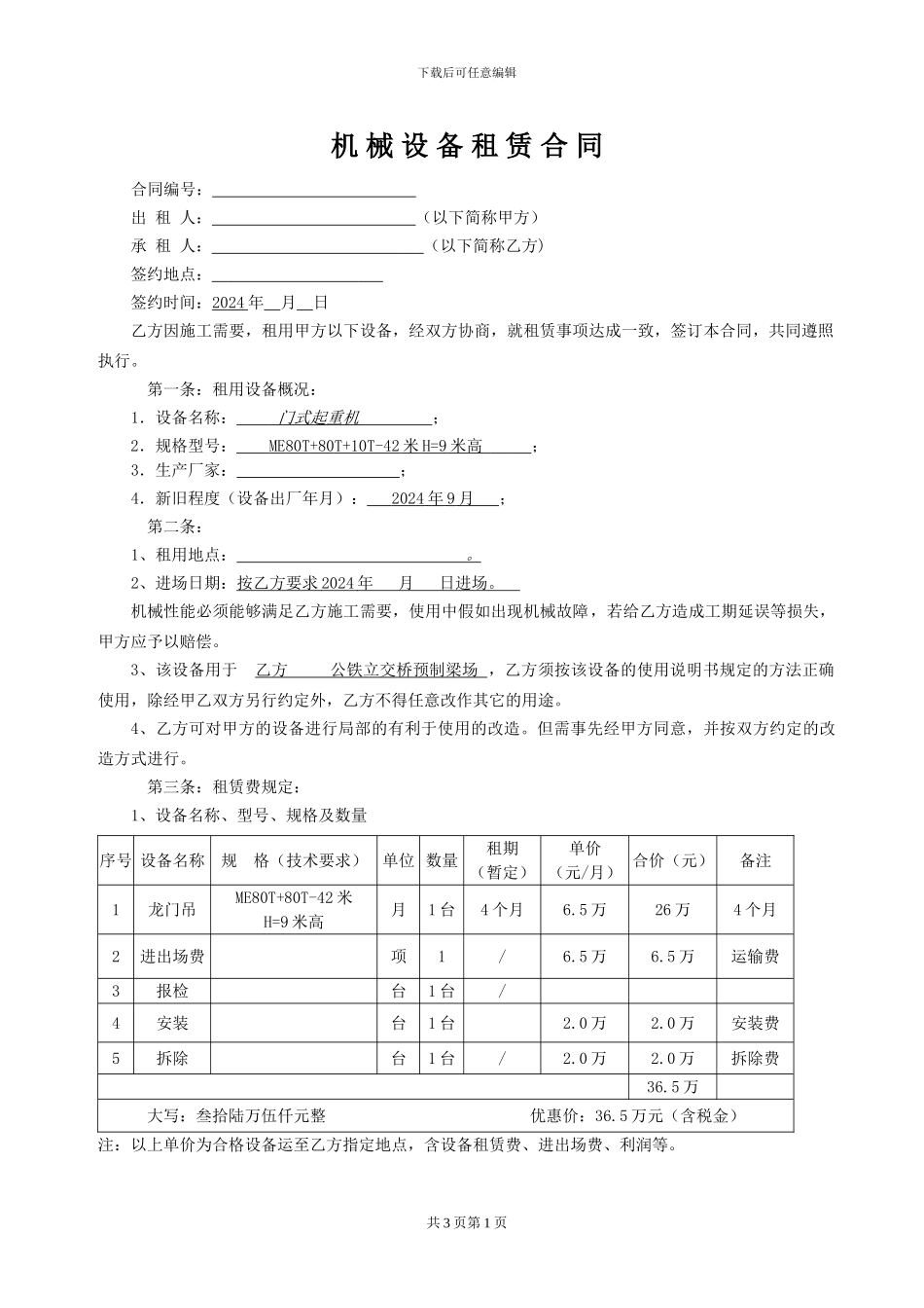
下载后可任意编辑机 械 设 备 租 赁 合 同 合同编号: 出 租 人: (以下简称甲方)承 租 人: (以下简称乙方)签约地点: 签约时间:2024 年 月 日乙方因施工需要,租用甲方以下设备,经双方协商,就租赁事项达成一致,签订本合同,共同遵照执行。第一条:租用设备概况:1.设备名称: 门式起重机 ;2.规格型号: M E 80T + 80 T +10T- 4 2 米 H= 9 米高 ;3.生产厂家: ;4.新旧程度(设备出厂年月): 2024 年 9 月 ;第二条:1、租用地点: 。2、进场日期:按乙方要求 2024 年 月 日进场。 机械性能必须能够满足乙方施工需要,使用中假如出现机械故障,若给乙方造成工期延误等损失,甲方应予以赔偿。3、该设备用于 乙方 公铁立交桥预制梁场 ,乙方须按该设备的使用说明书规定的方法正确使用,除经甲乙双方另行约定外,乙方不得任意改作其它的用途。4、乙方可对甲方的设备进行局部的有利于使用的改造。但需事先经甲方同意,并按双方约定的改造方式进行。第三条:租赁费规定:1、设备名称、型号、规格及数量序号 设备名称规 格(技术要求)单位 数量租期(暂定)单价(元/月) 合价(元)备注1龙门吊ME80T+80T-42 米H=9 米高月1 台4 个月6.5 万26 万4 个月2进出场费项1/6.5 万6.5 万运输费3报检台1 台/4安装台1 台2.0 万2.0 万安装费5拆除台1 台/2.0 万2.0 万拆除费36.5 万大写:叁拾陆万伍仟元整 优惠价:36.5 万元(含税金)注:以上单价为合格设备运至乙方指定地点,含设备租赁费、进出场费、利润等。共 3 页第 1 页下载后可任意编辑2、租赁期限:自设备全部到场拼装完成,达到使用条件起开始算租金,至乙方出据报停通知单止租赁期满。(共计 4 个月,合计:36.5 万元)2.1、具体租赁期限根据月进行计算,4 个月起租,不足 4 个月按 4 个月计算。超出 4 个月,甲方向乙方按实际天数计算(按每月 8 万元,包括龙门吊超出租赁期限和架桥机超出租赁期限费用总和折算)。第四条:双方的权利及义务:1.乙方对甲方进场的机械型号、规格、数量和技术性能等进行检查、验收,若发现与合同中的规定不符,乙方有权要求甲方退场,一切损失由甲方承担。2.在该设备租赁期间,电力及费用由乙方负责,甲方需配备主行走电缆满足乙方需要(130m)。3.设备在进场、退场运输途中以及在装卸、安装、调试过程中的一切安全事故和费用由甲方负责并承担全部风险和损失...

1、当您付费下载文档后,您只拥有了使用权限,并不意味着购买了版权,文档只能用于自身使用,不得用于其他商业用途(如 [转卖]进行直接盈利或[编辑后售卖]进行间接盈利)。
2、本站所有内容均由合作方或网友上传,本站不对文档的完整性、权威性及其观点立场正确性做任何保证或承诺!文档内容仅供研究参考,付费前请自行鉴别。
3、如文档内容存在违规,或者侵犯商业秘密、侵犯著作权等,请点击“违规举报”。

碎片内容

龙门吊机械设备租赁合同

确认删除?
VIP
微信客服
  • 扫码咨询
会员Q群
  • 会员专属群点击这里加入QQ群
客服邮箱
回到顶部