电脑桌面
添加小米粒文库到电脑桌面
安装后可以在桌面快捷访问

职业健康安全管理制度手册

职业健康安全管理制度手册_第1页
1/50
职业健康安全管理制度手册_第2页
2/50
职业健康安全管理制度手册_第3页
3/50
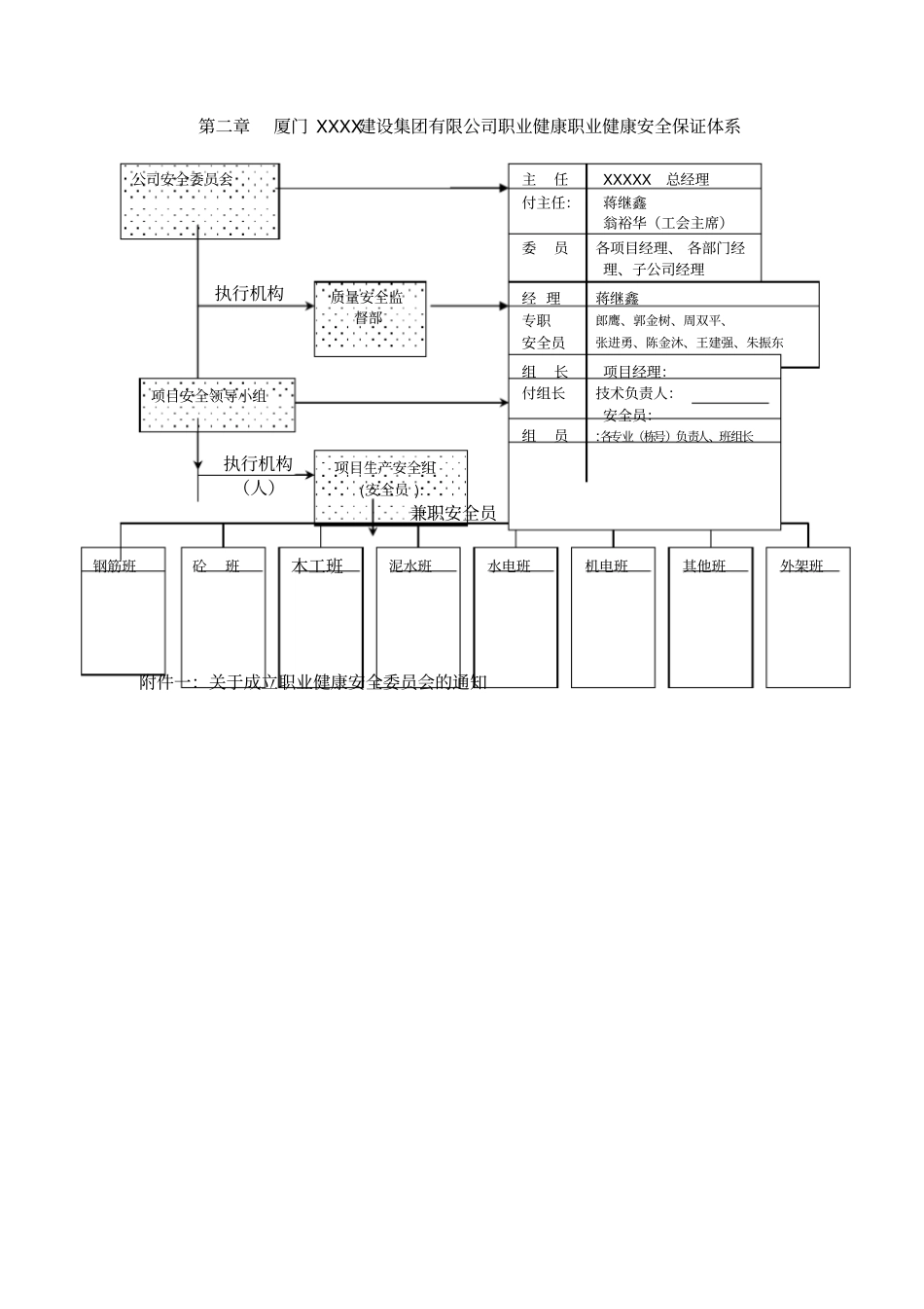
职业健康安全管理制度目录第一章⋯⋯⋯⋯⋯⋯总则第二章⋯⋯⋯⋯⋯⋯职业健康安全保证体系第三章⋯⋯⋯⋯⋯⋯职 业健康安全责任制、责任书及项目责任分解第四章⋯⋯⋯⋯⋯⋯职业健康安全教育制度第五章⋯⋯⋯⋯⋯⋯职业健康安全生产技术措施制度第六章⋯⋯⋯⋯⋯⋯职业健康安全检查制度第七章⋯⋯⋯⋯⋯⋯工伤事故报告制度第八章⋯⋯⋯⋯⋯⋯公司对项目奖励与处罚制度第九章⋯⋯⋯⋯⋯⋯施工现场职业健康安全奖罚暂行规定第十章⋯⋯⋯⋯⋯⋯消防管理制度第十一章⋯⋯⋯⋯⋯工地临时住宿管理制度第十二章⋯⋯⋯⋯⋯关于防止环境污染的措施第十三章⋯⋯⋯⋯⋯人工挖孔桩工程职业健康安全管理办法第十四章⋯⋯⋯⋯⋯施工用电职业健康安全管理办法第十五章⋯⋯⋯⋯⋯职业健康安全技术交底管理办法第十六章⋯⋯⋯⋯⋯施工现场文明建设试行标准第十七章⋯⋯⋯⋯⋯职业健康安全经济责任合同签订管理办法第十八章⋯⋯⋯⋯⋯职业健康安全防护用品采购及发放标准第十九章⋯⋯⋯⋯⋯灾害应急防范处置办法第二十章⋯⋯⋯⋯⋯分工种职业健康安全技术操作规程第二十一章⋯⋯⋯⋯治安保卫管理办法第二十二章⋯⋯⋯⋯食堂承包管理办法第二十三章⋯⋯⋯⋯危险源识别、评价标准(单行本)第二十四章⋯⋯⋯⋯企业形象— 视觉识别规范 — 施工现场分册( 单行本)第二十五章⋯⋯⋯⋯文件和记录台帐目录清单第二十六章⋯⋯⋯⋯有效标准类文件目录清单第一章总则第一条:为了贯彻执行国家职业健康安全生产方针、政策和法规,保障职工在生产过程中的职业健康职业健康安全,提高经济效益, 促进特区建设, 依据国家、省、市有关职业健康安全管理的法规、办法及规定, 结合公司的实际情况,特制订本制度。第二条:本制度以“职业健康安全第一” 、“预防为主”为指导思想以“管生产必须管职业健康安全” 为原则,积极主动的引导我司的各项职业健康安全防护工作的展开。第三条:本制度适用于司属各部门及项目经理部。第四条:本制度所涉及到的文件和记录编号规定为:文件以A-W-XX(顺序号)为编号,记录(包括台帐记录)为: R/CX4.9-2- XX(顺序号)为编号,其他记录表格 (如检查评分表、 职业健康安全交底记录表等)按颁发部门制订的编号为准。第五条:本制度由厦门XXXX建设集团有限公司负责解释及监督执行。第二章厦门 XXXX建设集团有限公司职业健康职业健康安全保证体系执行机构执行机构(人)兼职安全员附件一:关于成立职业健康安全委员会的通知公司安...

1、当您付费下载文档后,您只拥有了使用权限,并不意味着购买了版权,文档只能用于自身使用,不得用于其他商业用途(如 [转卖]进行直接盈利或[编辑后售卖]进行间接盈利)。
2、本站所有内容均由合作方或网友上传,本站不对文档的完整性、权威性及其观点立场正确性做任何保证或承诺!文档内容仅供研究参考,付费前请自行鉴别。
3、如文档内容存在违规,或者侵犯商业秘密、侵犯著作权等,请点击“违规举报”。

碎片内容

职业健康安全管理制度手册

您可能关注的文档

确认删除?
VIP
微信客服
  • 扫码咨询
会员Q群
  • 会员专属群点击这里加入QQ群
客服邮箱
回到顶部