电脑桌面
添加小米粒文库到电脑桌面
安装后可以在桌面快捷访问

脚手架检查表

脚手架检查表_第1页
1/8
脚手架检查表_第2页
2/8
脚手架检查表_第3页
3/8
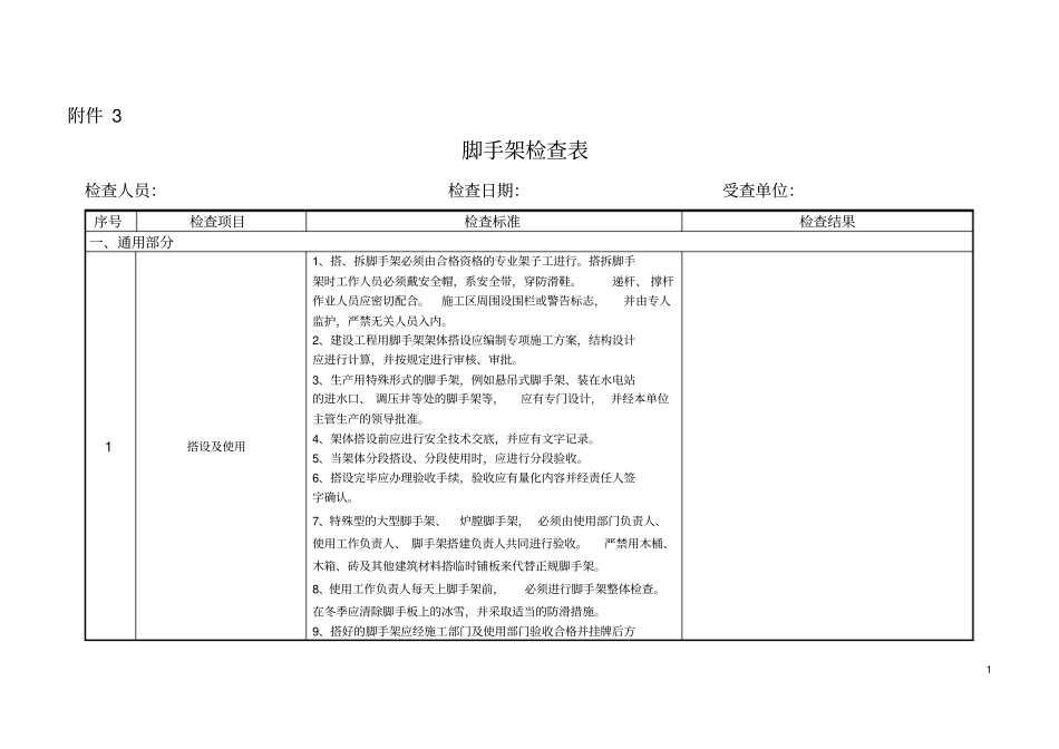
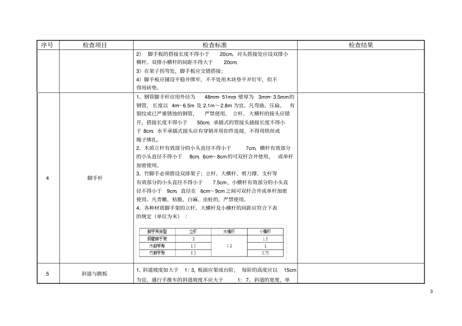
1 附件 3 脚手架检查表检查人员:检查日期:受查单位:序号检查项目检查标准检查结果一、通用部分1 搭设及使用1、搭、拆脚手架必须由合格资格的专业架子工进行。搭拆脚手架时工作人员必须戴安全帽,系安全带,穿防滑鞋。递杆、 撑杆作业人员应密切配合。施工区周围设围栏或警告标志,并由专人监护,严禁无关人员入内。2、建设工程用脚手架架体搭设应编制专项施工方案,结构设计应进行计算,并按规定进行审核、审批。3、生产用特殊形式的脚手架,例如悬吊式脚手架、装在水电站的进水口、 调压井等处的脚手架等,应有专门设计, 并经本单位主管生产的领导批准。4、架体搭设前应进行安全技术交底,并应有文字记录。5、当架体分段搭设、分段使用时,应进行分段验收。6、搭设完毕应办理验收手续,验收应有量化内容并经责任人签字确认。7、特殊型的大型脚手架、炉膛脚手架, 必须由使用部门负责人、使用工作负责人、 脚手架搭建负责人共同进行验收。严禁用木桶、木箱、砖及其他建筑材料搭临时铺板来代替正规脚手架。8、使用工作负责人每天上脚手架前,必须进行脚手架整体检查。在冬季应清除脚手板上的冰雪,并采取适当的防滑措施。9、搭好的脚手架应经施工部门及使用部门验收合格并挂牌后方2 序号检查项目检查标准检查结果可交付使用。使用中应定期检查和维护。2 脚手架1、脚手架的荷载不得超过270kg/m2,荷载超过270kg/m2 的脚手架或形式特殊的脚手架应进行设计,并经技术负责人批准后方可搭设。2、脚手架不得钢、木混搭。3、脚手架应同建筑物连接牢固,立杆或支杆的底端应埋人地下,深度应视土壤性质决定;在埋入杆子的时候,应先将土夯实; 如果是竹杆, 必须在基坑内垫以砖石,以防下沉; 遇松土或者无法挖坑的时候, 必须绑设地杆。 金属管脚手架的立杆,必须垂直地面稳放在垫板上,在安置垫板前应将地面夯实、整平, 立杆应套上柱座,柱座系由支柱底板及焊接在底板上的管子制成。4、脚手架应装有牢固的梯子,以便工作人员上下和运送材料。上下脚手架应走斜道或梯子,不应沿绳、 脚手立杆、 栏杆或借构筑物攀爬。3脚手板1、钢脚手板应用厚2mm~ 3mm的 A3钢板,规格以长度为1.5m~3.6m、宽度为23cm~25cm、肋高为5cm 的为宜。板的两端应有连接装置,板面应有防滑孔。凡有裂纹、扭曲的不得使用。2、木脚手板应用厚度不小于5cm的杉木或松木板,宽度不宜小于 20cm,长度以不超过6m为宜。凡腐朽、扭曲、破裂的,或有大横透节及多...

1、当您付费下载文档后,您只拥有了使用权限,并不意味着购买了版权,文档只能用于自身使用,不得用于其他商业用途(如 [转卖]进行直接盈利或[编辑后售卖]进行间接盈利)。
2、本站所有内容均由合作方或网友上传,本站不对文档的完整性、权威性及其观点立场正确性做任何保证或承诺!文档内容仅供研究参考,付费前请自行鉴别。
3、如文档内容存在违规,或者侵犯商业秘密、侵犯著作权等,请点击“违规举报”。

碎片内容

脚手架检查表

您可能关注的文档

确认删除?
VIP
微信客服
  • 扫码咨询
会员Q群
  • 会员专属群点击这里加入QQ群
客服邮箱
回到顶部