电脑桌面
添加小米粒文库到电脑桌面
安装后可以在桌面快捷访问

建筑制图标准

建筑制图标准_第1页
1/10
建筑制图标准_第2页
2/10
建筑制图标准_第3页
3/10
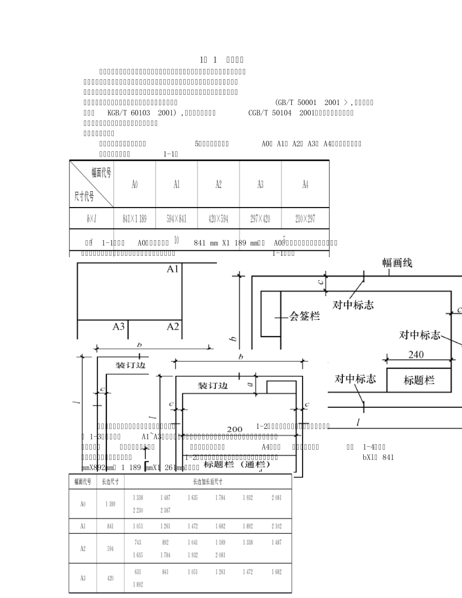
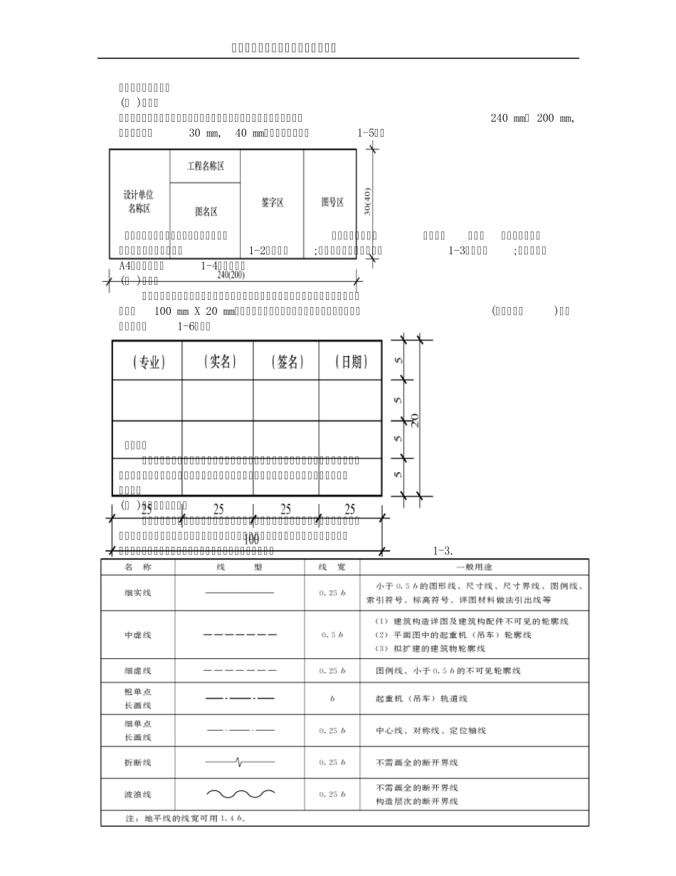
1一 1 制图标准 建筑装饰工程图是表达建筑装饰工程设计意图的重要手段,为使工程技术人员或建筑装饰工人都能看懂建筑装饰工程图,用图纸进行交流表达技术思想,并使建筑装饰工程图符合设计、施工、存档等要求,保证图面质量,以适应建筑装饰工程建设的需要,我国颁布了一系列制图标准,包括《房屋建筑制图统一标准》(GB/T 50001 2001 > ,《总图制图标准》KGB/T 60103 2001) ,《建筑制图标准》CGB/T 50104 2001等,涵盖了有关图纸幅面、图线、字体、比例及尺寸标注等内容。 一.图纸幅面规格 图纸幅面的基本尺寸规格有5种,其代号分别为A0、 A1、 A2、 A3和 A4。各号图纸幅面尺寸的具体规定见表1-1。 由表1-1可知,A0的幅面尺寸为841 mm X1 189 mm,由A0基本幅面对拆裁开的次数就是所得图纸的幅面代号数,这些基本幅面间的尺寸关系如图1-1所示。 使用图纸时,以短边作垂直边称为横式,如图1-2所示。以短边作水平边称为立式,如图 1-3所示。一般A1~A3图纸宜用横式,必要时,也可立式使用。单项工程中每一个专业所用的图纸,不宜多于两种幅面。目录及表格所采用的A4幅面,可不在此受限,如图1-4所示。 必要时图纸幅面的长边可按表1-2加长,短边不得加长,特殊情况下,还可以使用bXl为 841 mmX892mm、 1 189 mmX1 261mm的图幅。 天津城市建设管理职业技术学院教案 二、标题栏与会签栏 (一 )标题栏 每张图纸都应在图框的右下角设有标题栏,简称图标。标题栏的长边应为240 mm、 200 mm,短边尺寸宜为30 mm, 40 mm。标题栏可应按图1-5分区 标题栏的签字区应包含实名列和签名列,签字区由设计人、制图人、审核、审批人等签字。横式使用图纸时,应按图1-2形式布置;立式使用图纸时,应按图1-3形式布置;立式使用的A4图纸则应按图1-4形式布置。 (二 )会签栏 需要各相关工种负责人会签的图纸,还在图框外的左上角或右上角设有会签栏,其尺寸应为100 mm X 20 mm,栏内应填写会签人员所代表的专业、姓名、日期(年、月、日)等,其格式如图1-6所示。 三、图线 工程图样主要是采用不同线型和线宽的图线来表达不同的设计内容。图线是构成图样的基本元素。因此,熟悉图线的类型及用途,掌握各类图线的画法是建筑装饰制图最基本的技术。 (一 )图线的分类与用途 建筑装饰工程图中的线型有实线、虚线、单点长画线、拆断线和波浪线等,其中有些线型还分粗、中、细三种,为了表达工程图样的不同内容,并使图中主次分...

1、当您付费下载文档后,您只拥有了使用权限,并不意味着购买了版权,文档只能用于自身使用,不得用于其他商业用途(如 [转卖]进行直接盈利或[编辑后售卖]进行间接盈利)。
2、本站所有内容均由合作方或网友上传,本站不对文档的完整性、权威性及其观点立场正确性做任何保证或承诺!文档内容仅供研究参考,付费前请自行鉴别。
3、如文档内容存在违规,或者侵犯商业秘密、侵犯著作权等,请点击“违规举报”。

碎片内容

建筑制图标准

确认删除?
VIP
微信客服
  • 扫码咨询
会员Q群
  • 会员专属群点击这里加入QQ群
客服邮箱
回到顶部