电脑桌面
添加小米粒文库到电脑桌面
安装后可以在桌面快捷访问

建筑工程一般分项隐蔽验收记录填写实例

建筑工程一般分项隐蔽验收记录填写实例_第1页
1/14
建筑工程一般分项隐蔽验收记录填写实例_第2页
2/14
建筑工程一般分项隐蔽验收记录填写实例_第3页
3/14
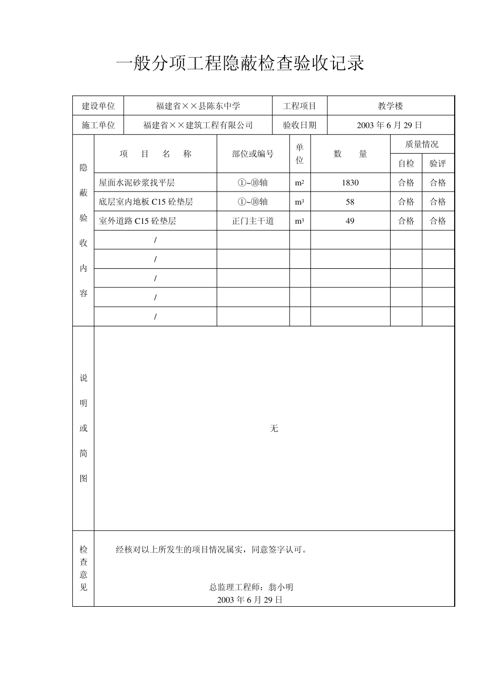
建筑工程一般分项隐蔽验收记录 填写实例 一般分项工程隐蔽检查验收记录 建设单位 福建省××县陈东中学 工程项目 教学楼 施工单位 福建省××建筑工程有限公司 验收日期 2003 年 6 月 29 日 隐 蔽 验 收 内 容 项 目 名 称 部位或编号 单位 数 量 质量情况 自检 验评 屋面水泥砂浆找平层 ①~⑩轴 m2 1830 合格 合格 底层室内地板 C15 砼垫层 ①~⑩轴 m3 58 合格 合格 室外道路 C15 砼垫层 正门主干道 m3 49 合格 合格 / / / / / 说 明 或 简 图 无 检查意见 经核对以上所发生的项目情况属实,同意签字认可。 总监理工程师:翁小明 2003 年 6 月 29 日 施工单位自评 合 格 施工单位核定 合 格 建设(监理)验评 合 格 工程负责人 李小强 专职质检员 卢小强 建设(监理)代表 翁小明 填表人:蔡小海 一般分项工程隐蔽检查验收记录 建设单位 福建省××县陈东中学 工程项目 教学楼 施工单位 福建省××建筑工程有限公司 验收日期 2003 年 6 月 29 日 隐 蔽 验 收 内 容 项 目 名 称 部位或编号 单位 数 量 质量情况 自检 验评 屋面水泥砂浆找平层 ①~⑩轴 m2 1830 合格 合格 底层室内地板 C15 砼垫层 ①~⑩轴 m3 58 合格 合格 室外道路 C15 砼垫层 正门主干道 m3 49 合格 合格 / / / / / 说 明 或 简 图 无 检查意见 经核对以上所发生的项目情况属实,同意签字认可。 总监理工程师:翁小明 2003 年6 月29 日 施工单位自评 合 格 施工单位核定 合 格 建设(监理)验评 合 格 工程负责人 李小强 专职质检员 卢小强 建设(监理)代表 翁小明 填表人:蔡小海 一般分项工程隐蔽检查验收记录 建设单位 福建省××县陈东中学 工程项目 教学楼 施工单位 福建省××建筑工程有限公司 验收日期 2003 年6 月29 日 隐 蔽 验 收 内 容 项 目 名 称 部位或编号 单位 数 量 质量情况 自检 验评 屋面水泥砂浆找平层 ①~⑩轴 m2 1830 合格 合格 底层室内地板 C15 砼垫层 ①~⑩轴 m3 58 合格 合格 室外道路 C15 砼垫层 正门主干道 m3 49 合格 合格 / / / / / 说 明 或 简 图 无 检查意见 经核对以上所发生的项目情况属实,同意签字认可。 总监理工程师:翁小明 2003 年6 月29 日 施工单位自评 合 格 施...

1、当您付费下载文档后,您只拥有了使用权限,并不意味着购买了版权,文档只能用于自身使用,不得用于其他商业用途(如 [转卖]进行直接盈利或[编辑后售卖]进行间接盈利)。
2、本站所有内容均由合作方或网友上传,本站不对文档的完整性、权威性及其观点立场正确性做任何保证或承诺!文档内容仅供研究参考,付费前请自行鉴别。
3、如文档内容存在违规,或者侵犯商业秘密、侵犯著作权等,请点击“违规举报”。

碎片内容

建筑工程一般分项隐蔽验收记录填写实例

您可能关注的文档

确认删除?
VIP
微信客服
  • 扫码咨询
会员Q群
  • 会员专属群点击这里加入QQ群
客服邮箱
回到顶部