电脑桌面
添加小米粒文库到电脑桌面
安装后可以在桌面快捷访问

建筑施工隐患排查治理工作清单

建筑施工隐患排查治理工作清单_第1页
1/47
建筑施工隐患排查治理工作清单_第2页
2/47
建筑施工隐患排查治理工作清单_第3页
3/47
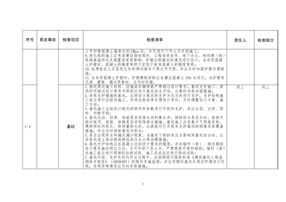
1 (二)建筑施工隐患排查治理工作清单 序号 易发事故 检查项目 检查清单 责任人 检查频次 1-1 坍塌 材料堆码 1.材料堆放是否整齐稳固,不得超高,松散材料堆放应采取固定措施; 2.钢筋堆放高度不得大于1.2m ; 3.钢管、木方堆放高度不得大于2m ,砌块堆放高度不超过 1.8m ,大模板、铝合金模板叠放高度不得超过 2.0m ,且应有可靠的防倾覆措施; 4.楼板、屋面等结构物上堆放材料、机具或其他物料时,是否超过承载要求,是否采取加固措施; 5.现场物料是否堆放在基坑边缘、边坡坡顶、桩孔边,堆载及安全距离是否符合设计规定 6.各类防护棚上严禁堆放物料; 7.砼构件钢筋施工时,严禁在钢筋网上超载堆放物料。 具体负责人:劳务分包单位或班组长。 管理负责人: (1)项目经理为第一负责人; (2)执行经理负直接领导责任; (3)负责该区域的工长负直接管理责任; (4)安全员负监督检查责任。 每月开展一 次安 全生产标准化自评,且考核结 果必须得到监理 及 建设 方 的 认可并签字 、盖 章 ,并按要 求 上 报上 一 级 管理单位。 1-2 临时设施 1.临 时设施是否稳定可靠,临 时建筑 不得超过 2 层 ,使 用 年 限 应为 5 年 ; 2.临 时建筑 不应建造 在易 发 生滑 坡、坍 塌 、泥 石 流 、山 洪 等危 险 地 段 和 低 洼 积水 区域,应避 开水 源 保 护区、水 库 泄 洪 渠 、濒 险 水 库 下 游 地 段 、强 风 口 和 危 房影 响 范 围 ,且应避 免 有害 气 体、强 噪 声 等对 临 时建筑 使 用 人员的影 响 ; 3.临 时建板房 应符合防火 等级 要求; 4.高度超过 2M 的竖 向 砼构件钢筋绑 扎 ,在侧 模安装 完 成 前 ,是否采取有效 的侧同 上 同 上 2 序号 易发事故 检查项目 检查清单 责任人 检查频次 向临时支撑措施; 5.较厚大筏板、楼板、屋面板等砼构件钢筋施工,在侧模安装完成前,是否采取有效的侧向临时支撑措施; 6.影响临时设施安全的区域内不得超重堆载物料; 7.当临时建筑建造在河沟、高边坡、深基坑时,应采取结构加强措施; 8.临时建筑不应占压原有的地下管线; 9.临时建筑地面应采取防水、防潮、防虫等措施,且应至少高处室外地面 150mm,临时建筑周围应排水通畅、无积水; 10.临时建筑屋面应为不上人屋面; 11.临时建筑在使用过程中,不得随意开动、打孔或对结...

1、当您付费下载文档后,您只拥有了使用权限,并不意味着购买了版权,文档只能用于自身使用,不得用于其他商业用途(如 [转卖]进行直接盈利或[编辑后售卖]进行间接盈利)。
2、本站所有内容均由合作方或网友上传,本站不对文档的完整性、权威性及其观点立场正确性做任何保证或承诺!文档内容仅供研究参考,付费前请自行鉴别。
3、如文档内容存在违规,或者侵犯商业秘密、侵犯著作权等,请点击“违规举报”。

碎片内容

建筑施工隐患排查治理工作清单

确认删除?
VIP
微信客服
  • 扫码咨询
会员Q群
  • 会员专属群点击这里加入QQ群
客服邮箱
回到顶部