电脑桌面
添加小米粒文库到电脑桌面
安装后可以在桌面快捷访问

建筑材料标准(安装工程)VIP专享

建筑材料标准(安装工程)_第1页
1/59
建筑材料标准(安装工程)_第2页
2/59
建筑材料标准(安装工程)_第3页
3/59
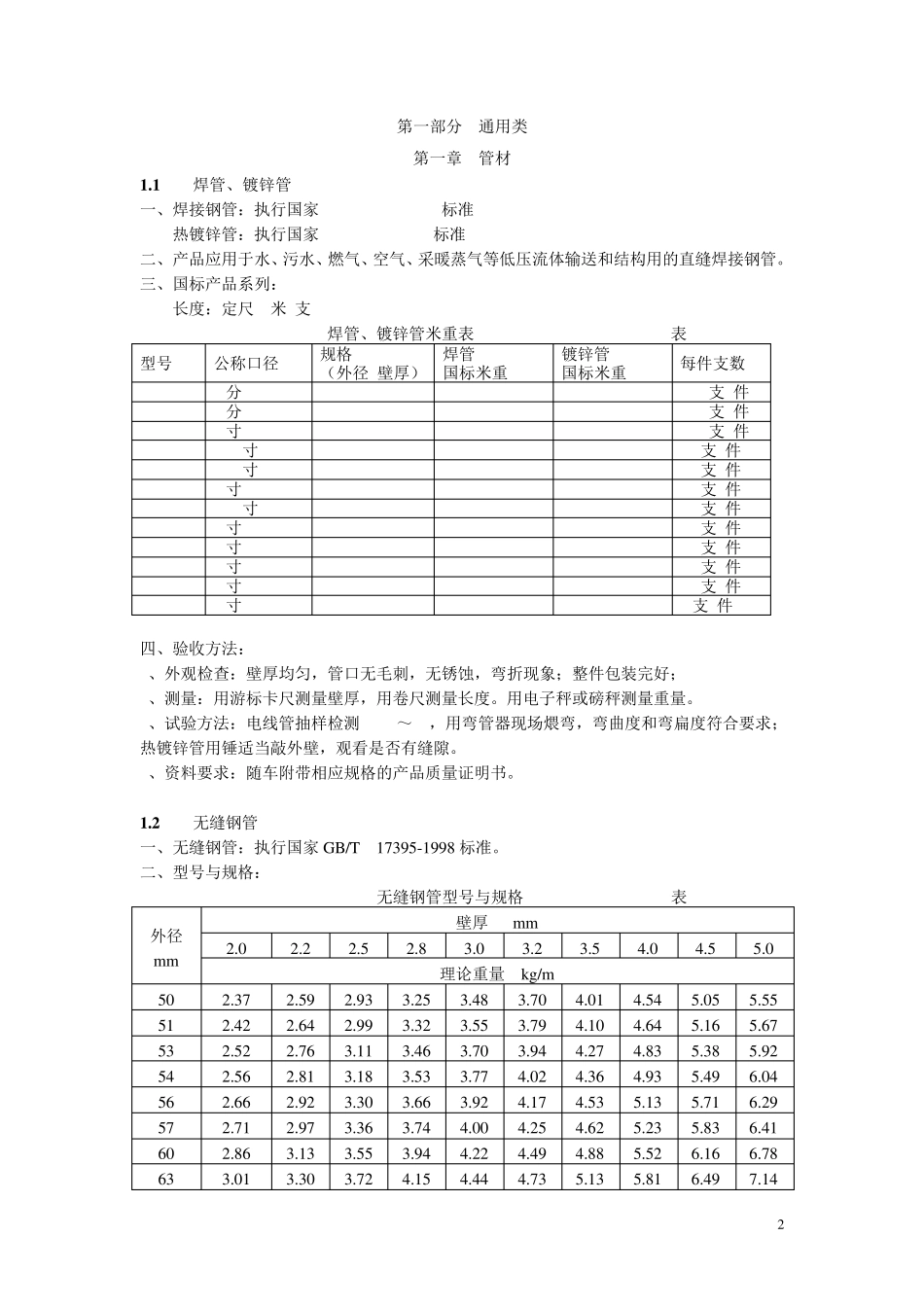
1 建 筑 材 料 标 准 (安装工程) 2 第一部分 通用类 第一章 管材 1 .1 焊管、镀锌管 一、焊接钢管:执行国家 GB/T13793-2001标准 热镀锌管:执行国家 GB/T3091-2001标准 二、产品应用于水、污水、燃气、空气、采暖蒸气等低压流体输送和结构用的直缝焊接钢管。 三、国标产品系列: 长度:定尺 6米/支 焊管、镀锌管米重表 表 1.1 型号/mm 公称口径/in 规格/mm (外径*壁厚) 焊管 国标米重 Kg/m 镀锌管 国标米重 Kg/m 每件支数() DN15 4分 21.3*2.75 1.26 1.34 217支/件 DN20 6分 26.8*2.75 1.63 1.73 169支/件 DN25 1寸 33.5*3.25 2.42 2.57 127支/件 DN32 1.2寸 42.3*3.25 3.13 3.32 91支/件 DN40 1.5寸 48*3.5 3.84 4.07 91支/件 DN50 2寸 60*3.5 4.88 5.17 61支/件 DN65 2.5寸 75.5*3.75 6.64 7.04 37支/件 DN80 3寸 88.5*4.0 8.34 8.84 37支/件 DN100 4寸 114*4.0 10.85 11.50 19支/件 DN125 5寸 140*4.5 15.04 15.94 19支/件 DN150 6寸 165*4.5 17.81 18.88 19支/件 DN200 8寸 219*6.0 31.52 33.41 7支/件 四、验收方法: 1、外观检查:壁厚均匀,管口无毛刺,无锈蚀,弯折现象;整件包装完好; 2、测量:用游标卡尺测量壁厚,用卷尺测量长度。用电子秤或磅秤测量重量。 3、试验方法:电线管抽样检测 DN15~20,用弯管器现场煨弯,弯曲度和弯扁度符合要求;热镀锌管用锤适当敲外壁,观看是否有缝隙。 4、资料要求:随车附带相应规格的产品质量证明书。 1 .2 无缝钢管 一、无缝钢管:执行国家 GB/T 17395-1998 标准。 二、型号与规格: 无缝钢管型号与规格 表 1.2 外径 m m 壁厚 m m 2.0 2.2 2.5 2.8 3.0 3.2 3.5 4.0 4.5 5.0 理论重量 kg/m 50 2.37 2.59 2.93 3.25 3.48 3.70 4.01 4.54 5.05 5.55 51 2.42 2.64 2.99 3.32 3.55 3.79 4.10 4.64 5.16 5.67 53 2.52 2.76 3.11 3.46 3.70 3.94 4.27 4.83 5.38 5.92 54 2.56 2.81 3.18 3.53 3.77 4.02 4.36 4.93 5.49 6.04 56 2.66 2.92 3.30 3.66 3.92 4.17 4.53 5.13 5.71 6.29 57 2.71 2.97 3.36 3.74 4.00 4.25 4.62 5.23 5.83 6.41 60 2.86 3.13 3.55 3.94 4.22 4.49 4.88 5.52 6.16 6.78 63 3.01 3.30 3.72 4.15 4.44 4.73 5.13 5.81 6.49 7...

1、当您付费下载文档后,您只拥有了使用权限,并不意味着购买了版权,文档只能用于自身使用,不得用于其他商业用途(如 [转卖]进行直接盈利或[编辑后售卖]进行间接盈利)。
2、本站所有内容均由合作方或网友上传,本站不对文档的完整性、权威性及其观点立场正确性做任何保证或承诺!文档内容仅供研究参考,付费前请自行鉴别。
3、如文档内容存在违规,或者侵犯商业秘密、侵犯著作权等,请点击“违规举报”。

碎片内容

建筑材料标准(安装工程)

确认删除?
VIP
微信客服
  • 扫码咨询
会员Q群
  • 会员专属群点击这里加入QQ群
客服邮箱
回到顶部