电脑桌面
添加小米粒文库到电脑桌面
安装后可以在桌面快捷访问

建筑消防设施年度检测报告

建筑消防设施年度检测报告_第1页
1/21
建筑消防设施年度检测报告_第2页
2/21
建筑消防设施年度检测报告_第3页
3/21
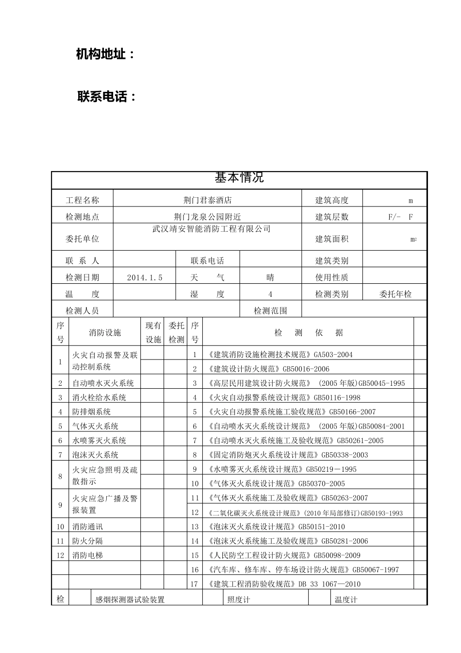
建 筑 消 防 设 施 年 度 检 测 报 告 工程名称:湖北省荆门君泰酒店 委托单位: 武汉靖安智能消防工程有限公司 检测机构: 武汉靖安智能消防工程有限公司 湖北省消防协会监制 日 期: 2 0 1 4 年 1 月 5 日 检测机构声明 1、本检测机构经批准具备 消防供配电设施、火灾自动报警及联动控制系统、自动喷水灭火系统、消火栓给水系统、防排烟系统、气体灭火系统、水喷雾灭火系统、泡沫灭火系统、火灾事故照明及疏散指示标志、火灾应急广播及警报装置、消防通讯、防火分隔、消防电梯 检测能力,在许可范围内从事检测工作并出具公正数据; 2、本报告无本机构检测报告专用章或公章无效; 3、未经本机构书面批准,部分复印检测报告无效; 4、本报告无报告审核人、批准人签名无效; 5、本报告涂改无效; 6、对本报告若有异议,请收到报告后于十五日内向本机构提出。 机 构 名称: 机 构 地址: 联系电话: 基本情况 工 程 名 称 荆 门 君 泰 酒 店 建 筑 高 度 m 检 测 地 点 荆 门 龙 泉 公 园 附 近 建 筑 层 数 F/- F 委 托 单 位 武 汉 靖 安 智 能 消 防 工 程 有 限 公 司 建 筑 面 积 m2 联 系 人 联 系 电 话 建 筑 类 别 检 测 日 期 2014.1.5 天 气 晴 使 用 性 质 温 度 湿 度 4 检 测 类 别 委 托 年 检 检 测 人 员 检 测 范 围 序号 消 防 设 施 现 有 设 施 委 托检 测 序号 检 测 依 据 1 火 灾 自 动 报 警 及 联动 控 制 系 统 1 《 建 筑 消 防 设 施 检 测 技 术 规 范 》 GA503-2004 2 《 建 筑 设 计 防 火 规 范 》 GB50016-2006 2 自 动 喷 水 灭 火 系 统 3 《 高 层 民 用 建 筑 设 计 防 火 规 范 》 (2005 年 版 )GB50045-1995 3 消 火 栓 给 水 系 统 4 《 火 灾 自 动 报 警 系 统 设 计 规 范 》 GB50116-1998 4 防 排 烟 系 统 5 《 火 灾 自 动 报 警 系 统 施 工 验 收 规 范 》 GB50166-2007 5 气 体 灭 火 系 统 6 《 自 动 喷 水 灭 火 系 统 设 计 规 范 》 (2005 年 版 )GB50084-2001 6 水 喷 雾 灭 火 系 统 7 《 自 动 喷 水 灭 火 系 统 施 工 及 验 收 规 ...

1、当您付费下载文档后,您只拥有了使用权限,并不意味着购买了版权,文档只能用于自身使用,不得用于其他商业用途(如 [转卖]进行直接盈利或[编辑后售卖]进行间接盈利)。
2、本站所有内容均由合作方或网友上传,本站不对文档的完整性、权威性及其观点立场正确性做任何保证或承诺!文档内容仅供研究参考,付费前请自行鉴别。
3、如文档内容存在违规,或者侵犯商业秘密、侵犯著作权等,请点击“违规举报”。

碎片内容

建筑消防设施年度检测报告

您可能关注的文档

确认删除?
VIP
微信客服
  • 扫码咨询
会员Q群
  • 会员专属群点击这里加入QQ群
客服邮箱
回到顶部