电脑桌面
添加小米粒文库到电脑桌面
安装后可以在桌面快捷访问

建筑物垂直测量记录表2

建筑物垂直测量记录表2_第1页
1/10
建筑物垂直测量记录表2_第2页
2/10
建筑物垂直测量记录表2_第3页
3/10
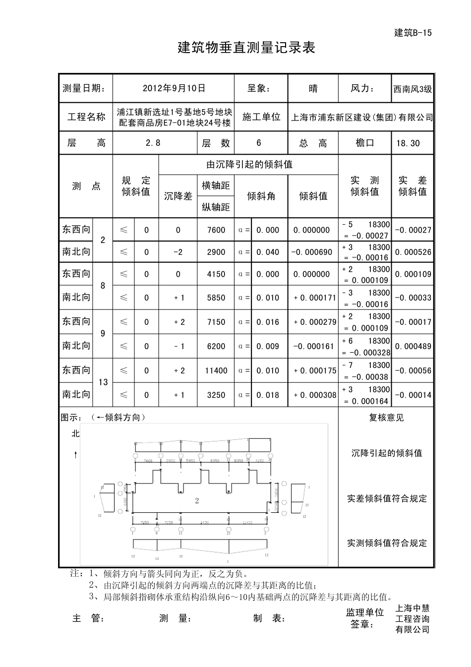
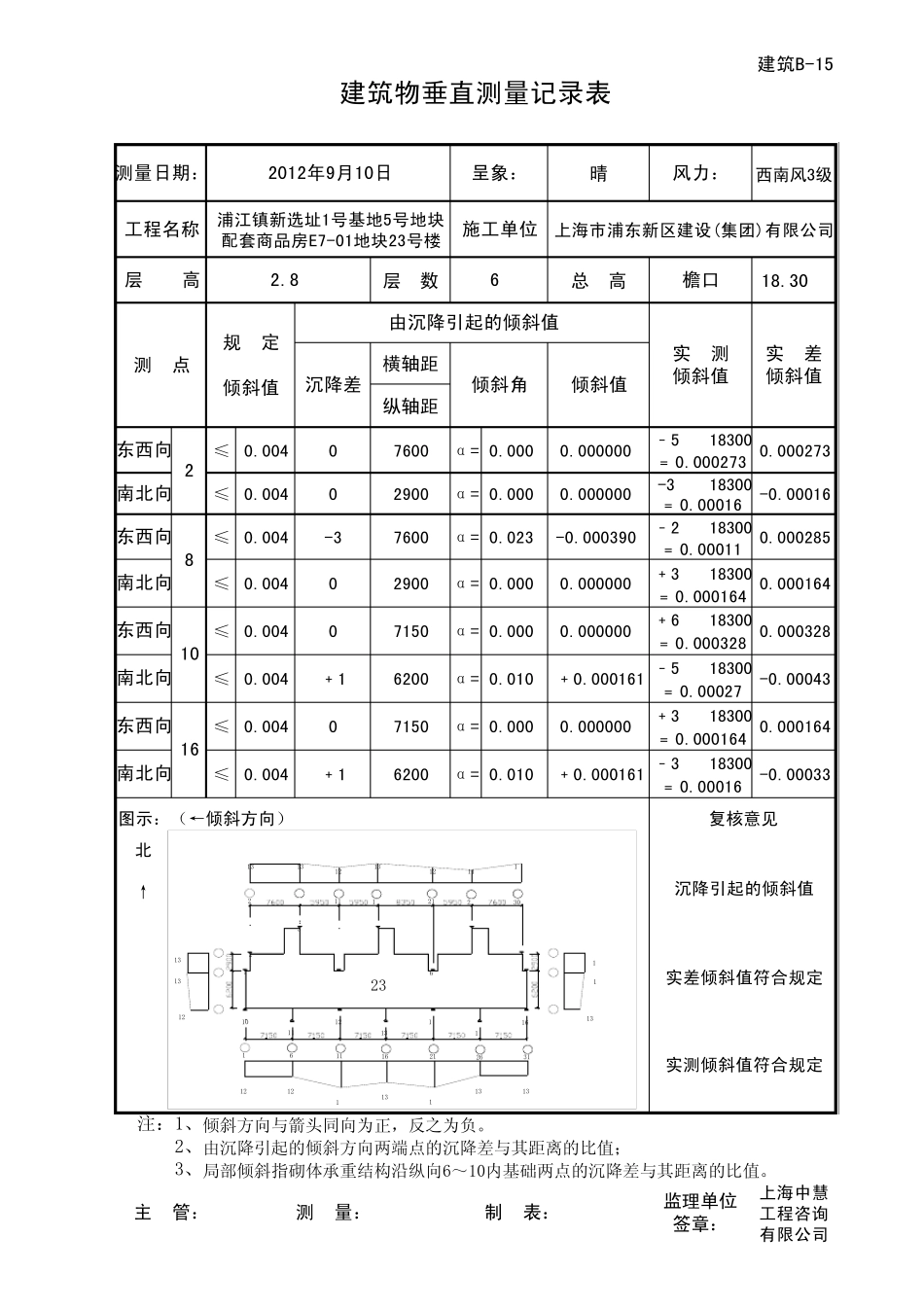
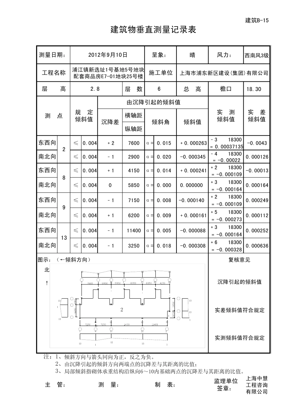
晴西南风3级层 数总 高18.30 m横轴距纵轴距﹣5 /18300-3/18300﹣2 /18300﹢3 /18300﹢6 /18300﹣5 /18300﹢3 /18300﹣3 /18300 注:1、倾斜方向与箭头同向为正,反之为负。 2、由沉降引起的倾斜方向两端点的沉降差与其距离的比值; 3、局部倾斜指砌体承重结构沿纵向6~10内基础两点的沉降差与其距离的比值。监理单位签章:建筑物垂直测量记录表0.000164复核意见沉降引起的倾斜值2.8m0.0000.0100.000000﹢0.0001610.0003280南北向实差倾斜值符合规定实测倾斜值符合规定﹦0.000164﹦0.00016-0.00033东西向南北向16≤≤0.0040.0046200α=0.0000.010α=-0.000430.0002850.0001640.000-3076002900α=α=0.023≤≤0.0040.0040﹢17150﹦0.000328﹦0.00027-0.0003900.000000﹦0.00011﹦0.0001640.000000﹢0.000161东西向南北向8≤≤100.000273-0.000160.00000022900α= 0.000﹦0.000160.004≤6南北向≤0.0040α=76000建筑B-15制 表:上海中慧工程咨询有限公司 主 管:上海市浦东新区建设(集团)有限公司工程名称0.000测 量:东西向倾斜角﹦0.000273实 测倾斜值0.000000图示:(←倾斜方向)北↑东西向﹢17150由沉降引起的倾斜值风力:檐口规 定倾斜值0.0040.004倾斜值沉降差呈象:施工单位6200α=α=实 差倾斜值测量日期:浦江镇新选址1号基地5号地块配套商品房E7-01地块23号楼2012年9月10日层 高测 点23#16111621263130252115117210111213141516987654312DCADCA1312131211141314141313131212121413141313晴西南风3级层 数总 高18.30 m横轴距纵轴距﹣5 /18300﹢3 /18300﹢2 /18300﹣3 /18300﹢2 /18300﹢6 /18300﹣7 /18300﹢3 /18300 注:1、倾斜方向与箭头同向为正,反之为负。 2、由沉降引起的倾斜方向两端点的沉降差与其距离的比值; 3、局部倾斜指砌体承重结构沿纵向6~10内基础两点的沉降差与其距离的比值。 主 管:测 量:制 表:上海中慧工程咨询有限公司建筑B-15建筑物垂直测量记录表测量日期: 2012年9月10日呈象:风力:层 高2.8m6檐口工程名称浦江镇新选址1号基地5号地块配套商品房E7-01地块24号楼施工单位上海市浦东新区建设(集团)有限公司实 差倾斜值沉降差倾斜角倾斜值测 点规 定倾斜值由沉降引起的倾斜值实 测倾斜值07600α= 0.000东西向2≤0α=0.000000-0.00027﹦-0.00027南北向≤0-22900α=东西向8≤0041500.0000.0000000.000109﹦0.000109-0.0006900.000526﹦-0.000160.0405850α= 0.0...

1、当您付费下载文档后,您只拥有了使用权限,并不意味着购买了版权,文档只能用于自身使用,不得用于其他商业用途(如 [转卖]进行直接盈利或[编辑后售卖]进行间接盈利)。
2、本站所有内容均由合作方或网友上传,本站不对文档的完整性、权威性及其观点立场正确性做任何保证或承诺!文档内容仅供研究参考,付费前请自行鉴别。
3、如文档内容存在违规,或者侵犯商业秘密、侵犯著作权等,请点击“违规举报”。

碎片内容

建筑物垂直测量记录表2

确认删除?
VIP
微信客服
  • 扫码咨询
会员Q群
  • 会员专属群点击这里加入QQ群
客服邮箱
回到顶部