电脑桌面
添加小米粒文库到电脑桌面
安装后可以在桌面快捷访问

建设单位工程质量终身责任制承诺书

建设单位工程质量终身责任制承诺书_第1页
1/15
建设单位工程质量终身责任制承诺书_第2页
2/15
建设单位工程质量终身责任制承诺书_第3页
3/15
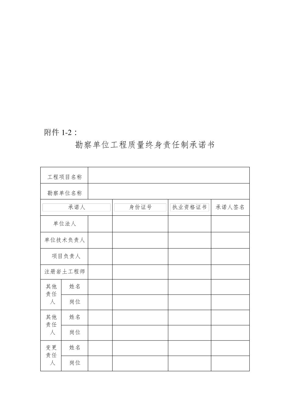
附件1 -1 : 建设单位工程质量终身责任制承诺书 工程项目名称 建设单位名称 承诺人 身份证号 承诺人签名 单位法人 项目负责人 土建责任人 安装责任人 资料员 其它责任人 姓名 岗位 其他责任人 姓名 岗位 变更责任人 姓名 岗位 变更责任人 姓名 岗位 变更责任人 姓名 岗位 注:其他责任人、变更责任人栏目不够时可自行添加。 承诺内容: 本人承诺在该工程建设过程中认真履行下列相应职责,并承担相应终身质量责任。 1、履行基本建设程序,按照先勘察、后设计、再施工的原则实施工程建设。及时办理施工图审查备案、质量安全监督、合同备案等手续,依法领取施工许可证后开工建设。 2、向施工单位提供经图审合格并加盖专用章的施工用途和设计变更等相关设计文件。 3、不明示或暗示设计、施工单位违反工程建设强制性标准,不明示或暗示施工单位使用不合格的建筑材料,建筑配件和设备,降低工程质量。 4、工程竣工后,组织勘察、设计、施工、监理等单位,按照法定程序进行验收,并接受工程质量监督机构监督。工程项目未经验收合格不擅自交付 使用,工程验收合格 15 日内,按规定及时办理竣工验收备案手续。 5、及时整理工程项目档案资料,并按照规定,在建筑工程竣工验收合格之日起3 个月内,向工程所在地城建档案管理部门移交工程档案。 6、其他法律法规规定的职责 本承诺书一式四份,一份在建筑工程办理质量监督手续时提交质量监督机构,一份在建筑工程竣工验收备案时提交竣工验收备案机构,一份在工程竣工验收备案后与档案资料一并提交城建档案管理部门存档,一份有个责任主体单位自行保存备查。 法人代 表 盖章: 年 月 日 附件1 -2 : 勘察单位工程质量终身责任制承诺书 工程项目名称 勘察单位名称 承诺人 身份证号 执业资格证书 承诺人签名 单位法人 单位技术负责人 项目负责人 注册岩土工程师 其他 责任 人 姓名 岗位 其他 责任 人 姓名 岗位 变更 责任 人 姓名 岗位 变更 责任 人 姓名 岗位 注:注册岩土工程师、其他责任人、变更责任人栏目不够时可自行添加。 承诺内容: 本人承诺在该工程建设过程中认真履行下列相应职责,并承担相应终身质量责任。 1、规范市场行为,不转包或违法分包所承担的勘察业务。依法签订工程勘察业务合同,自觉执行国家规定的工程勘察收费标准,坚 决杜绝恶性压价竞争。 2、认真执行工程建设强制性标准,严格落实工程勘察现...

1、当您付费下载文档后,您只拥有了使用权限,并不意味着购买了版权,文档只能用于自身使用,不得用于其他商业用途(如 [转卖]进行直接盈利或[编辑后售卖]进行间接盈利)。
2、本站所有内容均由合作方或网友上传,本站不对文档的完整性、权威性及其观点立场正确性做任何保证或承诺!文档内容仅供研究参考,付费前请自行鉴别。
3、如文档内容存在违规,或者侵犯商业秘密、侵犯著作权等,请点击“违规举报”。

碎片内容

建设单位工程质量终身责任制承诺书

您可能关注的文档

确认删除?
VIP
微信客服
  • 扫码咨询
会员Q群
  • 会员专属群点击这里加入QQ群
客服邮箱
回到顶部