电脑桌面
添加小米粒文库到电脑桌面
安装后可以在桌面快捷访问

弹簧喷丸强化技术规范

弹簧喷丸强化技术规范_第1页
1/11
弹簧喷丸强化技术规范_第2页
2/11
弹簧喷丸强化技术规范_第3页
3/11
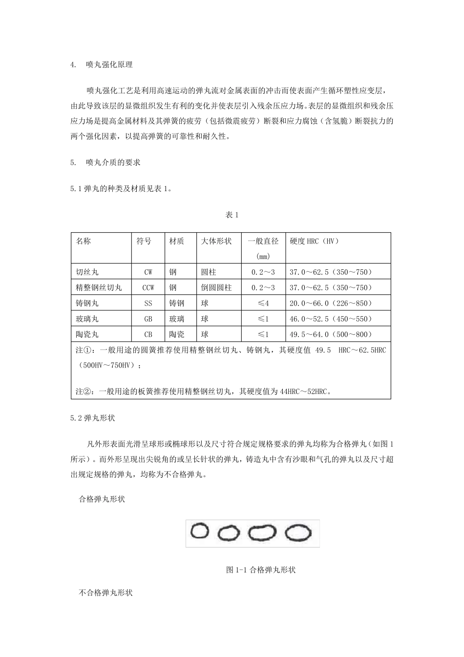
弹簧喷丸强化技术规范 1. 范围 本标准适用于以提高和改善弹簧疲劳强度与应力腐蚀断裂强度为目的的喷丸强化工艺技术。包括:圆柱螺旋压缩弹簧和汽车钢板弹簧,其它弹簧的喷丸处理可参照使用。 本标准规定了圆柱螺旋压缩弹簧(简称圆簧)和汽车钢板弹簧(简称板簧)喷丸强化的适用范围、术语、喷丸介质的要求、试片、试片夹具和弧高度测具、技术要求、检验规则与试验方法等。 2. 规范性引用文件 下列文件中的条款通过本标准的引用而成为本标准的条款。凡是注日期的引用文件,其随后所有的修改单(不包括勘误的内容)或制定版均不适用于本标准,然而,鼓励根据本标准达成协议的各方研究是否可使用这些文件的最新版本。凡是不注日期的引用文件,其最新版本适用于本标准。 GB/T 6481 铸钢丸(标准中未出现) GB/T 1805 弹簧术语 GB/T 230.1 金属洛氏硬度试验(标准中未出现) GB/T 4340.1 金属维氏硬度试验 第1 部分:试验方法(标准中未出现) GSB A69001 喷丸弧高度试片 3. 术语和定义 下列术语和定义适用于本标准,其余按GB/T 1805 弹簧术语中的规定。 3.1 喷丸强化工艺参数 是指弹丸材料、弹丸尺寸、弹丸硬度、弹丸速度、弹丸流量、喷射角 度、喷射时 间 、喷枪或离 心 轮 至 零 件表 面 的距 离 。 3.2 阿 尔 曼 试片(Almen 试片) 是用于综 合 度量喷丸强化工艺参数的一 种 专 用的试片,以下简称试片。 3.3 试片夹具 是用于固定试片的工具。 3.4 弧高度 试片在弹丸的冲击下表面层发生塑性流变,导致试片向喷丸面呈球面状弯曲。取一平面作为基准面切入变形球面内,则由该基准面至球面最高点之间的距离称为弧高度。 3.5 弧高度测具 是用于测定试片经喷丸后在所规定长度范围内产生的弧高度值的一种专用测量工具。 3.6 弧高度曲线 在其他的喷丸强化工艺参数不变的条件下,同一类型的试片分别各自接受不同时间的喷丸,获得一组弧高度值 f 随喷丸时间 t(或喷丸次数)变化的数据,由这组数据在弧高值-时间坐标上绘制出的曲线,叫做弧高度曲线。 3.7 喷丸强度 任何一组工艺参数下的弧高度曲线上只存在一个饱和点,过此饱和点弧高度值随喷丸时间而缓慢增高。在一倍于饱和点的喷丸时间下,弧高值的增量不超过饱和点处弧高值的10%,饱和点处的弧高值就定义为该组工艺参数的喷丸强度。 3.8 表面覆盖率 受喷零件表面上弹坑占据的面积与受喷表面总面积的比值,称为表面覆盖率(简称覆...

1、当您付费下载文档后,您只拥有了使用权限,并不意味着购买了版权,文档只能用于自身使用,不得用于其他商业用途(如 [转卖]进行直接盈利或[编辑后售卖]进行间接盈利)。
2、本站所有内容均由合作方或网友上传,本站不对文档的完整性、权威性及其观点立场正确性做任何保证或承诺!文档内容仅供研究参考,付费前请自行鉴别。
3、如文档内容存在违规,或者侵犯商业秘密、侵犯著作权等,请点击“违规举报”。

碎片内容

弹簧喷丸强化技术规范

小辰+ 关注
实名认证
内容提供者

出售各种文档和资料

确认删除?
VIP
微信客服
  • 扫码咨询
会员Q群
  • 会员专属群点击这里加入QQ群
客服邮箱
回到顶部