电脑桌面
添加小米粒文库到电脑桌面
安装后可以在桌面快捷访问

施工图审核标准完全版

施工图审核标准完全版_第1页
1/63
施工图审核标准完全版_第2页
2/63
施工图审核标准完全版_第3页
3/63
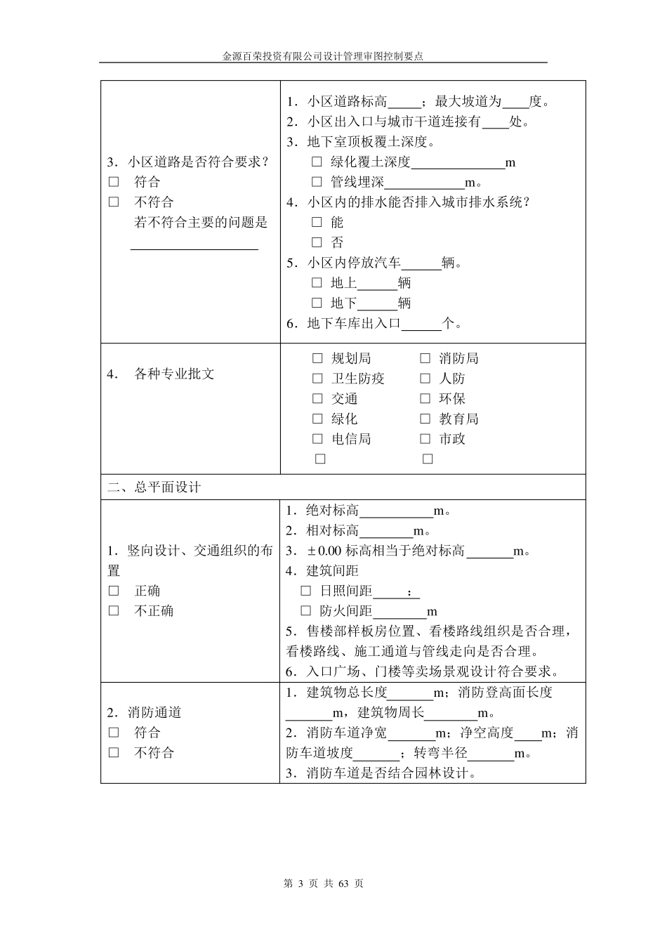
金源百荣投资有限公司设计管理审图控制要点 第 1 页 共 6 3 页 图纸审查控制要点 前 言 为了适应集团在房地产领域快速发展、日益壮大的需要,在营销定位准确的前提下,通过严格、细致的设计管理体系,保证项目从方案、初步设计到施工图设计阶段的技术把关工作有序、高效,消灭人为因素造成的设计质量差异,从而最大限度控制工作成本,彻底杜绝因设计造成的返工浪费。特制定本标准来指导各地区设计管理部门的设计审查工作。 审图依据及目的:国家现行规范、政府规划部门设计要点及设计要求,最终实现控制成本的终极目标 金源百荣投资有限公司设计管理审图控制要点 第 2 页 共 63 页 一、建筑专业 (一)初步设计审图要点 提要 设计数据 一、 规划设计 1.规划设计条件 □ 满足 □ 不满足;若不满足主要的问题是: 1.建筑间距 □ 日照间距: □ 防火间距 m 2.建筑物退用地红线距离 m 。 3.建筑物四置角点坐标是否准确。 4.周边市政道路交点标高是否准确,与现场实际是否符合。 5.技术经济指标: 总用地 ; 总建筑面积 ; 总户数 容积率 ; 绿化率 ; 道路面积 ; 公建面积 ; 建筑密度 ; 停车位 辆/户。 2. 公建配套要求 □ 满足 □ 不满足; 若不满足主要的问题是 解决的措施是 1..详规要求配套公建种类及面积 □ □ □ □ 2.本设计配套公建种类及面积 □ □ □ □ 2.配套公建总建筑面积□大于 □等于 □小于详规要求配套公建总面积。 配套公建总建筑面积 详规要求配套公建总面积 4. 配套公建是否占用商业价值高的位置? □ 是,解决的措施是 □ 否 金源百荣投资有限公司设计管理审图控制要点 第 3 页 共 63 页 3.小区道路是否符合要求? □ 符合 □ 不符合 若不符合主要的问题是 1.小区道路标高 ;最大坡道为 度。 2.小区出入口与城市干道连接有 处。 3.地下室顶板覆土深度。 □ 绿化覆土深度 m □ 管线埋深 m 。 4.小区内的排水能否排入城市排水系统? □ 能 □ 否 5.小区内停放汽车 辆。 □ 地上 辆 □ 地下 辆 6.地下车库出入口 个。 4. 各种专业批文 □ 规划局 □ 消防局 □ 卫生防疫 □ 人防 □ 交通 □ 环保 □ 绿化 □ 教育局 □ 电信局 □ 市政 □ □ 二、总平面设计 1.竖向设计、交通组织的布置 □ 正确 □ 不正确 1.绝对标高 m 。 2.相对标...

1、当您付费下载文档后,您只拥有了使用权限,并不意味着购买了版权,文档只能用于自身使用,不得用于其他商业用途(如 [转卖]进行直接盈利或[编辑后售卖]进行间接盈利)。
2、本站所有内容均由合作方或网友上传,本站不对文档的完整性、权威性及其观点立场正确性做任何保证或承诺!文档内容仅供研究参考,付费前请自行鉴别。
3、如文档内容存在违规,或者侵犯商业秘密、侵犯著作权等,请点击“违规举报”。

碎片内容

施工图审核标准完全版

确认删除?
VIP
微信客服
  • 扫码咨询
会员Q群
  • 会员专属群点击这里加入QQ群
客服邮箱
回到顶部