电脑桌面
添加小米粒文库到电脑桌面
安装后可以在桌面快捷访问

暖通工程、管道工程图形符号汇总2

暖通工程、管道工程图形符号汇总2_第1页
1/9
暖通工程、管道工程图形符号汇总2_第2页
2/9
暖通工程、管道工程图形符号汇总2_第3页
3/9
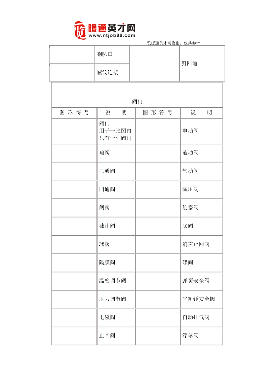
一览暖通英才网收集,仅共参考 管道工程图形符号 管道及附件 | 管道的连接 | 阀门 | 卫生器具及水池 | 设备及仪表 管道及附件 图 形 符 号 说 明 图 形 符 号 说 明 管道: 用于一张图内只有一种管道 四通连接 管道: 用汉语拼音字头表示管道类别 流向 导管: 用图例表示管道类别 坡向 交叉管: 指管道交叉不连接,在下方和后面的管道应断开 套管伸缩器 三通连接 波形伸缩器 弧形伸缩器 管道滑动支架 方形伸缩器 保温管 也适用于防结露管 防水套管 多孔管 软管 拆除管 可挠曲橡胶接头 地沟管 管道固定支架 防护套管 管道立管 检查口 一览暖通英才网收集,仅共参考 排水明沟 清扫口 排水暗沟 通气帽 弯折管 表示管道向后弯90° 雨水斗 弯折管 表示管道向前弯90° 排水漏斗 存水弯 圆形地漏 方型地漏 阀门套筒 自动冲洗箱 挡墩 管道的连接 图 形 符 号 说 明 图 形 符 号 说 明 法兰连接 活接头 承插连接 转动接头 管堵 管接头 法兰堵盖 弯管 偏心异径管 正三通 异径管 斜三通 乙字管 正四通 一览暖通英才网收集,仅共参考 喇叭口 斜四通 螺纹连接 阀门 图 形 符 号 说 明 图 形 符 号 说 明 阀门 用于一张图内只有一种阀门 电动阀 角阀 液动阀 三通阀 气动阀 四通阀 减压阀 闸阀 旋塞阀 截止阀 底阀 球阀 消声止回阀 隔膜阀 碟阀 温度调节阀 弹簧安全阀 压力调节阀 平衡锤安全阀 电磁阀 自动排气阀 止回阀 浮球阀 一览暖通英才网收集,仅共参考 气开隔膜阀 气闭隔膜阀 延时自闭冲洗阀 脚踏开关 放水龙头 疏水器 皮带龙头 室外消火栓 洒水龙头 室内消火栓(单口) 化验龙头 室内消火栓(双口) 肘式开关 水泵接合器 消防喷头(开式) 消防报警阀 消防喷头(闭式) 卫生器具及水池 图 形 符 号 说 明 图 形 符 号 说 明 水盆水纸 用于一张图只有一种水盆或水池 立式洗脸盆 洗脸盆 浴盆 化验盆、洗涤盆 挂式小便器 带蓖洗涤盆 蹲式大便器 盥洗槽 坐式大便器 一览暖通英才网收集,仅共参考 污水池 淋浴喷头 妇女卫生盆 矩形化粪池 HC为化粪池代号 立式小便器 圆形化粪池 除油池 YC为除油池代号 放气井 沉淀池 CC为沉淀池代号 泄水井 降温池 JC为降温池代号 水封井 中和池 ZC为中和池代号 跌水井 雨水口 水表井 本图例与流量计相同 设备及仪表...

1、当您付费下载文档后,您只拥有了使用权限,并不意味着购买了版权,文档只能用于自身使用,不得用于其他商业用途(如 [转卖]进行直接盈利或[编辑后售卖]进行间接盈利)。
2、本站所有内容均由合作方或网友上传,本站不对文档的完整性、权威性及其观点立场正确性做任何保证或承诺!文档内容仅供研究参考,付费前请自行鉴别。
3、如文档内容存在违规,或者侵犯商业秘密、侵犯著作权等,请点击“违规举报”。

碎片内容

暖通工程、管道工程图形符号汇总2

您可能关注的文档

确认删除?
VIP
微信客服
  • 扫码咨询
会员Q群
  • 会员专属群点击这里加入QQ群
客服邮箱
回到顶部