电脑桌面
添加小米粒文库到电脑桌面
安装后可以在桌面快捷访问

西华大学试验报告理工类

西华大学试验报告理工类_第1页
1/4
西华大学试验报告理工类_第2页
2/4
西华大学试验报告理工类_第3页
3/4
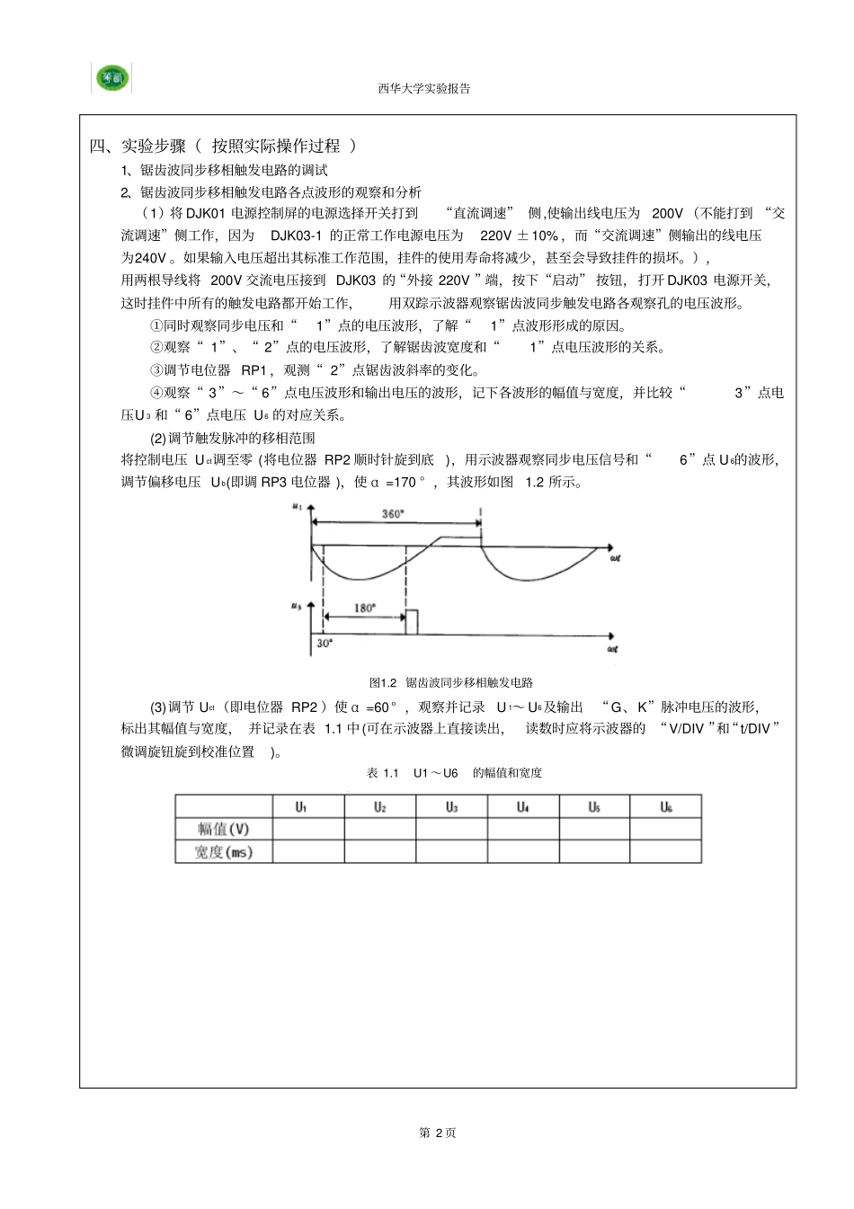
西华大学实验报告第 1 页装订线西华大学实验报告(理工类)开课学院及实验室:实验时间:年月日学 生 姓 名学号成绩学生所在学院年级 / 专业 / 班课 程 名 称课 程 代 码实验项目名称项 目 代 码指 导 教 师项 目 学 分一、 实验目的 1、加深理解锯齿波同步移相触发电路的工作原理及各元件的作用;2、掌握锯齿波同步移相触发电路的调试方法。二、实验原理锯齿波同步移相触发电路的原理图如图1.1 所示。锯齿波同步移相触发电路由同步检测、锯齿波形成、移相控制、脉冲形成、脉冲放大等环节组成,其工作原理可参考《电力电子技术》教材中有关锯齿波同步移相触发电路的内容(第3章P87~90)。图 1.1 锯齿波同步移相触发电路的原理图三、实验设备、仪器及材料1、DJK01 电源控制屏(该控制屏包含“三相电源输出”等模块)2、DJK03 晶闸管触发电路实验(该挂件包含“锯齿波同步移相触发电路”等模块)3、双踪示波器第组西华大学实验报告第 2 页四、实验步骤( 按照实际操作过程 )1、锯齿波同步移相触发电路的调试2、锯齿波同步移相触发电路各点波形的观察和分析(1)将 DJK01 电源控制屏的电源选择开关打到“直流调速” 侧,使输出线电压为200V (不能打到 “交流调速”侧工作,因为DJK03-1 的正常工作电源电压为220V ±10% ,而“交流调速”侧输出的线电压为240V 。如果输入电压超出其标准工作范围,挂件的使用寿命将减少,甚至会导致挂件的损坏。),用两根导线将 200V 交流电压接到 DJK03 的“外接 220V ”端,按下“启动” 按钮,打开 DJK03 电源开关,这时挂件中所有的触发电路都开始工作,用双踪示波器观察锯齿波同步触发电路各观察孔的电压波形。①同时观察同步电压和“1”点的电压波形,了解“1”点波形形成的原因。②观察“ 1”、“ 2”点的电压波形,了解锯齿波宽度和“1”点电压波形的关系。③调节电位器 RP1 ,观测“ 2”点锯齿波斜率的变化。④观察“ 3”~“ 6”点电压波形和输出电压的波形,记下各波形的幅值与宽度,并比较“3”点电压U 3 和“ 6”点电压 U6 的对应关系。(2)调节触发脉冲的移相范围将控制电压 U ct调至零 (将电位器 RP2 顺时针旋到底),用示波器观察同步电压信号和“6”点 U 6的波形,调节偏移电压 Ub(即调 RP3 电位器 ),使 α =170 ° ,其波形如图1.2 所示。图1.2 锯齿波同步移相触发电路(3)调节 Uct(即电位器 RP2 )使 α ...

1、当您付费下载文档后,您只拥有了使用权限,并不意味着购买了版权,文档只能用于自身使用,不得用于其他商业用途(如 [转卖]进行直接盈利或[编辑后售卖]进行间接盈利)。
2、本站所有内容均由合作方或网友上传,本站不对文档的完整性、权威性及其观点立场正确性做任何保证或承诺!文档内容仅供研究参考,付费前请自行鉴别。
3、如文档内容存在违规,或者侵犯商业秘密、侵犯著作权等,请点击“违规举报”。

碎片内容

西华大学试验报告理工类

您可能关注的文档

确认删除?
VIP
微信客服
  • 扫码咨询
会员Q群
  • 会员专属群点击这里加入QQ群
客服邮箱
回到顶部