电脑桌面
添加小米粒文库到电脑桌面
安装后可以在桌面快捷访问

计量与计价实习报告

计量与计价实习报告_第1页
1/4
计量与计价实习报告_第2页
2/4
计量与计价实习报告_第3页
3/4
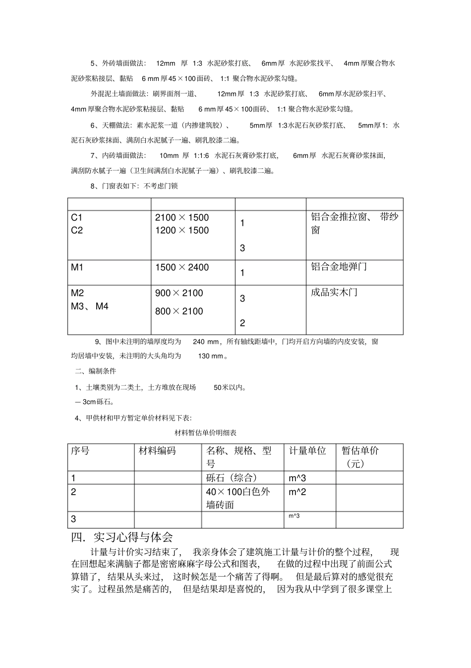
安康学院经济与管理系课程实习报告课程名称建筑工程计量与计价实习时间2016 年 01 月 04 日— 2016 年 01 月 15 日实习地点安康学院校内班级专业13 级工程管理1 班学生姓名高肖学号76 指导教师张爱英填写时间:2016 年 01 月 16 日成绩指导教师一、实习任务1、学生通过本课程设计,全面系统的掌握建筑工程施工图预算编制的全过程,是对本专业学生所要求的实际动手能力和工作能力的培养和训练。2、同时通过课程设计对学生以往所学习的专业基础知识,在实际运用中进行回顾、巩固、总结和提高二、实习要求实习指导教师布置实习任务,每位学生根据教师所提供的建筑工程施工图纸,按照《建设工程工程量清单计价规范(GB50500-2013)》和《陕西省建筑和装饰装修工程消耗量定额》等有关文件和资料,对建筑工程工程量清单计量和计价的全过程进行实际操作,独立编制该工程分部分项工程费。三、实习过程通过根据教师所提供的建筑工程施工图纸,按照《建设工程工程量清单计价规范(GB50500-2013 )》和《陕西省建筑和装饰装修工程消耗量定额》等有关文件和资料,算出分部分项工程量和该工程分部分项工程费。主要过程如下:一、工程概况:1以下采用MU10 标准机制红砖、M10 水泥砂浆砌筑;±以上采用非承重多孔砖,规格240× 115× 90混合砂浆砌筑;2、现浇砼等级:基础垫层为C15砼,梁柱C25砼,其余均为C20砼。门窗过梁不考虑。构造柱无马牙槎。3、地面及台阶做法:素土回填、 150mm 厚 3:7 灰土、60mm 厚 C15 砼垫层、 素水泥浆 (掺建筑胶)一道、20mm 厚 1:3 水泥砂浆结合层、 5mm 厚 水泥砂浆粘接层、 铺 10mm 厚 600×600mm 地砖。散水做法: 150mm 厚 3:7 灰土垫层宽出面层300 mm,60mm 厚 C15 砼加浆一次抹光。4、屋面做法: 1:6 水泥焦渣找坡最薄处30mm 厚(平均厚度为80mm )、90mm 厚憎水膨胀珍珠岩板、20mm 厚 水泥砂浆找平、涂刷基础处理剂,2 mm厚APP防水卷材一道上卷300mm ,20mm 厚 1:3 水泥砂浆保护层。实习内容主要分为以下几个方面:5、外砖墙面做法:12mm 厚 1:3 水泥砂浆打底、6mm 厚 水泥砂浆找平、4mm 厚聚合物水泥砂浆粘接层、黏贴6 mm 厚45×100面砖、 1:1 聚合物水泥砂浆勾缝。外混泥土墙面做法:刷界面剂一道、12mm 厚 1:3 水泥砂浆打底、6mm 厚水泥砂浆扫平、4mm 厚聚合物水泥砂浆粘接层、黏贴6 mm厚 45×100面砖、 1:1 聚合物水泥砂浆勾缝。6...

1、当您付费下载文档后,您只拥有了使用权限,并不意味着购买了版权,文档只能用于自身使用,不得用于其他商业用途(如 [转卖]进行直接盈利或[编辑后售卖]进行间接盈利)。
2、本站所有内容均由合作方或网友上传,本站不对文档的完整性、权威性及其观点立场正确性做任何保证或承诺!文档内容仅供研究参考,付费前请自行鉴别。
3、如文档内容存在违规,或者侵犯商业秘密、侵犯著作权等,请点击“违规举报”。

碎片内容

计量与计价实习报告

您可能关注的文档

确认删除?
VIP
微信客服
  • 扫码咨询
会员Q群
  • 会员专属群点击这里加入QQ群
客服邮箱
回到顶部