电脑桌面
添加小米粒文库到电脑桌面
安装后可以在桌面快捷访问

设备性能指标说明

设备性能指标说明_第1页
1/13
设备性能指标说明_第2页
2/13
设备性能指标说明_第3页
3/13
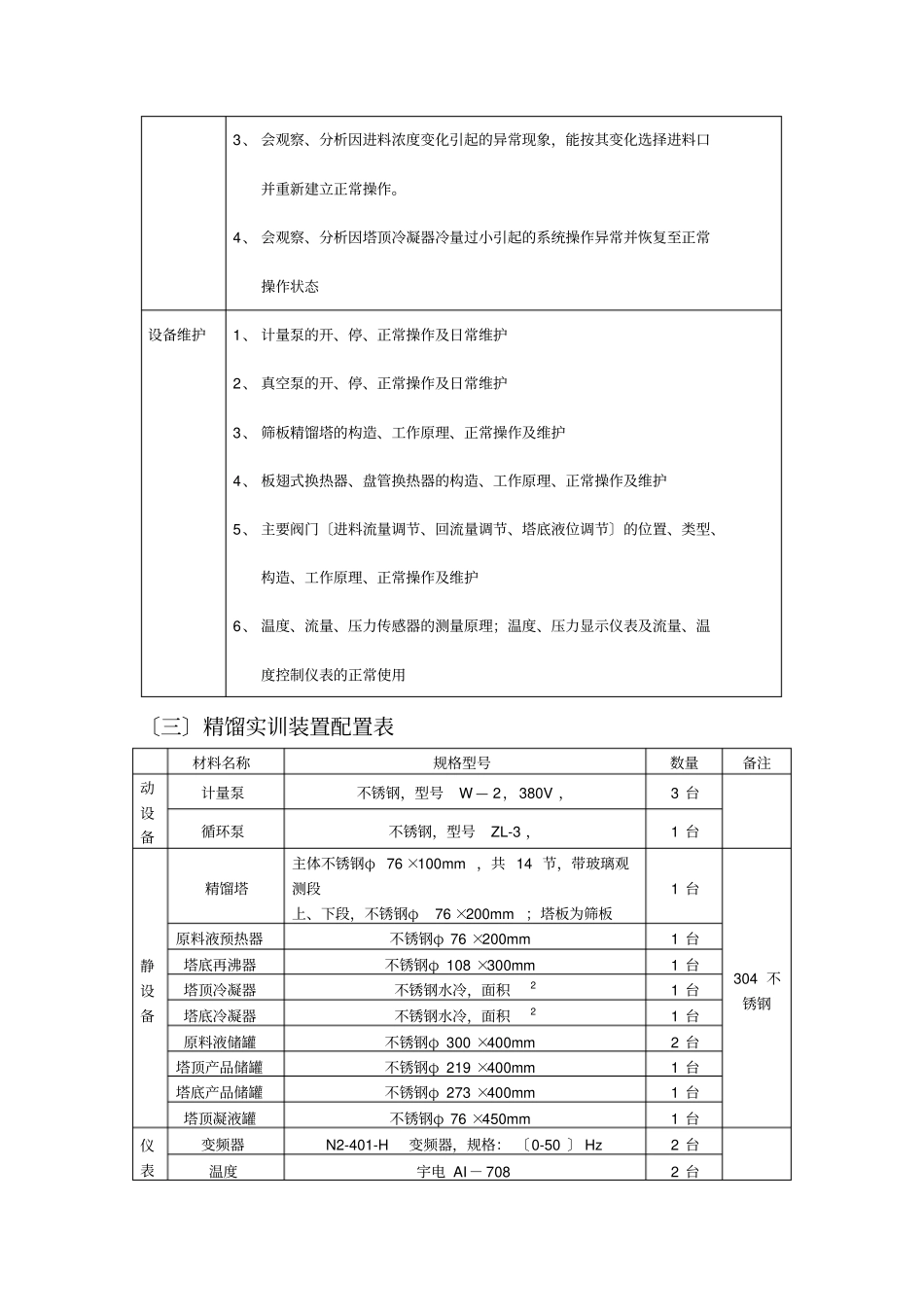
设备性能指标说明精馏实训装置一、精馏实训装置配置与功能〔一〕 精馏实训装置的根本性能与特点:1、 装置集实训、 实验、考工、考核、技能比赛等功能于一体。 具有工厂情景化、操作实际化、故障模拟真实化特点。2、装置采用全不锈钢材料制作,巩固耐用。3、装置贴近工厂实际, 同时满足化工技术类专业高级工、技师培训和鉴定要求。4、装置能进行装置开车准备、开车、正常操作、停车、设备维护等方面的技能操作训练、工艺指标控制操作技能训练。5、装置采用的控制系统,并能进行工控组态;同时也能进行手动操作控制。仪表精度高、配置合理。6、装置具有真实设定故障的功能:通过计算机隐蔽发出故障干扰信号,使正常运行的装置出现真实异常现象,培训学员发现、 分析、排除工业生产过程故障的技能。7、装置运行介质为乙醇 - 水体系,塔顶含乙醇不低于92% 。〔二〕 精馏实训装置培训功能要点工程操作培训内容开车准备1、 流程图的识读2、 熟悉现场装置及主要设备、仪表、阀门的位号、功能、工作原理和使用方法3、 按照要求制定操作方案4、 公用工程的引入〔水、电〕并确保正常5、 精馏原料的准备〔原料的配制以及浓度的测定〕6、 检查流程中各管线、阀门是否处于正常开车状态7、 设备上电,检查各仪表状态是否正常;动设备试车开车1、 按正确的开车步骤开车〔全回流和局部回流〕2、根据指令调节进料流量、温度;塔顶、塔底压力;塔顶、塔底温度;局部回流时的回流量到指定值正常操作1、能改变进料流量、温度;局部回流时的回流量等参数到指定值2、 观察正常操作时精馏塔的操作状况,并指出可能影响其正常操作的因素3、 能按正常操作调节塔顶、塔底产品的浓度4、 按照要求巡查各温度、压力、流量、液位值并做好记录;分析原料、塔顶、塔底产品的浓度并做好记录;能及时判断各指标是否正常5、 按照要求巡查动设备〔进料泵、回流泵、真空泵〕的运行状况,确认并做好记录6、 能测定理论板数和总板效率停车1、 按正常的停车步骤停车〔全回流和局部回流〕2、 检查停车后各设备、阀门、储罐液位的状态,确认后做好记录事故处理1、 装置具有以下异常现象的设计与排除功能,通过计算机隐蔽发出故障干扰信号,能使正常运行的装置出现以下异常现象。2、 会观察、分析因塔底再沸器加热量过大〔引起液泛〕或过小〔引起漏液〕引起的系统操作异常并恢复至正常操作状态3、 会观察、分析因进料浓度变化引起的异常现象,能按其变化选择进料...

1、当您付费下载文档后,您只拥有了使用权限,并不意味着购买了版权,文档只能用于自身使用,不得用于其他商业用途(如 [转卖]进行直接盈利或[编辑后售卖]进行间接盈利)。
2、本站所有内容均由合作方或网友上传,本站不对文档的完整性、权威性及其观点立场正确性做任何保证或承诺!文档内容仅供研究参考,付费前请自行鉴别。
3、如文档内容存在违规,或者侵犯商业秘密、侵犯著作权等,请点击“违规举报”。

碎片内容

设备性能指标说明

您可能关注的文档

确认删除?
VIP
微信客服
  • 扫码咨询
会员Q群
  • 会员专属群点击这里加入QQ群
客服邮箱
回到顶部