电脑桌面
添加小米粒文库到电脑桌面
安装后可以在桌面快捷访问

试验指导书及试验报告

试验指导书及试验报告_第1页
1/14
试验指导书及试验报告_第2页
2/14
试验指导书及试验报告_第3页
3/14
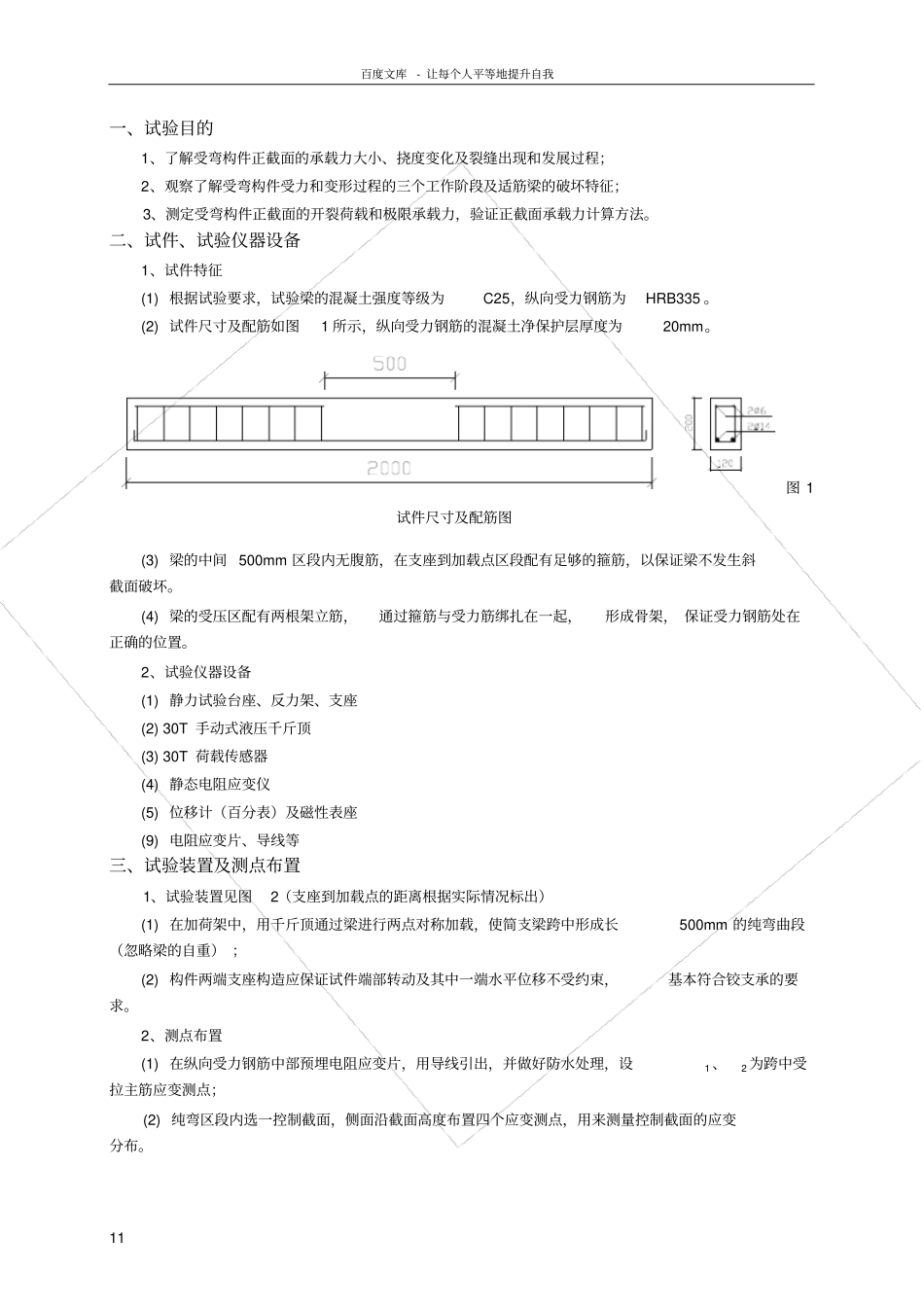
百度文库- 让每个人平等地提升自我00 《结构设计原理》试验指导书及试验报告班级姓名学号淮阴工学院建筑工程系结构试验室二 OO 五年九月试验一矩形截面受弯构件正截面强度试验百度文库- 让每个人平等地提升自我11 一、试验目的1、了解受弯构件正截面的承载力大小、挠度变化及裂缝出现和发展过程;2、观察了解受弯构件受力和变形过程的三个工作阶段及适筋梁的破坏特征;3、测定受弯构件正截面的开裂荷载和极限承载力,验证正截面承载力计算方法。二、试件、试验仪器设备1、试件特征(1) 根据试验要求,试验梁的混凝土强度等级为C25,纵向受力钢筋为HRB335 。(2) 试件尺寸及配筋如图1 所示,纵向受力钢筋的混凝土净保护层厚度为20mm。图 1 试件尺寸及配筋图(3) 梁的中间 500mm 区段内无腹筋,在支座到加载点区段配有足够的箍筋,以保证梁不发生斜截面破坏。(4) 梁的受压区配有两根架立筋,通过箍筋与受力筋绑扎在一起,形成骨架, 保证受力钢筋处在正确的位置。2、试验仪器设备(1) 静力试验台座、反力架、支座(2) 30T 手动式液压千斤顶(3) 30T 荷载传感器(4) 静态电阻应变仪(5) 位移计(百分表)及磁性表座(9) 电阻应变片、导线等三、试验装置及测点布置1、试验装置见图2(支座到加载点的距离根据实际情况标出)(1) 在加荷架中,用千斤顶通过梁进行两点对称加载,使简支梁跨中形成长500mm 的纯弯曲段(忽略梁的自重) ;(2) 构件两端支座构造应保证试件端部转动及其中一端水平位移不受约束,基本符合铰支承的要求。2、测点布置(1) 在纵向受力钢筋中部预埋电阻应变片,用导线引出,并做好防水处理,设1 、2 为跨中受拉主筋应变测点;(2) 纯弯区段内选一控制截面,侧面沿截面高度布置四个应变测点,用来测量控制截面的应变分布。百度文库- 让每个人平等地提升自我22 500千斤顶压力传感器分配梁2002000f图 2 正截面试验装置图四、试验步骤1.加载方法(1) 采用分级加载,每级加载量为10kN;(2) 试验准备就绪后,首先预加一级荷载,观察所有仪器是否工作正常;(3) 每次加载后持荷时间为不少于10 分钟,使试件变形趋于稳定后,再仔细测读仪表读数,待校核无误,方可进行下一级加荷。2.测试内容(1) 试件就位后, 按照试验装置要求安装好所有仪器仪表,正式试验之前, 应变仪各测点依次调平衡,并记录位移计初值,然后进行正式加载;(2) 测定每级荷载下纯弯区段控制截面混凝土和受拉主筋的应变值1 和2 ,以及...

1、当您付费下载文档后,您只拥有了使用权限,并不意味着购买了版权,文档只能用于自身使用,不得用于其他商业用途(如 [转卖]进行直接盈利或[编辑后售卖]进行间接盈利)。
2、本站所有内容均由合作方或网友上传,本站不对文档的完整性、权威性及其观点立场正确性做任何保证或承诺!文档内容仅供研究参考,付费前请自行鉴别。
3、如文档内容存在违规,或者侵犯商业秘密、侵犯著作权等,请点击“违规举报”。

碎片内容

试验指导书及试验报告

确认删除?
VIP
微信客服
  • 扫码咨询
会员Q群
  • 会员专属群点击这里加入QQ群
客服邮箱
回到顶部