电脑桌面
添加小米粒文库到电脑桌面
安装后可以在桌面快捷访问

质量管理考核考核方法

质量管理考核考核方法_第1页
1/8
质量管理考核考核方法_第2页
2/8
质量管理考核考核方法_第3页
3/8
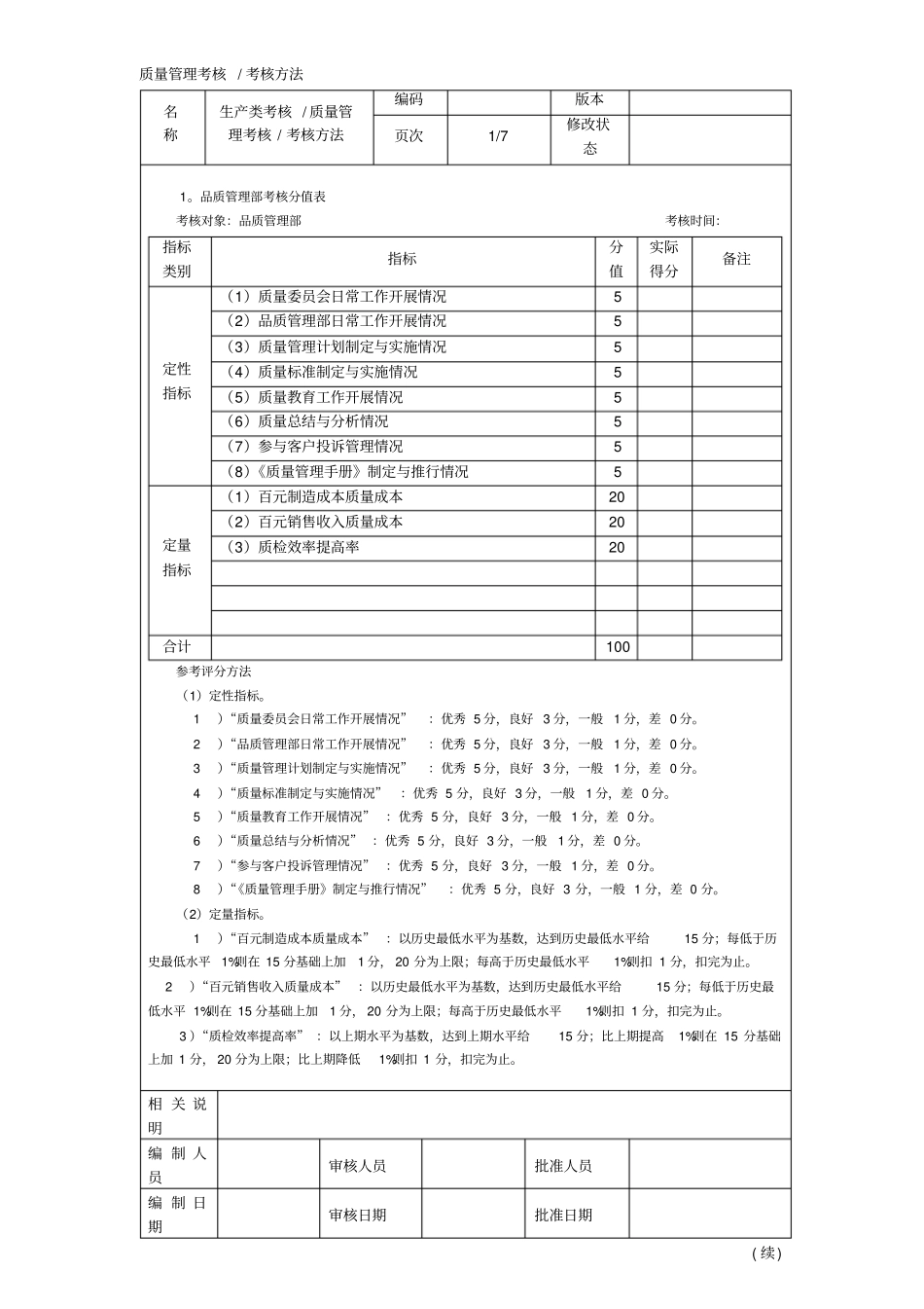
质量管理考核 / 考核方法名称生产类考核 / 质量管理考核 / 考核方法编码版本页次1/7修改状态1。品质管理部考核分值表考核对象:品质管理部考核时间:指标类别指标分值实际得分备注定性指标(1)质量委员会日常工作开展情况5 (2)品质管理部日常工作开展情况5 (3)质量管理计划制定与实施情况5 (4)质量标准制定与实施情况5 (5)质量教育工作开展情况5 (6)质量总结与分析情况5 (7)参与客户投诉管理情况5 (8)《质量管理手册》制定与推行情况5 定量指标(1)百元制造成本质量成本20 (2)百元销售收入质量成本20 (3)质检效率提高率20 合计100 参考评分方法(1)定性指标。 1)“质量委员会日常工作开展情况”:优秀 5 分,良好 3 分,一般1 分,差 0 分。 2)“品质管理部日常工作开展情况”:优秀 5 分,良好 3 分,一般1 分,差 0 分。 3)“质量管理计划制定与实施情况”:优秀 5 分,良好 3 分,一般1 分,差 0 分。 4)“质量标准制定与实施情况”:优秀 5 分,良好 3 分,一般1 分,差 0 分。 5)“质量教育工作开展情况”:优秀 5 分,良好 3 分,一般 1 分,差 0 分。 6)“质量总结与分析情况” :优秀 5 分,良好 3 分,一般1 分,差 0 分。 7)“参与客户投诉管理情况”:优秀 5 分,良好 3 分,一般 1 分,差 0 分。 8)“《质量管理手册》制定与推行情况”:优秀 5 分,良好 3 分,一般 1 分,差 0 分。(2)定量指标。 1)“百元制造成本质量成本”:以历史最低水平为基数,达到历史最低水平给15 分;每低于历史最低水平1%则在 15 分基础上加1 分, 20 分为上限;每高于历史最低水平1%则扣 1 分,扣完为止。 2)“百元销售收入质量成本”:以历史最低水平为基数,达到历史最低水平给15 分;每低于历史最低水平 1%则在 15 分基础上加1 分, 20 分为上限;每高于历史最低水平1%则扣 1 分,扣完为止。 3 )“质检效率提高率” :以上期水平为基数,达到上期水平给15 分;比上期提高1%则在 15 分基础上加 1 分, 20 分为上限;比上期降低1%则扣 1 分,扣完为止。相 关 说明编 制 人员审核人员批准人员编 制 日期审核日期批准日期( 续)名称生产类考核 / 质量管理考核 / 考核方法编码版本页次2/7修改状态2.生产计划部考核分值表考核对象:生产计划部考核时间:指标类别指标分值实际得分备注...

1、当您付费下载文档后,您只拥有了使用权限,并不意味着购买了版权,文档只能用于自身使用,不得用于其他商业用途(如 [转卖]进行直接盈利或[编辑后售卖]进行间接盈利)。
2、本站所有内容均由合作方或网友上传,本站不对文档的完整性、权威性及其观点立场正确性做任何保证或承诺!文档内容仅供研究参考,付费前请自行鉴别。
3、如文档内容存在违规,或者侵犯商业秘密、侵犯著作权等,请点击“违规举报”。

碎片内容

质量管理考核考核方法

爱的疯狂+ 关注
实名认证
内容提供者

该用户很懒,什么也没介绍

相关文档

确认删除?
VIP
微信客服
  • 扫码咨询
会员Q群
  • 会员专属群点击这里加入QQ群
客服邮箱
回到顶部