电脑桌面
添加小米粒文库到电脑桌面
安装后可以在桌面快捷访问

贴砖技术交底

贴砖技术交底_第1页
1/11
贴砖技术交底_第2页
2/11
贴砖技术交底_第3页
3/11
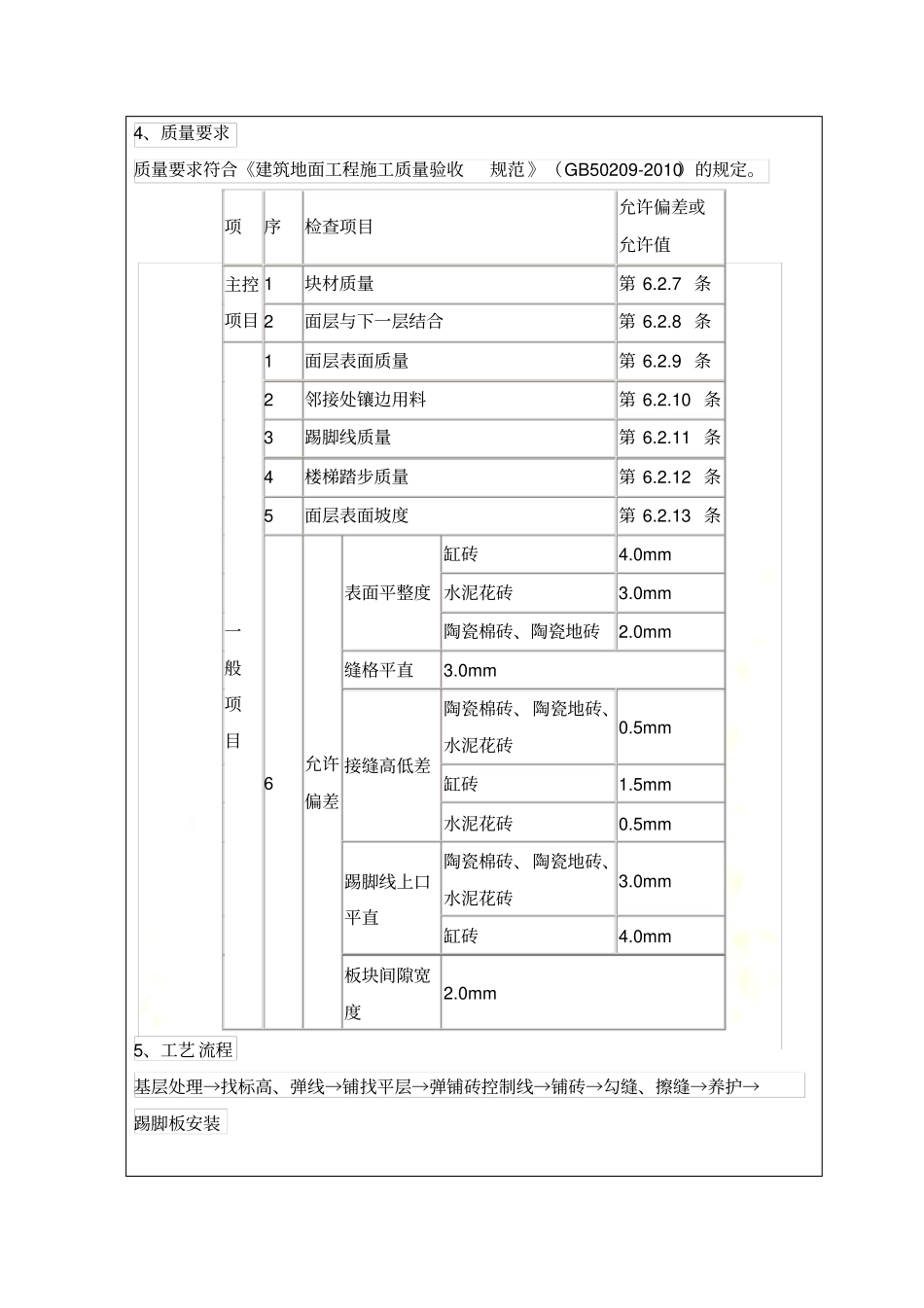
贴砖技术交底技术交底记录表 C2-1 编号006 工程名称拉萨堆龙德庆区古荣乡高海拔生态功能区生态搬迁安置项目交底日期2017 年 9 月 20 日施工单位四川省华必达建设有限公司分项工程名称贴砖技术交底交底提要地砖、墙砖技术交底交底内容:一、地砖铺贴技术交底:1、作业条件1)、墙上四周弹好 +0.5m水平控制线。2)、地面防水层已经做完,室内墙面润湿作业已经做完。3)、穿楼地面的管洞已经堵严塞实。4)、楼地面垫层已经做完。5)、板块应预先用水浸湿,并码放好,铺时达到表面无明水。6)、复杂的地面施工前,应绘制施工大样图,并做出样板间,经检查合格后,方可大面积施工。2、材料要求1)、水泥: 32.5 级及以上普通硅酸盐水泥或矿渣硅酸盐水泥。2)、砂:粗砂或中砂,含泥量不大于3%,过 8mm孔径的筛子。3)、面砖:进场验收合格后,在施工前应进行挑选,将有质量缺陷的先剔除,然后将面砖按大中小三类挑选后分别码放在垫木上。色号不同的严禁混用,选砖用木条钉方框模子,拆包后块块进行套选,长、宽、厚不得超过±lmm,平整度用直尺检查。3、施工机具小水桶、半截桶、笤帚、方尺、平锹、铁抹子、大杠、筛子、窄手推车、钢丝刷、喷壶、橡皮锤、小线、云石机、水平尺等。4、质量要求质量要求符合《建筑地面工程施工质量验收规范 》(GB50209-2010)的规定。项序检查项目允许偏差或允许值主控项目1 块材质量第 6.2.7 条2 面层与下一层结合第 6.2.8 条一般项目1 面层表面质量第 6.2.9 条2 邻接处镶边用料第 6.2.10 条3 踢脚线质量第 6.2.11 条4 楼梯踏步质量第 6.2.12 条5 面层表面坡度第 6.2.13 条6 允许偏差表面平整度缸砖4.0mm 水泥花砖3.0mm 陶瓷棉砖、陶瓷地砖2.0mm 缝格平直3.0mm 接缝高低差陶瓷棉砖、陶瓷地砖、水泥花砖0.5mm 缸砖1.5mm 水泥花砖0.5mm 踢脚线上口平直陶瓷棉砖、陶瓷地砖、水泥花砖3.0mm 缸砖4.0mm 板块间隙宽度2.0mm 5、工艺 流程基层处理→找标高、弹线→铺找平层→弹铺砖控制线→铺砖→勾缝、擦缝→养护→踢脚板安装6、操作工艺基层处理、定标高1)、将基层表面的浮土或砂浆铲掉,清扫干净,有油污时,应用10%火碱水刷净,并用清水冲洗干净。2)、根据 +0.5m水平控制线和设计图纸找出板面标高。7、弹控制线1)、先根据排砖图确定铺砌的缝隙宽度。2)、根据排砖图及缝宽在地面上弹纵、横控制线。注意该十字线与墙面抹灰时控制房间方正的十字线是否对应平行,同时注意开...

1、当您付费下载文档后,您只拥有了使用权限,并不意味着购买了版权,文档只能用于自身使用,不得用于其他商业用途(如 [转卖]进行直接盈利或[编辑后售卖]进行间接盈利)。
2、本站所有内容均由合作方或网友上传,本站不对文档的完整性、权威性及其观点立场正确性做任何保证或承诺!文档内容仅供研究参考,付费前请自行鉴别。
3、如文档内容存在违规,或者侵犯商业秘密、侵犯著作权等,请点击“违规举报”。

碎片内容

贴砖技术交底

爱的疯狂+ 关注
实名认证
内容提供者

该用户很懒,什么也没介绍

确认删除?
VIP
微信客服
  • 扫码咨询
会员Q群
  • 会员专属群点击这里加入QQ群
客服邮箱
回到顶部