电脑桌面
添加小米粒文库到电脑桌面
安装后可以在桌面快捷访问

起重机轨道安装中国标准

起重机轨道安装中国标准_第1页
1/4
起重机轨道安装中国标准_第2页
2/4
起重机轨道安装中国标准_第3页
3/4
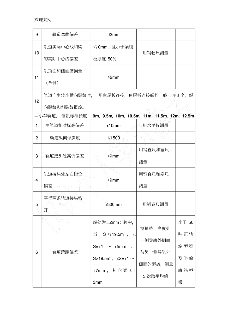
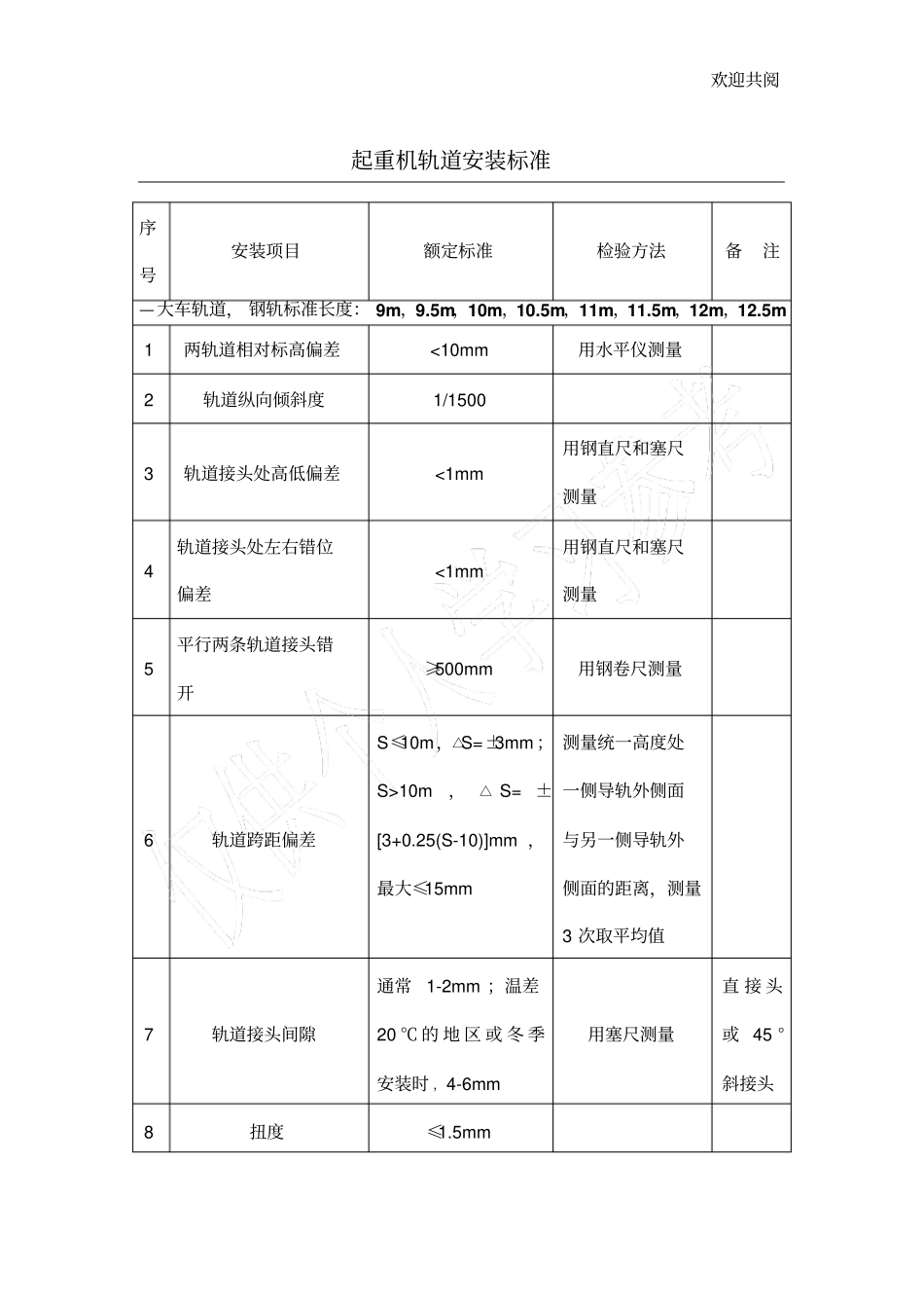
欢迎共阅起重机轨道安装标准序号安装项目额定标准检验方法备注—大车轨道, 钢轨标准长度: 9m,9.5m,10m,10.5m,11m,11.5m,12m,12.5m 1 两轨道相对标高偏差<10mm 用水平仪测量2 轨道纵向倾斜度1/1500 3 轨道接头处高低偏差<1mm 用钢直尺和塞尺测量4 轨道接头处左右错位偏差<1mm 用钢直尺和塞尺测量5 平行两条轨道接头错开≥500mm 用钢卷尺测量6 轨道跨距偏差S≤10m,△S=±3mm ;S>10m,△ S=±[3+0.25(S-10)]mm ,最大≤15mm 测量统一高度处一侧导轨外侧面与另一侧导轨外侧面的距离,测量3 次取平均值7 轨道接头间隙通常1-2mm ;温差20 ℃ 的 地 区 或 冬 季安装时 ,4-6mm 用塞尺测量直 接 头或 45 °斜接头8 扭度≤1.5mm 欢迎共阅9 轨道弯曲偏差≤3mm 10 轨道实际中心线和梁的实际中心线偏差≤10mm ,且小于梁腹板厚度 50% 用钢卷尺测量11 轨顶面和侧面磨损量(单侧)≤3mm 12 轨道产生较小横向裂纹时, 用鱼尾板连接,鱼尾板连接螺栓一般4-6 个;纵向裂纹和斜裂纹报废。—小车轨道, 钢轨标准长度: 9m,9.5m,10m,10.5m,11m,11.5m,12m,12.5m1 两轨道相对标高偏差<10mm 用水平仪测量2 轨道纵向倾斜度1/1500 3 轨道接头处高低偏差≤1mm 用钢直尺和塞尺测量4 轨道接头处左右错位偏差≤1mm 用钢直尺和塞尺测量5 平行两条轨道接头错开≥500mm 用钢卷尺测量6 轨道跨距偏差端处为±2mm ;跨中,当S ≤19.5m , △S=+1~ +5mm;S>19.5m , △S=+1 ~+7mm ; 其 它 梁 ≤±3mm 测量统一高度处一侧导轨外侧面与另一侧导轨外侧面的距离,测量3 次取平均值小于 50吨 正 轨箱 型 梁及 半 偏轨 箱 型梁欢迎共阅7 轨道接头间隙e≤2mm 用钢直尺和塞尺测量直 接 头或 45 °斜接头8 扭度≤1.5mm 9 轨道弯曲偏差≤3mm 10 轨顶面和侧面磨损 (单侧)≤3mm 11 端部轨道长度≥1.5m 用钢卷尺测量端 部 加挡块12 轨道产生较小横向裂纹, 用鱼尾板连接,鱼尾板连接螺栓一般4-6 个;纵向裂纹和斜裂纹报废。13 小车轨道每组垫铁不超2 块,长度不小于100mm ,宽度比钢轨底宽10-20mm ,2 组垫铁间距不小于200mm ,垫铁与轨道底面实际接触面积不应小于名义接触面积60% ,局部间隙不大于1mm。说明:1.轨道的直线性,可以用拉钢丝的方法进行检查,即在轨道两端车挡上拉一根 0.5mm 的钢丝,然后用吊线锤的方法逐点测量,间隔 2m左右。2.轨道标高,可用水平仪测量。3.钢轨的跨度用钢卷尺检查,尺一端用卡板固紧,另一端拴一个弹簧秤,其拉力对于跨度 10-19.5m 的起重机拉力取 98N,22-31.5m 的欢迎共阅起重机拉力取 147N,间隔 5m 测量一次,测量前在钢轨中间打一冲眼,各测量点弹簧秤拉力一致。

1、当您付费下载文档后,您只拥有了使用权限,并不意味着购买了版权,文档只能用于自身使用,不得用于其他商业用途(如 [转卖]进行直接盈利或[编辑后售卖]进行间接盈利)。
2、本站所有内容均由合作方或网友上传,本站不对文档的完整性、权威性及其观点立场正确性做任何保证或承诺!文档内容仅供研究参考,付费前请自行鉴别。
3、如文档内容存在违规,或者侵犯商业秘密、侵犯著作权等,请点击“违规举报”。

碎片内容

起重机轨道安装中国标准

您可能关注的文档

确认删除?
VIP
微信客服
  • 扫码咨询
会员Q群
  • 会员专属群点击这里加入QQ群
客服邮箱
回到顶部