电脑桌面
添加小米粒文库到电脑桌面
安装后可以在桌面快捷访问

软件安装检验批质量验收记录

软件安装检验批质量验收记录_第1页
1/3
软件安装检验批质量验收记录_第2页
2/3
软件安装检验批质量验收记录_第3页
3/3
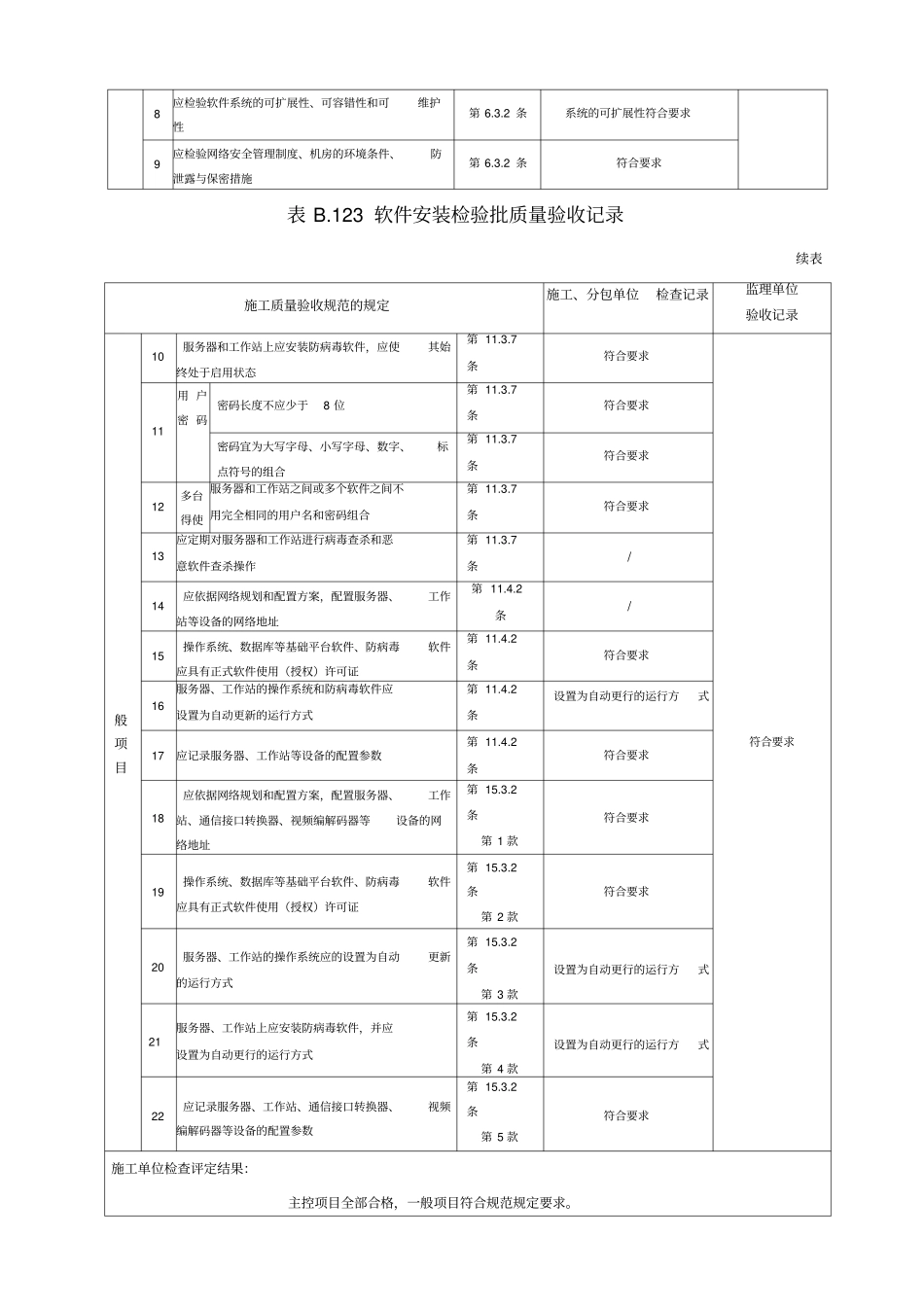
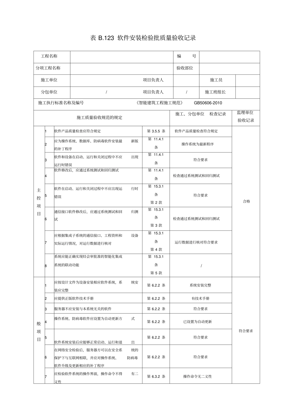
表 B.123 软件安装检验批质量验收记录工程名称编号分项工程名称验收部位施工单位项目负责人施工员分包单位/项目负责人/施工班组长施工执行标准名称及编号《智能建筑工程施工规范》GB50606-2010施工质量验收规范的规定施工、分包单位检查记录监理单位验收记录主控项目1软件产品质量检查应符合规定第 3.5.5 条软件产品质量检查符合规定合格2应为操作系统、数据库、防病毒软件安装最新版的补丁程序第 11.4.1条操作系统为最新程序3软件和设备在启动、运行和关闭过程中不应岀现运行时错误第 11.4.1条符合要求4软件修改后,应通过系统测试和回归测试第 11.4.1条检查通过系统测试和回归测试5软件在启动、运行和关闭过程中不应岀现运行时错误第 15.3.1条第 2 款符合要求6通信接口软件修改后,应通过系统测试和回归测试第 15.3.1条第 3 款检查通过系统测试和回归测试7应根据集成子系统的通信接口、工程资料和设备实际运行情况,对运行数据进行核对第 15.3.1条第 4 款运行数据进行核对符合要求8系统应能正确实现经会审批准的智能化集成系统的联动功能第 15.3.1条第 5 款/般项目1应按设计文件为设备安装相应软件系统,系统安装应完整第 6.2.2 条系统安装完整符合要求2应提供正版软件技术手册第 6.2.2 条有技术手册3服务器不应安装与本系统无关的软件第 6.2.2 条符合要求4操作系统、防病毒软件应设置为自动更新方式第 6.2.2 条已设置为自动更新5软件系统安装后应能够正常启动、运行和退岀第 6.2.2 条符合要求6在网络安全检验后,服务器方可以在安全系统的保护下与互联网相联,并应对操作系统、防病毒软件升级及更新相应的补丁程序第 6.2.2 条符合要求7应检验软件系统的操作界面,操作命令不得有二义性第 6.3.2 条操作命令无二义性8应检验软件系统的可扩展性、可容错性和可维护性第 6.3.2 条系统的可扩展性符合要求9应检验网络安全管理制度、机房的环境条件、防泄露与保密措施第 6.3.2 条符合要求表 B.123 软件安装检验批质量验收记录续表施工质量验收规范的规定施工、分包单位检查记录监理单位验收记录般项目10服务器和工作站上应安装防病毒软件,应使其始终处于启用状态第 11.3.7条符合要求符合要求11用 户密 码密码长度不应少于8 位第 11.3.7条符合要求密码宜为大写字母、小写字母、数字、标点符号的组合第 11.3.7条符合要求12多台得使服务器和工作站之间或多个软件之间不用完全相同的用户名和密码组合第 11.3...

1、当您付费下载文档后,您只拥有了使用权限,并不意味着购买了版权,文档只能用于自身使用,不得用于其他商业用途(如 [转卖]进行直接盈利或[编辑后售卖]进行间接盈利)。
2、本站所有内容均由合作方或网友上传,本站不对文档的完整性、权威性及其观点立场正确性做任何保证或承诺!文档内容仅供研究参考,付费前请自行鉴别。
3、如文档内容存在违规,或者侵犯商业秘密、侵犯著作权等,请点击“违规举报”。

碎片内容

软件安装检验批质量验收记录

文库响当当+ 关注
实名认证
内容提供者

该用户很懒,什么也没介绍

相关文档

确认删除?
VIP
微信客服
  • 扫码咨询
会员Q群
  • 会员专属群点击这里加入QQ群
客服邮箱
回到顶部