电脑桌面
添加小米粒文库到电脑桌面
安装后可以在桌面快捷访问

轴承装配通用技术要求

轴承装配通用技术要求_第1页
1/9
轴承装配通用技术要求_第2页
2/9
轴承装配通用技术要求_第3页
3/9
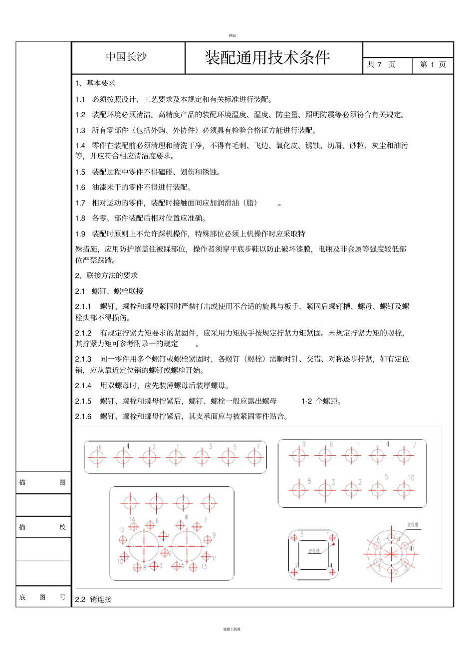
精品感谢下载载中国长沙装配通用技术条件共 7 页第 1 页1、基本要求1.1 必须按照设计、工艺要求及本规定和有关标准进行装配。1.2 装配环境必须清洁。高精度产品的装配环境温度、湿度、防尘量、照明防震等必须符合有关规定。1.3 所有零部件(包括外购、外协件)必须具有检验合格证方能进行装配。1.4 零件在装配前必须清理和清洗干净,不得有毛刺、飞边、氧化皮、锈蚀、切屑、砂粒、灰尘和油污等,并应符合相应清洁度要求。1.5 装配过程中零件不得磕碰、划伤和锈蚀。1.6 油漆未干的零件不得进行装配。1.7 相对运动的零件,装配时接触面间应加润滑油(脂)。1.8 各零、部件装配后相对位置应准确。1.9 装配时原则上不允许踩机操作,特殊部位必须上机操作时应采取特殊措施,应用防护罩盖住被踩部位,操作者须穿平底步鞋以防止破坏漆膜,电瓶及非金属等强度较低部位严禁踩踏。2、联接方法的要求2.1 螺钉、螺栓联接2.1.1 螺钉、螺栓和螺母紧固时严禁打击或使用不合适的旋具与板手,紧固后螺钉槽、螺母、螺钉及螺栓头部不得损伤。2.1.2 有规定拧紧力矩要求的紧固件,应采用力矩扳手按规定拧紧力矩紧固。未规定拧紧力矩的螺栓,其拧紧力矩可参考附录一的规定。2.1.3 同一零件用多个螺钉或螺栓紧固时,各螺钉(螺栓)需顺时针、交错、对称逐步拧紧,如有定位销,应从靠近定位销的螺钉或螺栓开始。2.1.4 用双螺母时,应先装薄螺母后装厚螺母。2.1.5 螺钉、螺栓和螺母拧紧后,螺钉、螺栓一般应露出螺母1-2 个螺距。2.1.6 螺钉、螺栓和螺母拧紧后,其支承面应与被紧固零件贴合。2.2 销连接描图描校底图号精品感谢下载载2.2.1 定位销的端面一般应略高出零件表面,带螺尾的锥销装入相关零件后,其大端应沉入孔内。2.2.2 开口销装入相关零件后,其尾部应分开60° 一 90° 。2.2.3重要的圆锥销装配时应与孔进行涂色检查, 其接触长度不应小于工作长度的60%,并应分布在接合面的两侧。装订号中国长沙装配通用技术条件共 7 页第 2 页2.3 键连接2.3.1 平键与固定键的键槽两侧面应均匀接触,其配合面间不得有间隙。2.3.2 间隙配合的键(或花键)装配后,相对运动的零件沿着轴向移动时,不得有松紧不均现象。2.2.3 钩头键、锲键装配后其接触面积应不小于工作面积的70%,且不接触部分不得集中于一处;外露部分的长度应为斜面长度的10%~15%。2.4 .铆接2.4.1 铆接的材料和规格尺寸必须符合设计要求。铆钉孔的加工应符合有关标准规定。2....

1、当您付费下载文档后,您只拥有了使用权限,并不意味着购买了版权,文档只能用于自身使用,不得用于其他商业用途(如 [转卖]进行直接盈利或[编辑后售卖]进行间接盈利)。
2、本站所有内容均由合作方或网友上传,本站不对文档的完整性、权威性及其观点立场正确性做任何保证或承诺!文档内容仅供研究参考,付费前请自行鉴别。
3、如文档内容存在违规,或者侵犯商业秘密、侵犯著作权等,请点击“违规举报”。

碎片内容

轴承装配通用技术要求

文库当当响+ 关注
实名认证
内容提供者

该用户很懒,什么也没介绍

确认删除?
VIP
微信客服
  • 扫码咨询
会员Q群
  • 会员专属群点击这里加入QQ群
客服邮箱
回到顶部