电脑桌面
添加小米粒文库到电脑桌面
安装后可以在桌面快捷访问

品管人员记录表格规范填写培训VIP免费

品管人员记录表格规范填写培训_第1页
1/6
品管人员记录表格规范填写培训_第2页
2/6
品管人员记录表格规范填写培训_第3页
3/6
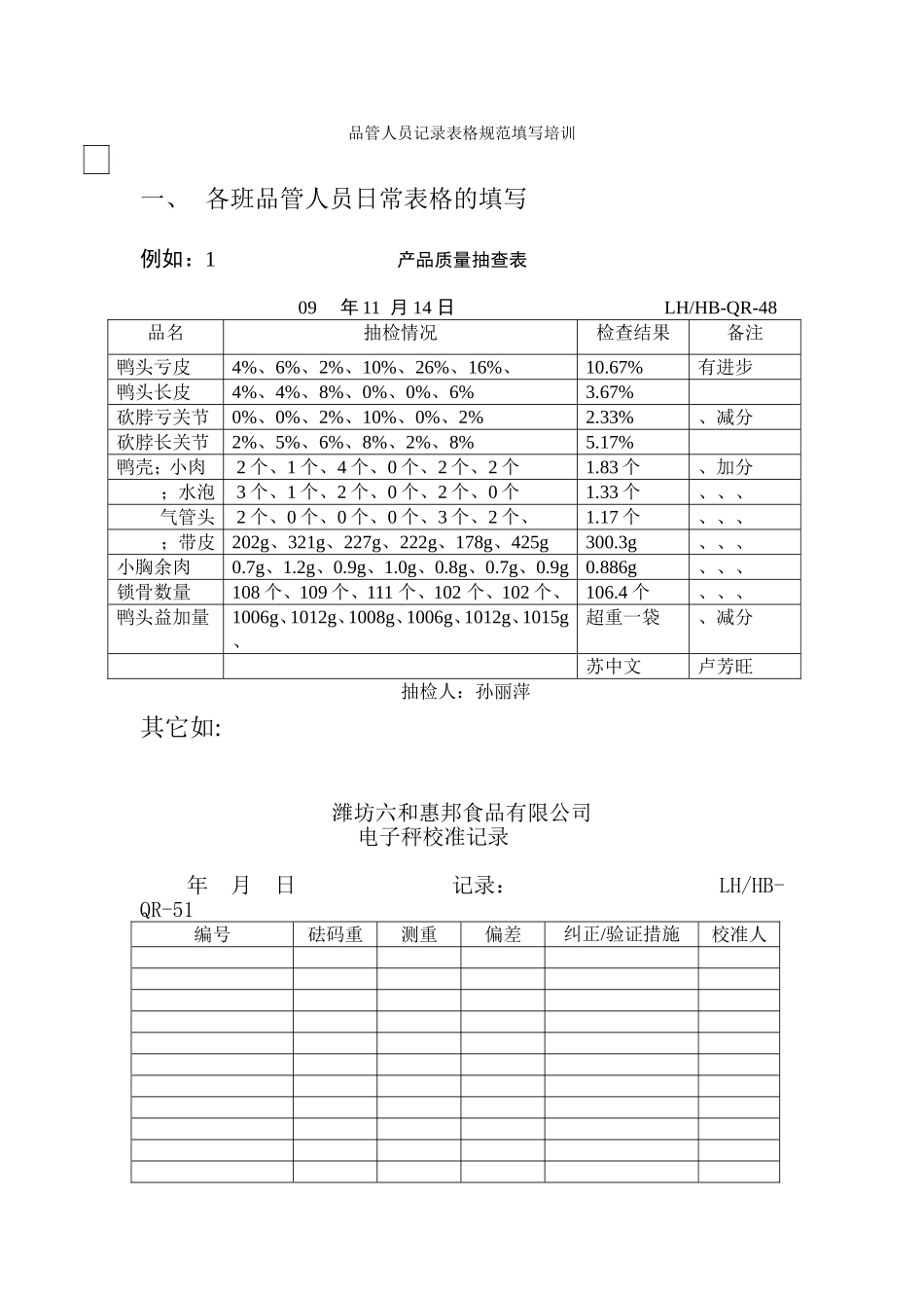
品管人员记录表格规范填写培训一、各班品管人员日常表格的填写例如:1产品质量抽查表09年11月14日LH/HB-QR-48品名抽检情况检查结果备注鸭头亏皮4%、6%、2%、10%、26%、16%、10.67%有进步鸭头长皮4%、4%、8%、0%、0%、6%3.67%砍脖亏关节0%、0%、2%、10%、0%、2%2.33%、减分砍脖长关节2%、5%、6%、8%、2%、8%5.17%鸭壳;小肉2个、1个、4个、0个、2个、2个1.83个、加分;水泡3个、1个、2个、0个、2个、0个1.33个、、、气管头2个、0个、0个、0个、3个、2个、1.17个、、、;带皮202g、321g、227g、222g、178g、425g300.3g、、、小胸余肉0.7g、1.2g、0.9g、1.0g、0.8g、0.7g、0.9g0.886g、、、锁骨数量108个、109个、111个、102个、102个、106.4个、、、鸭头益加量1006g、1012g、1008g、1006g、1012g、1015g、超重一袋、减分苏中文卢芳旺抽检人:孙丽萍其它如:潍坊六和惠邦食品有限公司电子秤校准记录年月日记录:LH/HB-QR-51编号砝码重测重偏差纠正/验证措施校准人注:偏差在±2g内为正常偏差范围,超出波动范围作纠正验证措施记录。审核:日期:库台冻鲜品返回产品记录表年月日品名数量返回原因责任方返回时间整改措施备注责任方签字二、年度对比表的建立1日小结表格=每天单质量问题的和/检查次数,例如:产品质量抽查表09年11月14日LH/HB-QR-48品名抽检情况检查结果备注鸭头亏皮4%、6%、2%、10%、26%、16%、10.67%有进步鸭头长皮4%、4%、8%、0%、0%、6%3.67%砍脖亏关节0%、0%、2%、10%、0%、2%2.33%、减分砍脖长关节2%、5%、6%、8%、2%、8%5.17%鸭壳;小肉2个、1个、4个、0个、2个、2个1.83个、加分;水泡3个、1个、2个、0个、2个、0个1.33个、、、气管头2个、0个、0个、0个、3个、2个、1.17个、、、;带皮202g、321g、227g、222g、178g、425g300.3g、、、小胸余肉0.7g、1.2g、0.9g、1.0g、0.8g、0.7g、0.9g0.886g、、、锁骨数量108个、109个、111个、102个、102个、106.4个、、、鸭头益加量1006g、1012g、1008g、1006g、1012g、1015g、超重一袋、减分苏中文卢芳旺抽检人:孙丽萍2、周小结表格的填写=每周所有小结的和/检查天数,例如:产品质量抽查表09年11月14—20日LH/HB-QR-48品名周抽检情况检查结果备注鸭头亏皮4%、6%、2%、10%、26%、16%、10.67%鸭头长皮4%、4%、8%、0%、0%、6%3.67%砍脖亏关节0%、0%、2%、10%、0%、2%2.33%砍脖长关节2%、5%、6%、8%、2%、8%5.17%鸭壳;小肉2个、1个、4个、0个、2个、2个1.83个;水泡3个、1个、2个、0个、2个、0个1.33个气管头2个、0个、0个、0个、3个、2个、1.17个;带皮202g、321g、227g、222g、178g、425g300.3g小胸余肉0.7g、1.2g、0.9g、1.0g、0.8g、0.7g、0.9g0.886g锁骨数量108个、109个、111个、102个、102个、106.4个鸭头益加量1006g、1012g、1008g、1006g、1012g、1015g、超重一袋抽检人:孙丽萍3、月小结表格=每月周小结的和/周小结次数,例如产品质量抽查表09年11月LH/HB-QR-48品名抽检情况检查结果备注鸭头亏皮4%、6%、2%、10%、26%、16%、10.67%鸭头长皮4%、4%、8%、0%、0%、6%3.67%砍脖亏关节0%、0%、2%、10%、0%、2%2.33%砍脖长关节2%、5%、6%、8%、2%、8%5.17%鸭壳;小肉2个、1个、4个、0个、2个、2个1.83个;水泡3个、1个、2个、0个、2个、0个1.33个气管头2个、0个、0个、0个、3个、2个、1.17个;带皮202g、321g、227g、222g、178g、425g300.3g小胸余肉0.7g、1.2g、0.9g、1.0g、0.8g、0.7g、0.9g0.886g锁骨数量108个、109个、111个、102个、102个、106.4个鸭头益加量1006g、1012g、1008g、1006g、1012g、1015g、超重一袋抽检人:孙丽萍4、月与月之间小结对比=本月小结/上月小结,例如产品质量抽查表09年11—12月LH/HB-QR-48品名抽检情况检查结果备注鸭头亏皮4%、6%、、2%退步鸭头长皮4%、4%、0砍脖亏关节0%、0%、.0砍脖长关节2%、5%、3%退步鸭壳;小肉2个、1个、-1个进步;水泡3个、1个、-2个进步气管头2个、0个、-2个进步;带皮202g、321g、191g退步小胸余肉0.7g、1.2g、0.5g退步锁骨数量108个、109个、、1个退步鸭头益加量超重3袋、(短重3袋、超重4袋)4袋退步抽检人:孙丽萍5、年小结以此类推6、备注:因时间少可只做半月或每月小结=每月每日单质量问题的总和/总天数。例如:月质量检查品名日期平均头亏皮头长皮脖亏关节脖长关节鸭壳小肉水泡气管头带皮小胸余肉锁骨数量头益加量三、质量反馈表的填写例如:库台冻鲜品返回产品记录表年月日品名数量返回原因责任方返回时间整改措施备注责任方签字备注:以反馈三次以上没有给予解决的写反馈表整改

1、当您付费下载文档后,您只拥有了使用权限,并不意味着购买了版权,文档只能用于自身使用,不得用于其他商业用途(如 [转卖]进行直接盈利或[编辑后售卖]进行间接盈利)。
2、本站所有内容均由合作方或网友上传,本站不对文档的完整性、权威性及其观点立场正确性做任何保证或承诺!文档内容仅供研究参考,付费前请自行鉴别。
3、如文档内容存在违规,或者侵犯商业秘密、侵犯著作权等,请点击“违规举报”。

碎片内容

品管人员记录表格规范填写培训

您可能关注的文档

确认删除?
VIP
微信客服
  • 扫码咨询
会员Q群
  • 会员专属群点击这里加入QQ群
客服邮箱
回到顶部