电脑桌面
添加小米粒文库到电脑桌面
安装后可以在桌面快捷访问

法兰标准尺寸表

法兰标准尺寸表_第1页
1/14
法兰标准尺寸表_第2页
2/14
法兰标准尺寸表_第3页
3/14
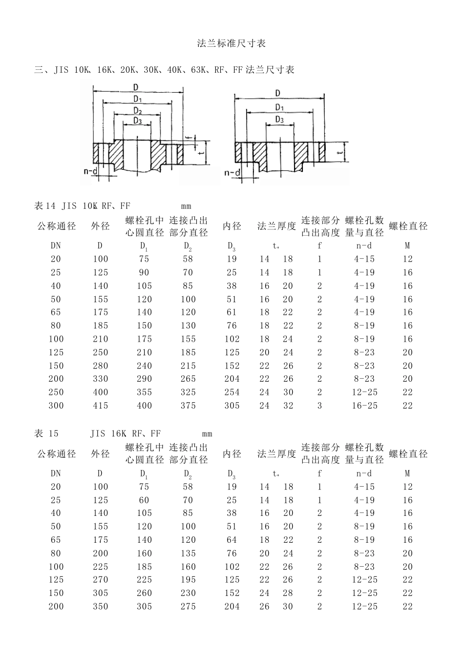
法兰标准尺寸表 三、JIS 10K、16K、20K、30K、40K、63K、RF、FF 法兰尺寸表 表14 JIS 10K、RF、FF mm 公称通径 外径 螺栓孔中心圆直径 连接凸出部分直径 内径 法兰厚度 连接部分凸出高度 螺栓孔数量与直径 螺栓直径 DN D D1 D2 D3 t* f n-d M 20 100 75 58 19 14 18 1 4-15 12 25 125 90 70 25 14 18 1 4-19 16 40 140 105 85 38 16 20 2 4-19 16 50 155 120 100 51 16 20 2 4-19 16 65 175 140 120 61 18 22 2 4-19 16 80 185 150 130 76 18 22 2 8-19 16 100 210 175 155 102 18 24 2 8-19 16 125 250 210 185 125 20 24 2 8-23 20 150 280 240 215 152 22 26 2 8-23 20 200 330 290 265 204 22 26 2 8-23 20 250 400 355 325 254 24 30 2 12-25 22 300 415 400 375 305 24 32 3 16-25 22 表 15 JIS 16K、RF、FF mm 公称通径 外径 螺栓孔中心圆直径 连接凸出部分直径 内径 法兰厚度 连接部分凸出高度 螺栓孔数量与直径 螺栓直径 DN D D1 D2 D3 t* f n-d M 20 100 75 58 19 14 18 1 4-15 12 25 125 60 70 25 14 18 1 4-19 16 40 140 105 85 38 16 20 2 4-19 16 50 155 120 100 51 16 20 2 8-19 16 65 175 140 120 64 18 22 2 8-19 16 80 200 160 135 76 20 24 2 8-23 20 100 225 185 160 102 22 26 2 8-23 20 125 270 225 195 125 22 26 2 12-25 22 150 305 260 230 152 24 28 2 12-25 22 200 350 305 275 204 26 30 2 12-25 22 250 430 380 345 254 28 34 2 12-27 24 300 480 430 395 305 30 36 3 16-27 24 表16 JIS 20K、RF、FF mm 公称通径 外径 螺栓孔中心圆直径 连接凸出部分直径 内径 法兰厚度 连接部分凸出高度 螺栓孔数量与直径 螺栓直径 DN D D1 D2 D3 t* f n-d M 20 100 75 58 19 16 18 1 4-15 12 25 125 90 70 25 16 20 1 4-19 16 40 140 105 85 38 18 22 2 4-19 16 50 155 120 100 51 18 22 2 8-19 16 65 175 140 120 64 20 24 2 8-19 16 80 200 160 135 76 22 26 2 8-23 20 100 225 185 160 102 24 28 2 8-23 20 125 270 ...

1、当您付费下载文档后,您只拥有了使用权限,并不意味着购买了版权,文档只能用于自身使用,不得用于其他商业用途(如 [转卖]进行直接盈利或[编辑后售卖]进行间接盈利)。
2、本站所有内容均由合作方或网友上传,本站不对文档的完整性、权威性及其观点立场正确性做任何保证或承诺!文档内容仅供研究参考,付费前请自行鉴别。
3、如文档内容存在违规,或者侵犯商业秘密、侵犯著作权等,请点击“违规举报”。

碎片内容

法兰标准尺寸表

您可能关注的文档

确认删除?
VIP
微信客服
  • 扫码咨询
会员Q群
  • 会员专属群点击这里加入QQ群
客服邮箱
回到顶部