电脑桌面
添加小米粒文库到电脑桌面
安装后可以在桌面快捷访问

热电厂月公司生产安全简报

热电厂月公司生产安全简报_第1页
1/8
热电厂月公司生产安全简报_第2页
2/8
热电厂月公司生产安全简报_第3页
3/8
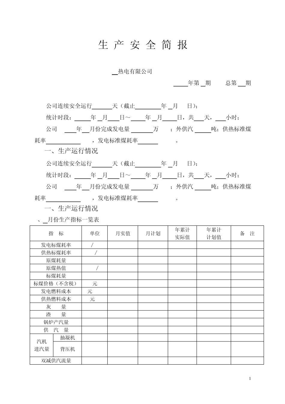
1 生 产 安 全 简 报 热电有限公司 20 14 年第4期 总第28期 公司连续安全运行 1533 天(截止 2014 年4月25日); 统计时段: 2014年3月 26 日~2014 年4月 25 日,共 31天,744小时; 公司20 14 年 4月份完成发电量188.628万 kwh;外供汽31911吨;供热标准煤耗率 122.56 kg/t,发电标准煤耗率 124.49g/kw.h。 一、生产运行情况 公司连续安全运行 1533 天(截止 2014 年4月25日); 统计时段: 2014年3月 26 日~2014 年4月 25 日,共 31天,744小时; 公司20 14 年 4月份完成发电量188.628万 kwh;外供汽31911吨;供热标准煤耗率 122.56 kg/t,发电标准煤耗率 124.49g/kw.h。 一、生产运行情况 1、4月份生产指标一览表 指 标 单位 月实值 月计划 年累计 实际值 年累计 计划值 备 注 发电标煤耗率 g∕kwh 124.49 232.69 174.76 207.39 供热标煤耗率 kg∕t 122.56 122.56 122.56 122.56 原煤耗量 t 6149.37 6250 51755.58 52013 原煤热值 kcal∕kg 4881.37 5000 4881.37 5000 标煤耗量 t 4293.19 4464.29 36168.76 37152.14 标煤价格(不含税) 元 770.83 820.29 发电燃料成本 元/kwh 0.0960 0.1434 供热燃料成本 元/t 94.4728 100.5351 灰 量 t 1562.24 9705.12 渣 量 t 1088.56 6923.24 锅炉产汽量 t 35013 39986 312358 332760 供 汽 量 t 31911 32000 258859 266300 汽机 进汽量 抽凝机 t 0 0 / 背压机 t 33404 305806 双减供汽流量 t 575 2695 2 自用汽量 t 800 7986 37409 66460 自用汽率 % 2.28 14.2 11.98 14.37 发电量 抽凝机 万kwh 0 0 / 背压机 万kwh 188..628 197 1930.008 1863 售 电 量 万kwh 132.123 133.31 1498.8938 1306.42 供 电 量 万kwh 131.647 134.10 1500.0978 1327.90 外购电量 万kwh 1.724 1.724 吨供汽耗厂用电量 kwh∕t 17.93 19.72 16.44 20.09 厂用电率 % 30.33 32 22.05 29 用水量 自 来 水 t 1997 1564 6673 6181 原 水 t 53130 61058 349167 519230 产汽耗水率 t/t 1.57 1.57 1.14 1.58 酸 t 18.28 18 85.16 146 碱 t 19.82 12 71.46 102 石灰石 t 147.92 630.92 污泥焚烧量 t 2455.80 1395 17835.64 10845 锅炉平均热效率 % 运行情 况说明 1...

1、当您付费下载文档后,您只拥有了使用权限,并不意味着购买了版权,文档只能用于自身使用,不得用于其他商业用途(如 [转卖]进行直接盈利或[编辑后售卖]进行间接盈利)。
2、本站所有内容均由合作方或网友上传,本站不对文档的完整性、权威性及其观点立场正确性做任何保证或承诺!文档内容仅供研究参考,付费前请自行鉴别。
3、如文档内容存在违规,或者侵犯商业秘密、侵犯著作权等,请点击“违规举报”。

碎片内容

热电厂月公司生产安全简报

您可能关注的文档

确认删除?
VIP
微信客服
  • 扫码咨询
会员Q群
  • 会员专属群点击这里加入QQ群
客服邮箱
回到顶部