电脑桌面
添加小米粒文库到电脑桌面
安装后可以在桌面快捷访问

过热器管道焊接工艺及标准分析

过热器管道焊接工艺及标准分析_第1页
1/7
过热器管道焊接工艺及标准分析_第2页
2/7
过热器管道焊接工艺及标准分析_第3页
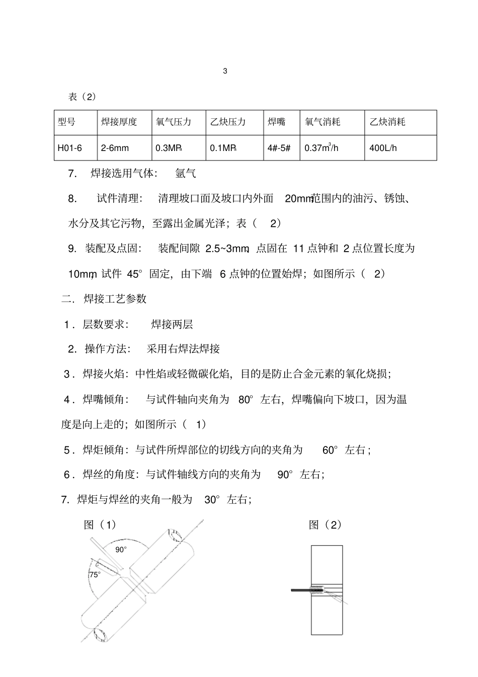
3/7
检修公司西工业区项目部135MW#2锅炉高温过热器12Cr1MoVG焊接工艺标准项目名称:西工业区135MW#2锅炉高温过热器检修焊接单位:石河子天富水利电力有限责任公司检修安装分公司工作单位:石河子市国能能源投资有限公司西工区分公司时间:二零一五年七月1 小管径斜 45° 对接气焊工艺(OFW)—— 12Cr1MoVΦ 38×5mmV形坡口对接焊——:针对西工业区 #2 锅炉的高温过热器焊接, 材料为 12Cr1MoVG,直径为 38mm、管壁的厚度为5mm,检修公司采用右焊法进行焊接。一. 焊前准备1.过热器材料: 12Cr1MoVG Φ 38×5mm; 2.材料及坡口:锅炉高温过热器管道,60° ± 5° V 形坡口,钝边0.5~1mm,如图 1 所示; 60±5° 60×4.5 125 图( 1)3.焊接位置: 45° ; 4.焊接要求:单面焊双面成形;5.焊接材料:焊丝 H08CrMoVA Φ 2.5 ;(详见表 1)表(1)焊丝牌号代号化学成分( %)用途碳锰硅铬镍钼硫磷钒焊 08 铬钼高H08Cr MoVA ≦0.10 0.40- 0.70 0.15- 0.35 1.00- 1.30 ≦0.30 0.50- 0.70 ≦0.030 ≦0.030 0.15- 0.35 焊接铬钼钒钢等6.焊接工具选用(详见表 2) 3 表(2)型号焊接厚度氧气压力乙炔压力焊嘴氧气消耗乙炔消耗H01-6 2-6mm 0.3MPa 0.1MPa4#-5# 0.37m3/h 400L/h 7. 焊接选用气体:氩气8.试件清理:清理坡口面及坡口内外面20mm范围内的油污、锈蚀、水分及其它污物,至露出金属光泽;表(2)9. 装配及点固:装配间隙 2.5~3mm、点固在 11 点钟和 2 点位置长度为10mm,试件 45° 固定,由下端 6 点钟的位置始焊;如图所示(2)二. 焊接工艺参数 1 .层数要求:焊接两层2.操作方法:采用右焊法焊接 3 .焊接火焰:中性焰或轻微碳化焰,目的是防止合金元素的氧化烧损; 4 .焊嘴倾角:与试件轴向夹角为80° 左右,焊嘴偏向下坡口,因为温度是向上走的;如图所示(1) 5 .焊炬倾角:与试件所焊部位的切线方向的夹角为60° 左右 ; 6 .焊丝的角度:与试件轴线方向的夹角为90° 左右;7.焊炬与焊丝的夹角一般为30° 左右;图(1)图(2)90°75°4 图( 3)图(4)45°75°90°图( 5)图(6)三.操作要点及注意事项过热器焊接采用右焊法,右焊法的特点是:在焊接过程中火焰始终笼罩着以焊的焊缝金属,使熔池冷却缓慢,有助于改善焊缝的金属组织,减少气孔夹渣的产生。另外,这种焊法还有热量集中,熔透深度大等优点,所以适合焊接厚度较大、熔点较高...

1、当您付费下载文档后,您只拥有了使用权限,并不意味着购买了版权,文档只能用于自身使用,不得用于其他商业用途(如 [转卖]进行直接盈利或[编辑后售卖]进行间接盈利)。
2、本站所有内容均由合作方或网友上传,本站不对文档的完整性、权威性及其观点立场正确性做任何保证或承诺!文档内容仅供研究参考,付费前请自行鉴别。
3、如文档内容存在违规,或者侵犯商业秘密、侵犯著作权等,请点击“违规举报”。

碎片内容

过热器管道焊接工艺及标准分析

文库当当响+ 关注
实名认证
内容提供者

该用户很懒,什么也没介绍

确认删除?
VIP
微信客服
  • 扫码咨询
会员Q群
  • 会员专属群点击这里加入QQ群
客服邮箱
回到顶部