电脑桌面
添加小米粒文库到电脑桌面
安装后可以在桌面快捷访问

中级钳工图纸

中级钳工图纸_第1页
1/6
中级钳工图纸_第2页
2/6
中级钳工图纸_第3页
3/6
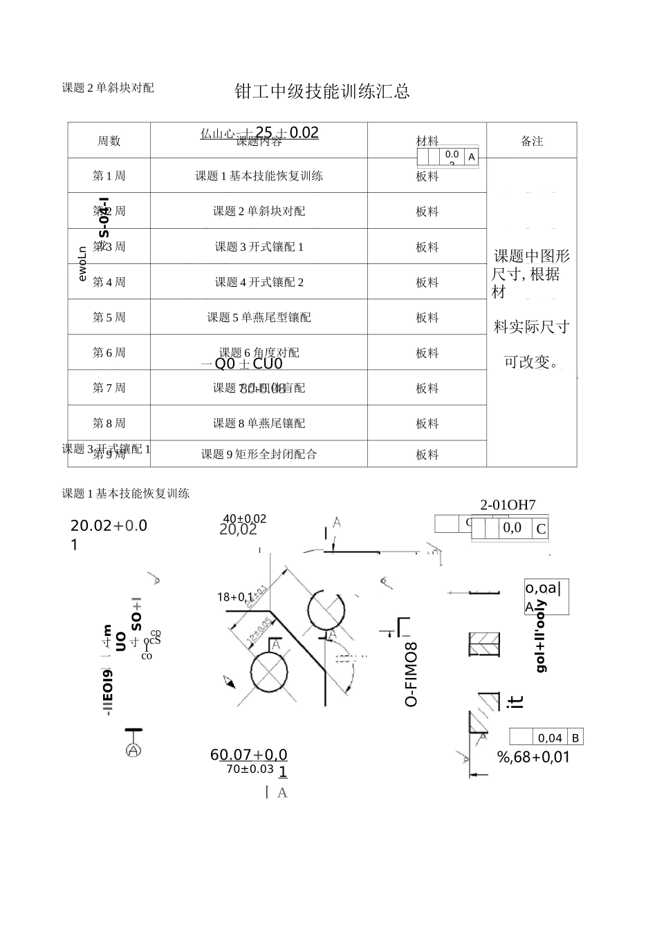
钳工中级技能训练汇总周数课题内容材料备注第 1 周课题 1 基本技能恢复训练板料第 2 周课题 2 单斜块对配板料第 3 周课题 3 开式镶配 1板料课题中图形第 4 周课题 4 开式镶配 2板料尺寸,根据材第 5 周课题 5 单燕尾型镶配板料料实际尺寸第 6 周课题 6 角度对配板料可改变。第 7 周课题 7 凸凹体盲配板料第 8 周课题 8 单燕尾镶配板料第 9 周课题 9 矩形全封闭配合板料课题 1 基本技能恢复训练40±0,020,04B70±0.03CID斗B18+0,1m〔一一CDocSIcoo,oa|Ait课题 2 单斜块对配仏山心 - 十 25 士 0.02 0.02AewoLnS-04-I龙一 Q0 士 CU080-0.08课题 3 开式镶配 120.02+0.0120,022-01OH7SO+I寸UO寸EOI-1-IIEOI960.07 + 0,0 1丨 A0,02C一O-FIMO8gol+ll'ooly%,68+0,01课题 4 开式镶配 2-TV00.02E4 亍±4’© 15 土 3.10aoo+ls0.0QA■L:=u.U2技术芟求1. 各配合面间隙小于 0.042. 镶配图 C-U 不直度允差 A043 一两孔距 52±0.1E 两次攘配后测量均达要求4•去毛刺、倒*0.3*45°,孔口倒角0,5*45"课题 5 单燕尾型镶配CZZ:'5X45*co©0a-HJQ.QEA.p±n.n.^*4±0,1 串 7E=S:^技术要求K 裁削方抉不许-惟*俨挫扶锐.瀟处R<0.20?棱边去毛剌”口削角 0.5X°2、件口按件 I 滔型面的作用间隙不大于 0.04V 镶配时不许融打压入,件 I 与件口配合后外侧 60±0.02 挫边不大于 0.06.4.淮备时间 30 分钟,加工时间不许延长课题 6 角度对配三0,05BL0,03C5LO■mg|U±U.L|4EICI^CL□它0,03A0.03技术要求1,为不能加工瞥烧若加工者扣黒融 L—10 舜・E.frnMT 配也磷■间 I®单面不尢旳,04,3, 锂拗工囲不弃用纱布、油石打光,4, 不许開推铲毬方湖卩工5,不允许有崩倉觎 t 其余均古毛軌孔口倒帘0.5x45Q,课题 7 凸凹体盲配已此炮髓轧船册」辟購妾 0・Cl4rnm10B.技术要求L 以件 1 锂配件 2N 所有锂削平面与基唯 4 垂直度%OQFrm、\7=玄酉己合间 1^0.05mm.“”、一4.配合面两侧错位量〔「,06mm.单燕屋镶配.翻转配合对称度 0.06mm.课题 9 矩形全封闭配合■3-08H8课题 8 单燕尾镶配:.-厂4-III7T—-=-0.Q&TF^OJ13精心搜集整理,只为你的需要

1、当您付费下载文档后,您只拥有了使用权限,并不意味着购买了版权,文档只能用于自身使用,不得用于其他商业用途(如 [转卖]进行直接盈利或[编辑后售卖]进行间接盈利)。
2、本站所有内容均由合作方或网友上传,本站不对文档的完整性、权威性及其观点立场正确性做任何保证或承诺!文档内容仅供研究参考,付费前请自行鉴别。
3、如文档内容存在违规,或者侵犯商业秘密、侵犯著作权等,请点击“违规举报”。

碎片内容

中级钳工图纸

确认删除?
VIP
微信客服
  • 扫码咨询
会员Q群
  • 会员专属群点击这里加入QQ群
客服邮箱
回到顶部