电脑桌面
添加小米粒文库到电脑桌面
安装后可以在桌面快捷访问

1 调质热处理工艺

1  调质热处理工艺_第1页
1/22
1  调质热处理工艺_第2页
2/22
1  调质热处理工艺_第3页
3/22
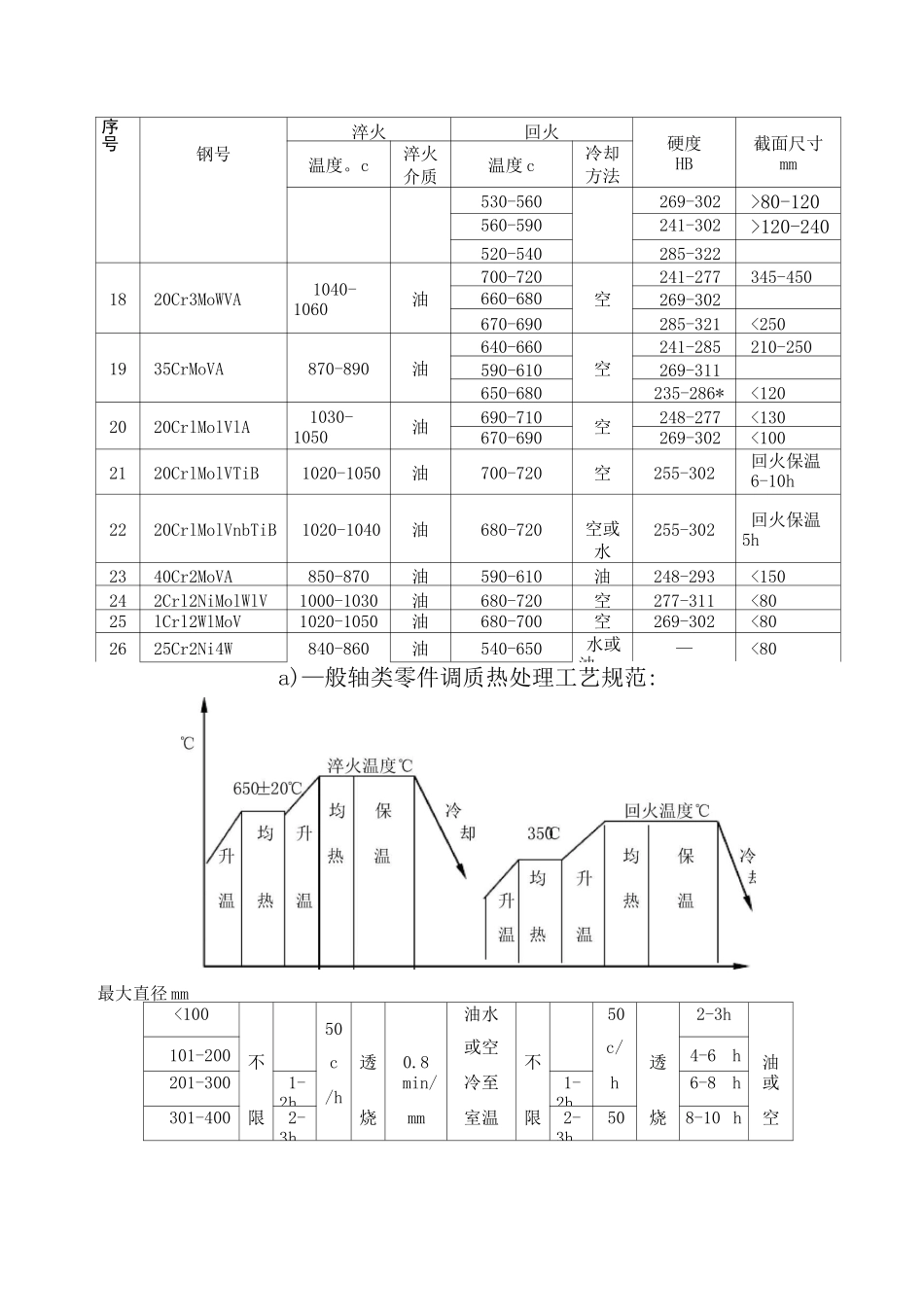
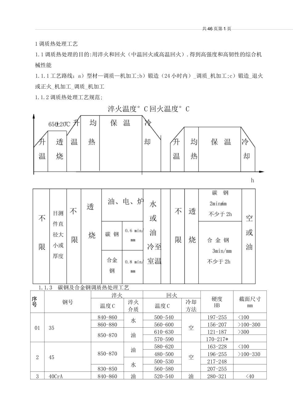
共 46 页第 1 页1 调质热处理工艺1.1 调质热处理的目的:用淬火和回火(中温回火或高温回火).得到高强度和高韧性的综合机械性能1.1.1 工艺路线;a)型材—调质—机加工;b)锻造(24 小时内)_调质_机加工;c)锻造_退火或正火_机加工_调质_机加工1.1.2 调质热处理工艺规范;淬火温度°C 回火温度°C序号钢号淬火回火硬度HB截面尺寸mm温度 C淬火介质温度 C冷却方法0135840-860水500-540空197-255<100860-880560-600156-207>100-300850-870油610-630121-187>300570-590170-217*245850-870油580-620空163-228<100480-500196-255>100-330水500-530217-248830-850560-580207-255340CrA840-860油520-540油280-321<40序号钢号淬火回火硬度HB截面尺寸mm温度。c淬火介质温度 c冷却方法540-560269-302550-570241-277>40-60570-590217-255*>60-120590-610192-223>120412Cr1MoVA980-1000740-760空131-163<160515CrMoA900-920油540-560空207-241<210570-590170-207*620CrMoA880-900水550-570空220-270<100570-590197-241*<200620-640163-187734CrMoA35CrMoA860-880油550-570空255-311<70580-600241-302>70-100610-640217-265*530-550241-265>100925Cr2MoVA920-940油640-660空269-311截面<150670-690248-293*截面<1201034CrNi3Mo850-870油540-570空293-321<250580-600269-302>300-350610-650241-277*>3501130CrMnSiA870-890油510-530油269-341<80550-570229-269610-630187-228*1238CrMoAlA930-950油600-620空293-321<60610-630277-302*>60-100640-660241-277>10038CrMoAlA*660-680241-285进口1330Cr1Mo1V940-960680-700空241-2771435SiMnA880-900油560-580油217-269<100590-600217-262>100-300590-600212-255>300-400590-600196-255>400-500序号钢号淬火回火硬度法 HB截面尺寸mm温度 c淬火介•质温度 c冷却方1542CrMoA840-860油550-570空255-321<60560-580248-311>60-100580-600241-302>100-180590-610248-277>1801630Cr2MoVA940-960油660-680空269-302<150670-690241-277>150-250700-720197-229>250-5001740CrNiMoA840-860油520-540空269-341<80序号钢号淬火回火硬度HB截面尺寸mm温度。c淬火介质温度 c冷却方法530-560269-302>80-120560-590241-302>120-240520-540285-3221820Cr3MoWVA1040-1060油700-720空241-277345-450660-680269-302670-690285-321<2501935CrMoVA870-890油640-660空241-285210-250590-610269-311650-680235-286*<1202020Crl...

1、当您付费下载文档后,您只拥有了使用权限,并不意味着购买了版权,文档只能用于自身使用,不得用于其他商业用途(如 [转卖]进行直接盈利或[编辑后售卖]进行间接盈利)。
2、本站所有内容均由合作方或网友上传,本站不对文档的完整性、权威性及其观点立场正确性做任何保证或承诺!文档内容仅供研究参考,付费前请自行鉴别。
3、如文档内容存在违规,或者侵犯商业秘密、侵犯著作权等,请点击“违规举报”。

碎片内容

1 调质热处理工艺

确认删除?
VIP
微信客服
  • 扫码咨询
会员Q群
  • 会员专属群点击这里加入QQ群
客服邮箱
回到顶部