电脑桌面
添加小米粒文库到电脑桌面
安装后可以在桌面快捷访问

重大及一般危险源及控制措施

重大及一般危险源及控制措施_第1页
1/10
重大及一般危险源及控制措施_第2页
2/10
重大及一般危险源及控制措施_第3页
3/10
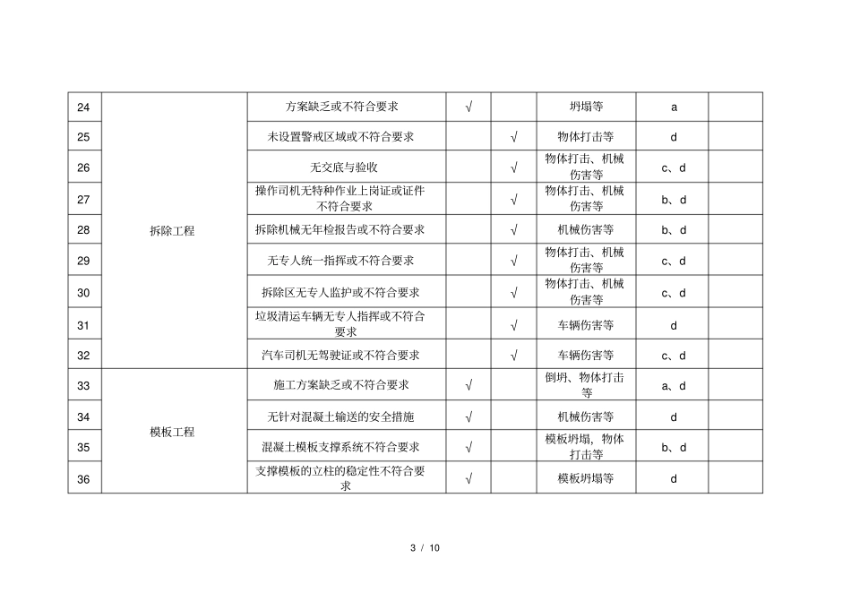
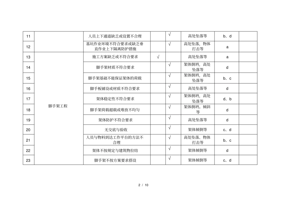
1 / 10 重大∕一般危险源及控制措施单位:中亿丰越南公司工程名称:越南芹苴市生活垃圾焚烧发电项目工程项目部序号作业∕活动∕设施∕场所危险源重大一般可能导致的事故控制措施备注1 土方开挖施工机械有缺陷√机械伤害,倾覆等d 2 施工机械的作业位置不符合要求√倾覆,触电等d 3 挖土机司机无证或违章作业√机械伤害等c、d 4 其他人员违规进入挖土机作业区域√机械伤害b、d 5 基坑支护支护方案或设计缺乏或者不符合要求√坍塌等a 6 临边防护措施缺乏获知不符合要求√坍塌等a、d 7 未定期对支撑、 边坡进行监视、 测量√坍塌等b、d 8 坑壁支护不符合要求√坍塌等b、d 9 排水措施缺乏或者措施不当√坍塌等d 10 积土料具堆放或机械设备施工不合理造成坑边荷载超载√坍塌等b、d 2 / 10 11 人员上下通道缺乏或设置不合理√高处坠落等b、d 12 基坑作业环境不符合要求或缺乏垂直作业上下隔离防护措施√高处坠落,物体打击等a 13 脚手架工程施工方案缺乏或不符合要求√高处坠落等a 14 脚手架材质不符合要求√架体倒坍,高处坠落等d 15 脚手架基础不能保证架体的荷载√架体倒坍,高处坠落等b、c 16 脚手板铺设或材质不符合要求√高处坠落等d 17 架体稳定性不符合要求√架体倒坍,高处坠落等d、b 18 脚手架荷载超载或堆放不均匀√架体倒坍。倾斜等d 19 架体防护不符合要求√高处坠落等d 20 无交底与验收√架体倾倒等c、d 21 人员与物料到达工作平台的方法不合理√高处坠落、物体打击等b、c 22 架体不按规定与建筑物拉结√架体倾倒等d 23 脚手架不按方案要求搭设√架体倾倒等c、d 3 / 10 24 拆除工程方案缺乏或不符合要求√坍塌等a 25 未设置警戒区域或不符合要求√物体打击等d 26 无交底与验收√物体打击、机械伤害等c、d 27 操作司机无特种作业上岗证或证件不符合要求√物体打击、机械伤害等b、d 28 拆除机械无年检报告或不符合要求√机械伤害等b、d 29 无专人统一指挥或不符合要求√物体打击、机械伤害等c、d 30 拆除区无专人监护或不符合要求√物体打击、机械伤害等c、d 31 垃圾清运车辆无专人指挥或不符合要求√车辆伤害等d 32 汽车司机无驾驶证或不符合要求√车辆伤害等c、d 33 模板工程施工方案缺乏或不符合要求√倒坍、物体打击等a、d 34 无针对混凝土输送的安全措施√机械伤害等d 35 混凝土模板支撑系统不符合要求√模板坍塌,物体打击等b、d 36 支撑模板的立...

1、当您付费下载文档后,您只拥有了使用权限,并不意味着购买了版权,文档只能用于自身使用,不得用于其他商业用途(如 [转卖]进行直接盈利或[编辑后售卖]进行间接盈利)。
2、本站所有内容均由合作方或网友上传,本站不对文档的完整性、权威性及其观点立场正确性做任何保证或承诺!文档内容仅供研究参考,付费前请自行鉴别。
3、如文档内容存在违规,或者侵犯商业秘密、侵犯著作权等,请点击“违规举报”。

碎片内容

重大及一般危险源及控制措施

文库当当响+ 关注
实名认证
内容提供者

该用户很懒,什么也没介绍

确认删除?
VIP
微信客服
  • 扫码咨询
会员Q群
  • 会员专属群点击这里加入QQ群
客服邮箱
回到顶部