电脑桌面
添加小米粒文库到电脑桌面
安装后可以在桌面快捷访问

重点煤气区域设施集中监控方案

重点煤气区域设施集中监控方案_第1页
1/7
重点煤气区域设施集中监控方案_第2页
2/7
重点煤气区域设施集中监控方案_第3页
3/7
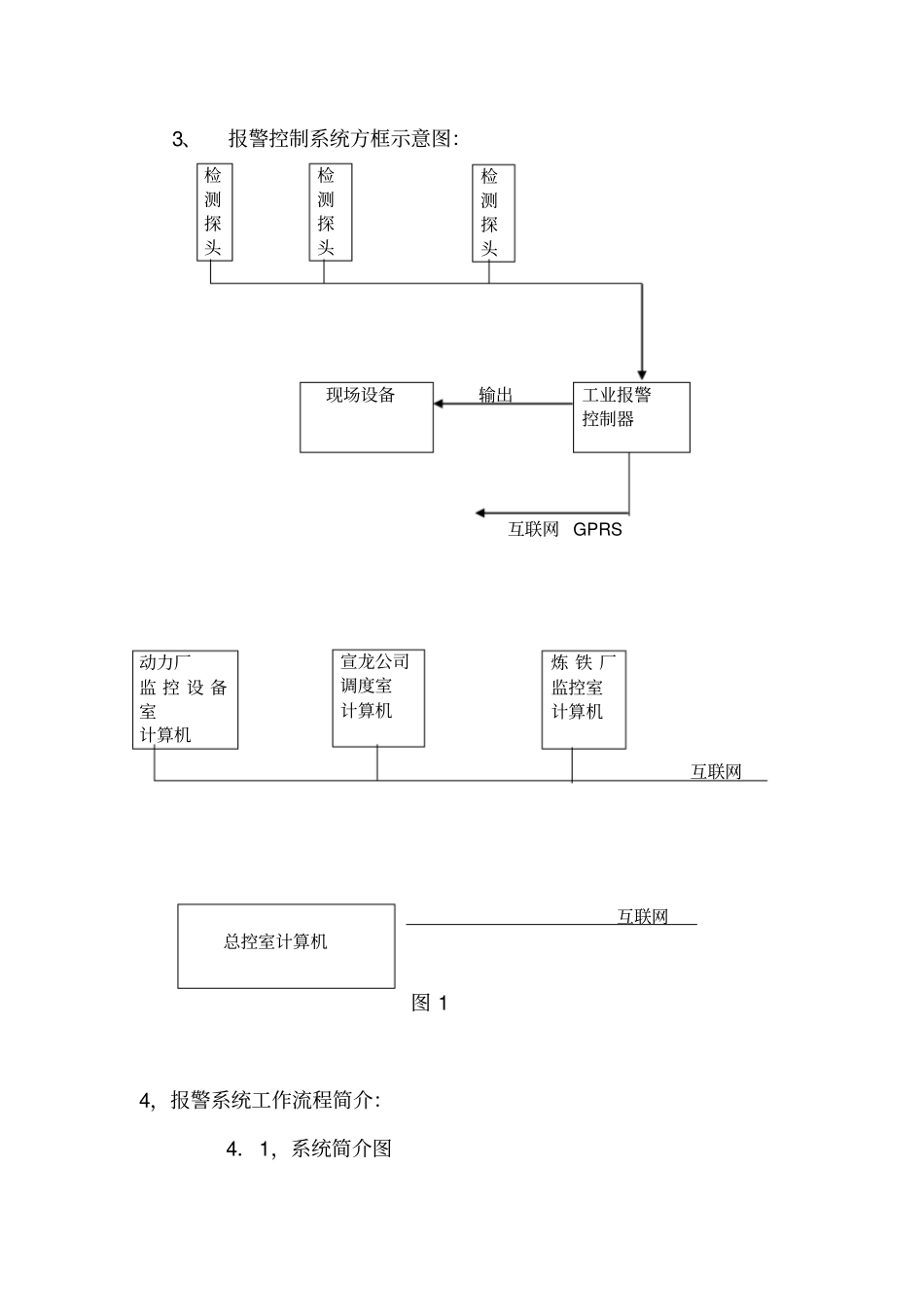
重点煤气区域、设施集中监控方案一、总体项目简介:出于生产安全,解决外厂区主干道的煤气水封、外围煤气管网以及人员聚集场所的煤气监控问题成为必须,制定良好的先进的解决方案非常必要,由于区域内的煤气监控点分散,且ATTM20 型探头距离监控中心较远, 传统的有线监控系统实施起来有布线困难,成本高昂,技术落后等缺陷,因此采用目前最先进的无线监控系统比较切合实际需求; 且中国移动的 GPRS网络经过实际测试, 网络的数据传输质量和稳定性好, 对比于传统的有线监控系统,无线监控具有成本低、监控容易,反应速度快,数据共享,信息网络化,保存容易等优点。二、具体实施方案1、系统构成主要部件:1,ATTM20-ZCO 总线一氧化碳探头45 个。 2, AT-99总线工业气体报警控制器9 台。3,无线发射模块9 个。4,互连网服务器一台。 5,系统软件一套。6,控制中心计算机软件一套。 7,接线合及导线等配件,以下是材料费表品名规格技术参数数量单价总价总线一氧化碳探头ATTM20-ZCO RS485 45 总线报警控制器AT-99 RS485 9 无线发射器AT-WL01 GPRS 9 IP服务器1 软件2 导线5000 合计2、ATTM20 型一氧化碳探头及报警主机分布一览表主机序号监控区域监控点数具体监控点分布1 9#高 炉 南 侧公路10个监测公路边高炉煤气水封,共十个监测点,主机设在动力厂调度室。2 大沟线区域5 个16#、17#— 19#水封、炼钢厂车间办公楼西侧水封设三个监测点;大炼钢西侧南北走向公路边高炉煤气水封设两个监测点, 主机设在动力厂调度室。3 炼 钢 厂 煤 气柜院内3 个煤气柜、加压机、煤气回收设三个监测点,主机设在炼钢厂调度室。4 动 力 厂 煤 气柜院内4 个煤气柜周遍四个高炉煤气水封设四个监测点,主机设在动力厂调度室。5 8#、9#高炉区域7 个8#高炉热风炉区域设一个、8#高炉喷煤一个、 9#高炉电梯口附近两个、9#高炉水冲渣东北侧、9#高炉空压机西侧一个、原4#道口处一个,共设7个监测点,主机设在炼铁厂调度室。6 中型炉区域2 个锅炉房、 7#高炉助燃风机北侧设两个监测点,主机设在炼铁厂调度室。7 中 型 炉 同 望动 力 厂 煤 气柜途中区域5 个沿途煤气水封设5 个监测点,主机设在动力厂调度室。8 一 高 线 北 侧公路4 个沿途 4 个高炉煤气水封设四个监测点,主机设在宣龙公司调度。9 烧区主干道5 个沿途 5 个高炉煤气水封设五个监测点,主机设在炼铁厂烧区调度室。合计45个3、报警控制...

1、当您付费下载文档后,您只拥有了使用权限,并不意味着购买了版权,文档只能用于自身使用,不得用于其他商业用途(如 [转卖]进行直接盈利或[编辑后售卖]进行间接盈利)。
2、本站所有内容均由合作方或网友上传,本站不对文档的完整性、权威性及其观点立场正确性做任何保证或承诺!文档内容仅供研究参考,付费前请自行鉴别。
3、如文档内容存在违规,或者侵犯商业秘密、侵犯著作权等,请点击“违规举报”。

碎片内容

重点煤气区域设施集中监控方案

确认删除?
VIP
微信客服
  • 扫码咨询
会员Q群
  • 会员专属群点击这里加入QQ群
客服邮箱
回到顶部