电脑桌面
添加小米粒文库到电脑桌面
安装后可以在桌面快捷访问

金属拉伸试验标准试样类型及尺寸

金属拉伸试验标准试样类型及尺寸_第1页
1/1
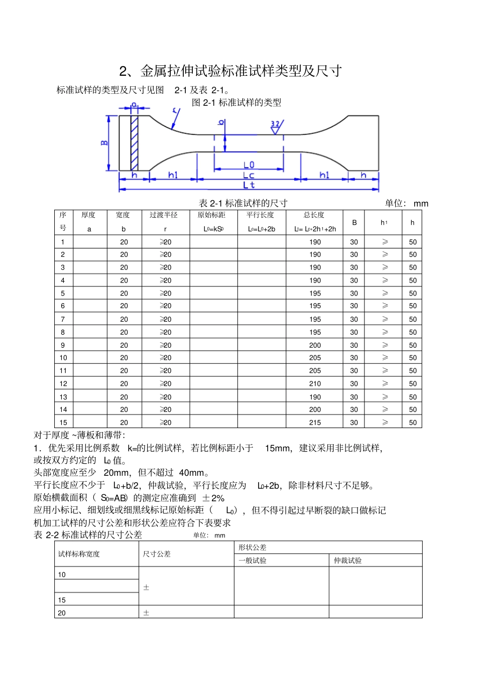
2、金属拉伸试验标准试样类型及尺寸标准试样的类型及尺寸见图2-1 及表 2-1。图 2-1 标准试样的类型表 2-1 标准试样的尺寸单位: mm 序号厚度a宽度b过渡半径r原始标距L0=kS0平行长度Lc=L0+2b总长度Lt= Lc+2h 1+2hBh1h120≥2019030≥50220≥2019030≥50320≥2019030≥50420≥2019030≥50520≥2019530≥50620≥2019530≥50720≥2019530≥50820≥2019530≥50920≥2020030≥501020≥2020530≥501120≥2020530≥501220≥2021030≥501320≥2019030≥501420≥2020030≥501520≥2021530≥50对于厚度 ~薄板和薄带:1.优先采用比例系数k=的比例试样,若比例标距小于15mm,建议采用非比例试样,或按双方约定的L0 值。头部宽度应至少20mm,但不超过 40mm。平行长度应不少于L0+b/2,仲裁试验,平行长度应为L0+2b,除非材料尺寸不足够。原始横截面积( S0=AB)的测定应准确到 ±2%应用小标记、细划线或细黑线标记原始标距(L0),但不得引起过早断裂的缺口做标记机加工试样的尺寸公差和形状公差应符合下表要求表 2-2 标准试样的尺寸公差单位: mm试样标称宽度尺寸公差形状公差一般试验仲裁试验10±1520±

1、当您付费下载文档后,您只拥有了使用权限,并不意味着购买了版权,文档只能用于自身使用,不得用于其他商业用途(如 [转卖]进行直接盈利或[编辑后售卖]进行间接盈利)。
2、本站所有内容均由合作方或网友上传,本站不对文档的完整性、权威性及其观点立场正确性做任何保证或承诺!文档内容仅供研究参考,付费前请自行鉴别。
3、如文档内容存在违规,或者侵犯商业秘密、侵犯著作权等,请点击“违规举报”。

碎片内容

金属拉伸试验标准试样类型及尺寸

您可能关注的文档

文库响当当+ 关注
实名认证
内容提供者

该用户很懒,什么也没介绍

确认删除?
VIP
微信客服
  • 扫码咨询
会员Q群
  • 会员专属群点击这里加入QQ群
客服邮箱
回到顶部