电脑桌面
添加小米粒文库到电脑桌面
安装后可以在桌面快捷访问

铁路路基上碴总结

铁路路基上碴总结_第1页
1/8
铁路路基上碴总结_第2页
2/8
铁路路基上碴总结_第3页
3/8
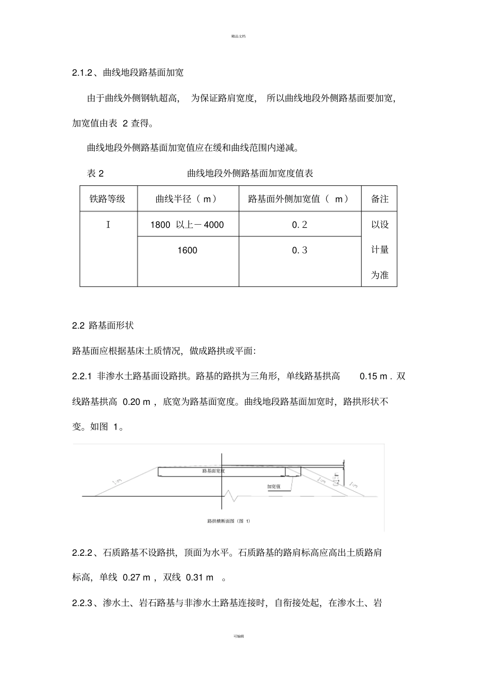
精品文档可编辑铁路路基上碴总结宋海莲中铁十三局四处六公司摘要结合西合铁路工程实例,介绍了铁路路基上碴技术标准及铺设方法。关键词铁路路基上碴方法1、西安南京铁路南阳至合肥段线路主要技术标准1.1、铁路等级:Ⅰ级。1.2、正线数目:单线预留双线,工程特别困难地段一次双线。1.3、限制坡度: 6‰。1.4、最小曲线半径:一般地段 1000m ,困难地段 600m(与汉丹线联络线 400m )。1.5、到发线有效长度: 850 m ,预留 1050 m 。1.6、牵引种类:内燃预留电化条件。1.7、机车类型: DF4D 1.8、牵引定数: 4000 吨。1.9、闭塞类型:继电半自动。2、路基工程技术质量标准2.1 路基面宽度2.1.1 、路基面基本宽度表 1 路基面基本宽度表( m )非渗水土岩石、渗水土路堤路堑路堤路堑7.7 7.3 6.8 6.4 精品文档可编辑2.1.2 、曲线地段路基面加宽由于曲线外侧钢轨超高, 为保证路肩宽度, 所以曲线地段外侧路基面要加宽,加宽值由表 2 查得。曲线地段外侧路基面加宽值应在缓和曲线范围内递减。表 2 曲线地段外侧路基面加宽度值表铁路等级曲线半径( m )路基面外侧加宽值( m )备注Ⅰ1800 以上- 4000 0.2以设计量为准1600 0.32.2 路基面形状路基面应根据基床土质情况,做成路拱或平面:2.2.1 非渗水土路基面设路拱。路基的路拱为三角形,单线路基拱高0.15 m . 双线路基拱高 0.20 m ,底宽为路基面宽度。曲线地段路基面加宽时,路拱形状不变。如图 1。路基面宽度加宽值路拱横断面图(图 1)2.2.2 、石质路基不设路拱,顶面为水平。石质路基的路肩标高应高出土质路肩标高,单线 0.27 m ,双线 0.31 m 。2.2.3 、渗水土、岩石路基与非渗水土路基连接时,自衔接处起,在渗水土、岩精品文档可编辑石地段由非渗水土路基的路肩高程向渗水土、岩石路基路肩施工高程以渗水土顺坡(以利排水),其长度不小于 10 m ,如图 2 。渗水土、岩石路基非渗水土路基顺坡地段≮非渗水土路基路肩施工标高渗水土、岩石路基路肩施工标高轨枕底0.27m(0.31渗水土、岩石路基与非渗水土路的衔接(图2)2.3 路堤填方预留沉降加高量、加宽量2.3.1 、预留沉降加高量填筑路堤应考虑施工时和竣工后路堤本体的压缩与固结,可根据堤高、填料种类及压实条件, 并结合地基情况、 施工季节及延续时间, 施工观测情况以及考虑到路堤交付铺轨时线路纵坡及桥台的顺坡连接等具体情况,综合确定预留沉降量。预留沉降量的取...

1、当您付费下载文档后,您只拥有了使用权限,并不意味着购买了版权,文档只能用于自身使用,不得用于其他商业用途(如 [转卖]进行直接盈利或[编辑后售卖]进行间接盈利)。
2、本站所有内容均由合作方或网友上传,本站不对文档的完整性、权威性及其观点立场正确性做任何保证或承诺!文档内容仅供研究参考,付费前请自行鉴别。
3、如文档内容存在违规,或者侵犯商业秘密、侵犯著作权等,请点击“违规举报”。

碎片内容

铁路路基上碴总结

您可能关注的文档

爱的疯狂+ 关注
实名认证
内容提供者

该用户很懒,什么也没介绍

确认删除?
VIP
微信客服
  • 扫码咨询
会员Q群
  • 会员专属群点击这里加入QQ群
客服邮箱
回到顶部