电脑桌面
添加小米粒文库到电脑桌面
安装后可以在桌面快捷访问

门窗室外阳台栏杆及地面分户验收检查表

门窗室外阳台栏杆及地面分户验收检查表_第1页
1/50
门窗室外阳台栏杆及地面分户验收检查表_第2页
2/50
门窗室外阳台栏杆及地面分户验收检查表_第3页
3/50
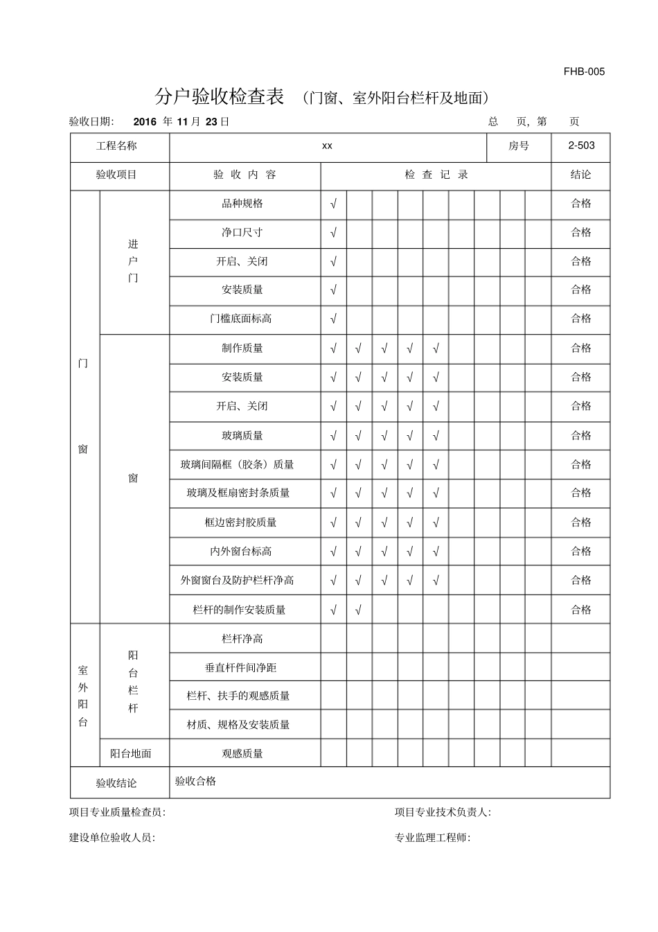
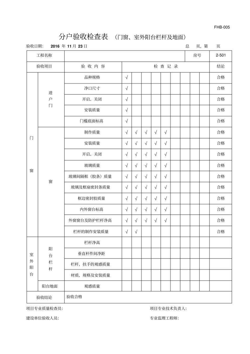
FHB-005 分户验收检查表 (门窗、室外阳台栏杆及地面)验收日期:2016 年 11 月 23 日总页,第页工程名称房号2-501 验收项目验 收 内 容检 查 记 录结论门窗进户门品种规格√合格净口尺寸√合格开启、关闭√合格安装质量√合格门槛底面标高√合格窗制作质量√√√√√合格安装质量√√√√√合格开启、关闭√√√√√合格玻璃质量√√√√√合格玻璃间隔框(胶条)质量√√√√√合格玻璃及框扇密封条质量√√√√√合格框边密封胶质量√√√√√合格内外窗台标高√√√√√合格外窗窗台及防护栏杆净高√√√√√合格栏杆的制作安装质量√√合格室外阳台阳台栏杆栏杆净高垂直杆件间净距栏杆、扶手的观感质量材质、规格及安装质量阳台地面观感质量验收结论验收合格项目专业质量检查员:项目专业技术负责人:建设单位验收人员:专业监理工程师:FHB-005 分户验收检查表 (门窗、室外阳台栏杆及地面)验收日期:2016 年 11 月 23 日总页,第页工程名称xx 房号2-502 验收项目验 收 内 容检 查 记 录结论门窗进户门品种规格√合格净口尺寸√合格开启、关闭√合格安装质量√合格门槛底面标高√合格窗制作质量√√√√√合格安装质量√√√√√合格开启、关闭√√√√√合格玻璃质量√√√√√合格玻璃间隔框(胶条)质量√√√√√合格玻璃及框扇密封条质量√√√√√合格框边密封胶质量√√√√√合格内外窗台标高√√√√√合格外窗窗台及防护栏杆净高√√√√√合格栏杆的制作安装质量√√合格室外阳台阳台栏杆栏杆净高垂直杆件间净距栏杆、扶手的观感质量材质、规格及安装质量阳台地面观感质量验收结论验收合格项目专业质量检查员:项目专业技术负责人:建设单位验收人员:专业监理工程师:FHB-005 分户验收检查表 (门窗、室外阳台栏杆及地面)验收日期:2016 年 11 月 23 日总页,第页工程名称xx 房号2-503 验收项目验 收 内 容检 查 记 录结论门窗进户门品种规格√合格净口尺寸√合格开启、关闭√合格安装质量√合格门槛底面标高√合格窗制作质量√√√√√合格安装质量√√√√√合格开启、关闭√√√√√合格玻璃质量√√√√√合格玻璃间隔框(胶条)质量√√√√√合格玻璃及框扇密封条质量√√√√√合格框边密封胶质量√√√√√合格内外窗台标高√√√√√合格外窗窗台及防护栏杆净高√√√√√合格栏杆的制作安装质量√√合格室外阳台阳台栏杆栏杆净高垂直杆件间净距栏杆、扶手的观感质量材...

1、当您付费下载文档后,您只拥有了使用权限,并不意味着购买了版权,文档只能用于自身使用,不得用于其他商业用途(如 [转卖]进行直接盈利或[编辑后售卖]进行间接盈利)。
2、本站所有内容均由合作方或网友上传,本站不对文档的完整性、权威性及其观点立场正确性做任何保证或承诺!文档内容仅供研究参考,付费前请自行鉴别。
3、如文档内容存在违规,或者侵犯商业秘密、侵犯著作权等,请点击“违规举报”。

碎片内容

门窗室外阳台栏杆及地面分户验收检查表

确认删除?
VIP
微信客服
  • 扫码咨询
会员Q群
  • 会员专属群点击这里加入QQ群
客服邮箱
回到顶部