电脑桌面
添加小米粒文库到电脑桌面
安装后可以在桌面快捷访问

隐蔽工程量签证单

隐蔽工程量签证单_第1页
1/22
隐蔽工程量签证单_第2页
2/22
隐蔽工程量签证单_第3页
3/22
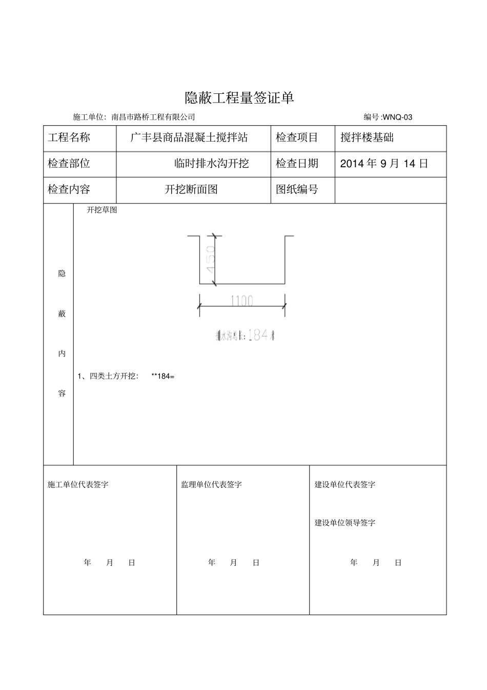
隐蔽工程量签证单施工单位:南昌市路桥工程有限公司编号 :WNQ-01工程名称广丰县商品混凝土搅拌站检查项目搅拌楼基础检查部位石方开挖及商品砼垫层检查日期2014 年 9 月 14 日检查内容原始标高及开挖尺寸图纸编号隐蔽内容开挖草图1、米标高处石方开挖平均深度米;2、米标高处石方开挖平均深度米;3、因采用机械开挖石方,场地高低不平及一侧为软泥,需要采用C15 泵送商品砼垫平。C15 泵送商品砼垫层为270m3.4、石方开挖: () *+*12*=5、水池垫层及搅拌楼基础垫层高地跨竖向模板:施工单位代表签字年月日监理单位代表签字年月日建设单位代表签字建设单位领导签字年月日隐蔽工程量签证单施工单位:南昌市路桥工程有限公司编号 :WNQ-02工程名称广丰县商品混凝土搅拌站检查项目搅拌楼基础检查部位场地平整及清除杂草检查日期2014 年 9 月 14 日检查内容场地平整几何尺寸图纸编号隐蔽内容平整草图1、人工平整场地:70*144=10080m22、反铲挖掘机清除杂草共计34 个台时,机械台时单价380 元,合计 34*380=12920 元施工单位代表签字年月日监理单位代表签字年月日建设单位代表签字建设单位领导签字年月日隐蔽工程量签证单施工单位:南昌市路桥工程有限公司编号 :WNQ-03工程名称广丰县商品混凝土搅拌站检查项目搅拌楼基础检查部位临时排水沟开挖检查日期2014 年 9 月 14 日检查内容开挖断面图图纸编号隐蔽内容开挖草图1、四类土方开挖:**184=施工单位代表签字年月日监理单位代表签字年月日建设单位代表签字建设单位领导签字年月日隐蔽工程量签证单施工单位:南昌市路桥工程有限公司编号 :WNQ-04工程名称广丰县商品混凝土搅拌站检查项目办公楼基础检查部位场地平整及清除杂草检查日期2014 年 9 月 15 日检查内容场地平整几何尺寸图纸编号隐蔽内容平整草图1、人工平整场地:30*70=2100m22、反铲挖掘机清除杂草共计18 个台时,机械台时单价380 元,合计 18*380=6840 元施工单位代表签字年月日监理单位代表签字年月日建设单位代表签字建设单位领导签字年月日隐蔽工程量签证单施工单位:南昌市路桥工程有限公司编号 :WNQ-05工程名称广丰县商品混凝土搅拌站检查项目搅拌楼基础检查部位防雷接地检查日期2014 年 9 月 20 日检查内容接地处理项目及数量图纸编号隐蔽内容1、 接地跨接线安装:10 处;2、 户外接地母线敷设(-40*4 镀锌扁铁):米;3、 角铁接地极制作安装(坚土内米长):8 根;4、 避雷引下线敷设...

1、当您付费下载文档后,您只拥有了使用权限,并不意味着购买了版权,文档只能用于自身使用,不得用于其他商业用途(如 [转卖]进行直接盈利或[编辑后售卖]进行间接盈利)。
2、本站所有内容均由合作方或网友上传,本站不对文档的完整性、权威性及其观点立场正确性做任何保证或承诺!文档内容仅供研究参考,付费前请自行鉴别。
3、如文档内容存在违规,或者侵犯商业秘密、侵犯著作权等,请点击“违规举报”。

碎片内容

隐蔽工程量签证单

您可能关注的文档

确认删除?
VIP
微信客服
  • 扫码咨询
会员Q群
  • 会员专属群点击这里加入QQ群
客服邮箱
回到顶部