电脑桌面
添加小米粒文库到电脑桌面
安装后可以在桌面快捷访问

02阀门、管件图例大全讲解

02阀门、管件图例大全讲解_第1页
1/13
02阀门、管件图例大全讲解_第2页
2/13
02阀门、管件图例大全讲解_第3页
3/13
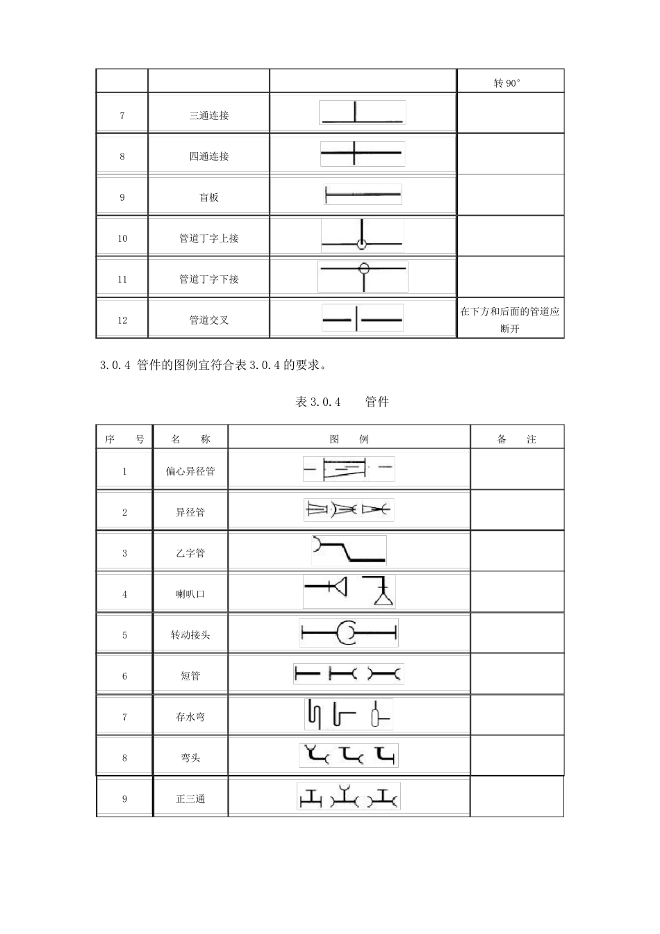
表 3.0.2管道附件序号1名称套管伸缩器图例备注2方形伸缩器3刚性防水套管4柔性防水套管5波纹管可曲挠橡胶6接头7管道固定支架8管道滑动支架9立管检查口10清扫口11通气帽12雨水斗13排水漏斗14圆形地漏方形地漏通用。如为无水封,地漏应加存水弯1516自动冲洗水箱17挡墩18减压孔板19Y 形除污器毛发聚集器2021防回流污染止回阀22吸气阀3.0.3 管道连接的图例宜符合表 3.0.3 的要求。表 3.0.3管道连接序号1名称图例备注法兰连接承插连接23活接头4管堵56法兰堵盖弯折管表示管道向后及向下弯转 90°7三通连接8四通连接9盲板10管道丁字上接11管道丁字下接在下方和后面的管道应断开12管道交叉3.0.4 管件的图例宜符合表 3.0.4 的要求。表 3.0.4管件序号1名称偏心异径管图例备注2异径管3乙字管4喇叭口5转动接头6短管7存水弯8弯头9正三通10斜三通11正四通12斜四通13浴盆排水件3.0.5 阀门的图例宜符合表 3.0.5 的要求。表 3.0.5阀门序号1名称图例备注闸 阀角阀23三通阀4四通阀5截止阀电动阀67液动阀8气动阀9减压阀旋塞阀左侧为高压端1011底阀12球 阀隔膜阀1314气开隔膜阀15气闭隔膜阀16温度调节阀17压力调节阀18电磁阀19止回阀消声止20回阀21蝶阀弹簧安22全阀23平衡锤安全阀自动排24气阀25浮球阀26延时自闭冲洗阀27吸水喇叭口28疏水器3.0.6 给水配件的图例宜符合表 3.0.6 的要求。表 3.0.6给水配件序号12名称放水龙头皮带龙头图例备注左侧为平面,右侧为系统左侧为平面,右侧为系统3洒水(栓)龙头4化验龙头5肘式龙头6脚踏开关7混合水龙头8旋转水龙头9浴盆带喷头混合水龙头3.0.7 消防设施的图例宜符合表 3.0.7 的要求。表 3.0.7消防设施序号123名称消火栓给水管自动喷水灭火给水管室外消火栓图例备注室内消火栓4(单口)室内消火栓5白色为开启面(双口)6水泵接合器7自动喷洒头(开式)8自动喷洒头(闭式)下喷9自动喷洒头(闭式)上喷10自动喷洒头(闭式)上下喷11侧墙式自动喷洒头12侧喷式喷洒头1314雨淋灭火给水管水幕灭火给水管15水炮灭火给水管16干式报警阀17水炮18湿式报警阀19预作用报警阀20遥控信号阀21水流指示器22水力警铃23雨淋阀24末端测试阀25末端测试阀26推车式灭火器注:分区管道用加注角标方式表示:如 XH1、XH2、ZP1、ZP2……。3.0.8 卫生设备及水池的图例宜符合表 3.0.8 的要求。表 3.0.8卫生设备及水池序号名称图例备注1立式洗脸盆2台式洗脸盆3挂式洗脸盆4浴盆5化验盆、洗涤盆6带沥水板洗涤盆不锈钢制品7盥洗槽8污水池9妇女卫生...

1、当您付费下载文档后,您只拥有了使用权限,并不意味着购买了版权,文档只能用于自身使用,不得用于其他商业用途(如 [转卖]进行直接盈利或[编辑后售卖]进行间接盈利)。
2、本站所有内容均由合作方或网友上传,本站不对文档的完整性、权威性及其观点立场正确性做任何保证或承诺!文档内容仅供研究参考,付费前请自行鉴别。
3、如文档内容存在违规,或者侵犯商业秘密、侵犯著作权等,请点击“违规举报”。

碎片内容

02阀门、管件图例大全讲解

确认删除?
VIP
微信客服
  • 扫码咨询
会员Q群
  • 会员专属群点击这里加入QQ群
客服邮箱
回到顶部