电脑桌面
添加小米粒文库到电脑桌面
安装后可以在桌面快捷访问

各类门机调试手册VIP免费

各类门机调试手册_第1页
1/43
各类门机调试手册_第2页
2/43
各类门机调试手册_第3页
3/43
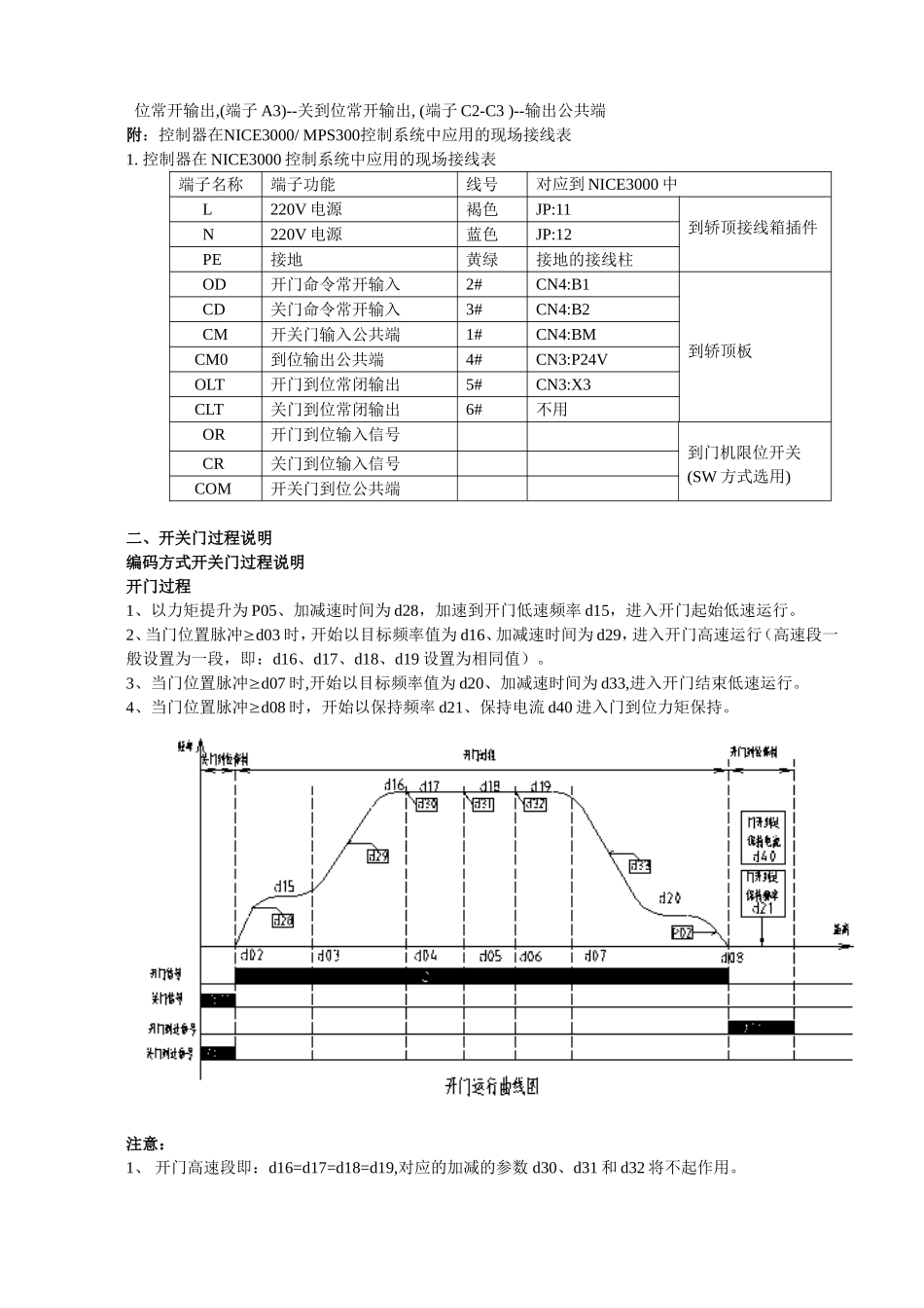
申菱门机使用手册NSFC01-01型一、接线图1.编码方式接线图2.SW方式接线图注意:1.与上位机配线时,请将动力线与控制线分开走线.2.在配接开关门到位输出电缆线时,要确认门控制器输出的逻辑状态与控制柜接收的逻辑相符,门控制器的出厂状态是常闭输出.用户要根据主控制柜实际情况选择到位输出的逻辑状态.(端子A2)--开到位常开输出,(端子A3)--关到位常开输出,(端子C2-C3)--输出公共端附:控制器在NICE3000/MPS300控制系统中应用的现场接线表1.控制器在NICE3000控制系统中应用的现场接线表端子名称端子功能线号对应到NICE3000中L220V电源褐色JP:11到轿顶接线箱插件N220V电源蓝色JP:12PE接地黄绿接地的接线柱OD开门命令常开输入2#CN4:B1到轿顶板CD关门命令常开输入3#CN4:B2CM开关门输入公共端1#CN4:BMCM0到位输出公共端4#CN3:P24VOLT开门到位常闭输出5#CN3:X3CLT关门到位常闭输出6#不用OR开门到位输入信号到门机限位开关(SW方式选用)CR关门到位输入信号COM开关门到位公共端二、开关门过程说明编码方式开关门过程说明开门过程1、以力矩提升为P05、加减速时间为d28,加速到开门低速频率d15,进入开门起始低速运行。2、当门位置脉冲d03时,开始以目标频率值为d16、加减速时间为d29,进入开门高速运行(高速段一般设置为一段,即:d16、d17、d18、d19设置为相同值)。3、当门位置脉冲d07时,开始以目标频率值为d20、加减速时间为d33,进入开门结束低速运行。4、当门位置脉冲d08时,开始以保持频率d21、保持电流d40进入门到位力矩保持。注意:1、开门高速段即:d16=d17=d18=d19,对应的加减的参数d30、d31和d32将不起作用。2、通过调节:各段的运行频率、加减速时间或门的脉冲位置点,实现开门的运行曲线。该系统以开门到位为门位置脉冲的100%,关门到位为门位置脉冲的0%。3、开门到位保持频率为d21,保持电流为d40。保持时间为d42,范围为0.1到499(sec),当设置为0时,则长期保持。4、若低速段开门力矩较小,可以适当加大P05的值。关门过程:1、以力矩提升为P05、加减速时间为d34,加速到开门低速频率d22,进入关门起始低速运行。2、当门位置脉冲d09时,开始以目标频率值为d23、加减速时间为d35,进入关门高速运行(高速段一般设置为一段,即:d23、d24、d25、d26设置为相同值)。3、当门位置脉冲d13时,开始以目标频率值为d27、加减速时间为d39,进入关门结束低速运行。4、当门位置脉冲d02时,开始以保持频率d14、保持电流d41进入门关到位力矩保持。注意:1、关门高速段一般设置为一段即:d23=d24=d25=d26,对应的加减的参数d36、d37和d38将不起作用。2、通过调节:各段的运行频率、加减速时间或门的脉冲位置点,实现关门的运行曲线。该系统以开门到位为门位置脉冲的100%,关门到位为门位置脉冲的0%。3、关门到位保持频率为d14,保持电流为d41。保持时间为d42,范围为0.1到499(sec),当设置为0时,则长期保持。4、关门过程中当有卡门阻力大于设定值(过载)时,执行开门。设定参数为:p64(低速区)、p65(高速区)、高低速区的分界频率参数p66。参数p64、p65的设定越大,执行开门的卡门阻力越小。5、若低速段关门力矩较小,可以适当加大P05的值。SW方式开关门过程说明开门过程1、以力矩提升为P05、加减速时间为d28,频率d15启动,再以加减速时间d29,目标值为d16进入开门起始低速运行。2、经过时间d47后,开始以加减速时间d30,目标值为d17进入开门高速运行。高速段频率一般设置为一段,即d17=d19。3、当门运行到开门变速开关位置时,通过延时d48后,开始以加减速时间d33,目标值为d20进入开门低速运行。4、当门运行到开门到位开关位置时,门以保持频率d21,保持电流d40进入开门到位力矩保持。注意:1、开门高速段一般设置为一段即:d17=d19,对应的加减的参数d32将不起作用。2、开门到位保持频率为d21,保持电流为d40。保持时间为d42,范围为0.1到499(sec),当设置为0时,则长期保持。3、若低速段开门力矩较小,可以适当加大P05的值。注意:过大的P05可能会引起过流保护。关门过程1、以力矩提升为P05、加减速时间为d34,频率d22启动,再以加减速时间d35,目标值d23进入关门起始低速运行。2、经过时间d...

1、当您付费下载文档后,您只拥有了使用权限,并不意味着购买了版权,文档只能用于自身使用,不得用于其他商业用途(如 [转卖]进行直接盈利或[编辑后售卖]进行间接盈利)。
2、本站所有内容均由合作方或网友上传,本站不对文档的完整性、权威性及其观点立场正确性做任何保证或承诺!文档内容仅供研究参考,付费前请自行鉴别。
3、如文档内容存在违规,或者侵犯商业秘密、侵犯著作权等,请点击“违规举报”。

碎片内容

各类门机调试手册

确认删除?
VIP
微信客服
  • 扫码咨询
会员Q群
  • 会员专属群点击这里加入QQ群
客服邮箱
回到顶部