电脑桌面
添加小米粒文库到电脑桌面
安装后可以在桌面快捷访问

2019矿井密闭标准

2019矿井密闭标准_第1页
1/6
2019矿井密闭标准_第2页
2/6
2019矿井密闭标准_第3页
3/6
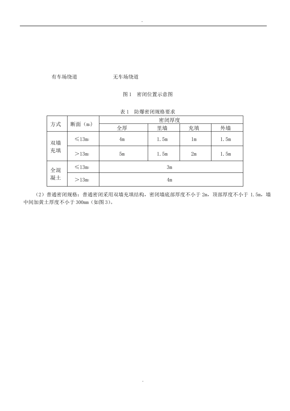
.关于加强矿井密闭管理的通知公司各矿:为进一步落实集团 2014 年度重大事故预防会精神,深刻吸取 2013 年吉林八宝煤业公司“3·29”特别重大瓦斯爆炸事故教训,特对矿井密闭管理工作要求如下:一、适用范围:各矿在井下构筑密闭时要结合实际分类设置,符合下列条件之一的按防爆密闭标准构筑,其它矿井的密闭按普通密闭构筑:(一)具有自然发火倾向的高瓦斯矿井采面结采后封闭、采区封闭。(二)发生过火灾事故或与外部联通的自燃煤层采面结采后封闭、采区封闭。(三)火区永久封闭。(四)采用普通密闭不能满足安全需求的区域封闭。二、密闭位置:有车场绕道的距交叉点不大于 5m 的位置建造,无车场绕道的距巷口不大于 5m 的位置建造(如图 1),其他位置由矿总工程师确定。三、密闭构筑要求;1、密闭规格:(1)防爆密闭规格:防爆密闭可采用双墙充填结构或全混凝土浇筑结构,双墙充填时中间使用黄土和生石灰,也可采用混凝土或无机不燃性材料充填,采用双墙黄土、生石灰充填构筑时,要随建随填,并且层层夯实。(如图 2)。墙体厚度结合现场巷道断面确定,但不得低于表1 规定值。..有车场绕道无车场绕道图 1密闭位置示意图表 1防爆密闭规格要求方式双墙充填断面(m )≤13m>13m2≤13m222全厚4m5m密闭厚度里墙1.5m1.5m3m4m充填1m2m外墙1.5m1.5m全混凝土>13m2(2)普通密闭规格:普通密闭采用双墙充填结构,密闭墙底部厚度不小于 2m,顶部厚度不小于 1.5m,墙中间加黄土厚度不小于 300mm(如图 3)。..AAAA俯视图密闭喷浆煤体掏槽、拉底、挑顶密闭墙体填充部分图 2防爆密闭双墙充填示意图2、密闭构筑选用砖块或料石(料石符合建筑设计规范要求:长×宽×高:300mm×250mm×200mm,至少保证有三个面)、水泥、河沙。3、构筑密闭前,要确认构筑密闭位置前后断电、断网、断管、断道,与外界金属物件隔绝(正常的瓦斯抽放管路必须采取绝缘措施进行处理)。..AAAA俯视图煤体掏槽、拉底、挑顶密闭墙体填充部分图 3普通密闭示意图4、构筑密闭时,密闭前后 5m 的范围内支护要完好,无片帮、漏顶、杂物、积水和淤泥,构筑密闭位置处前后 5m 巷道必须加强支护。5、构筑密闭时,四周必须掏槽,掏至硬帮、硬底、硬顶,并与煤岩接实。在岩巷构筑密闭时,嵌入周边岩石的深度不应小于 0.2m;在煤巷构筑密闭时,帮槽深度见实体煤后进入实体煤不应小于 0.5m,顶槽深度为见实煤后 0.3m,底槽深度为见实煤后 0.2m,掏槽宽度大于墙厚 0.3...

1、当您付费下载文档后,您只拥有了使用权限,并不意味着购买了版权,文档只能用于自身使用,不得用于其他商业用途(如 [转卖]进行直接盈利或[编辑后售卖]进行间接盈利)。
2、本站所有内容均由合作方或网友上传,本站不对文档的完整性、权威性及其观点立场正确性做任何保证或承诺!文档内容仅供研究参考,付费前请自行鉴别。
3、如文档内容存在违规,或者侵犯商业秘密、侵犯著作权等,请点击“违规举报”。

碎片内容

2019矿井密闭标准

您可能关注的文档

确认删除?
VIP
微信客服
  • 扫码咨询
会员Q群
  • 会员专属群点击这里加入QQ群
客服邮箱
回到顶部