电脑桌面
添加小米粒文库到电脑桌面
安装后可以在桌面快捷访问

CA6140车床电气控制

CA6140车床电气控制_第1页
1/6
CA6140车床电气控制_第2页
2/6
CA6140车床电气控制_第3页
3/6
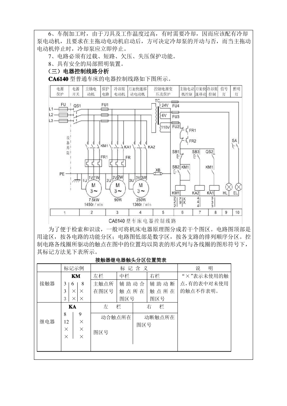
授课日期教 研 组新授CA6140 车床电气控制线路原理及安装授课教师授课班级周次课次课型课题1、掌握 CA6140 车床线路的组成、结构特点与工作原理;2、掌握元器件布置图与线路接线图的画法;教学目标3、掌握线路布线工艺;4、掌握 CA6140 车床线路的安装与调试。教学重点1、工作原理。2、安装与调试。教学难点工作原理教师讲解结合多媒体,学生实际动手安装调试。教学方法与手段教学环节及内容一、组织教学1、组织学生起立、点名。2、组织学生检查安全防护用品。3、组织学生学习安全知识。二、复习与导入车床是机械加工中应用最广泛的金属切削机床,而在各种车床中,使用最多的又是普通车床它能够车削内外圆、端面、圆锥面及多种常用的螺纹、螺杆等,还可以钻孔、扩孔绞孔和滚花等。CA6140 是普通精度级车床,它的加工范围广,性能优越,结构先进,操作方便。三、学习新授(一)CA6140 主要结构及运动部件CA6140 型普通车床主要由床身、主轴变速箱、进给箱、溜板箱、刀架、尾架、丝杠和光杠等部件组成,其外形结构如下图所示。CA6140 型普通车床外形图1—主轴变速箱 2—床身 3—刀架及溜板 4—尾架5、7—床腿 6—溜板箱 8—进给箱主轴变速箱的作用是使主轴获得不同级别的正反转转速。进给箱的作用是变换被加工螺纹的种类和导程,以获得所需的进给量。溜板箱的作用是将丝杠或光杠传来的旋转运动转变为直线运动等带动刀架进给。CA6140 型车床的主运动是卡盘的旋转运动;进给运动是溜板箱带动刀架的直线移动;辅助运动是刀架快速移动。(二)电力拖动控制特点及控制要求1、主拖动电动机一般选用三箱笼型异步电动机,不进行电器调速。2、采用齿轮箱进行机械有机调速。为减小振动,主拖动电动机通过几条 V 带将动力传递到主轴箱。3、在车削螺纹时,要求主轴有正、反转,由主拖动电动机正、反转或采用机械方法来实现。4、主拖动电动机的启动、停止采用按钮操作。5、刀架移动和主轴传动有比例的关系,以便满足对螺纹的加工需要。6、车削加工时,由于刀具及工作温度过高,有时需要冷却,因而应该配有冷却泵电动机,且要求在主拖动电动机启动后,方可决定冷却泵的开动与否,而当主拖动电动机停止时,冷却泵应立即停止。7、电路必须有过载、短路、欠压、失压保护功能。8、具有安全的局部照明装置。(三)电器控制线路分析CA6140 型普通车床的电器控制线路如下图所示。为了便于检索和识读,一般可将机床电器原理图分成若干个图区。电路图顶...

1、当您付费下载文档后,您只拥有了使用权限,并不意味着购买了版权,文档只能用于自身使用,不得用于其他商业用途(如 [转卖]进行直接盈利或[编辑后售卖]进行间接盈利)。
2、本站所有内容均由合作方或网友上传,本站不对文档的完整性、权威性及其观点立场正确性做任何保证或承诺!文档内容仅供研究参考,付费前请自行鉴别。
3、如文档内容存在违规,或者侵犯商业秘密、侵犯著作权等,请点击“违规举报”。

碎片内容

CA6140车床电气控制

确认删除?
VIP
微信客服
  • 扫码咨询
会员Q群
  • 会员专属群点击这里加入QQ群
客服邮箱
回到顶部