电脑桌面
添加小米粒文库到电脑桌面
安装后可以在桌面快捷访问

EPS外墙外保温技术交底

EPS外墙外保温技术交底_第1页
1/6
EPS外墙外保温技术交底_第2页
2/6
EPS外墙外保温技术交底_第3页
3/6
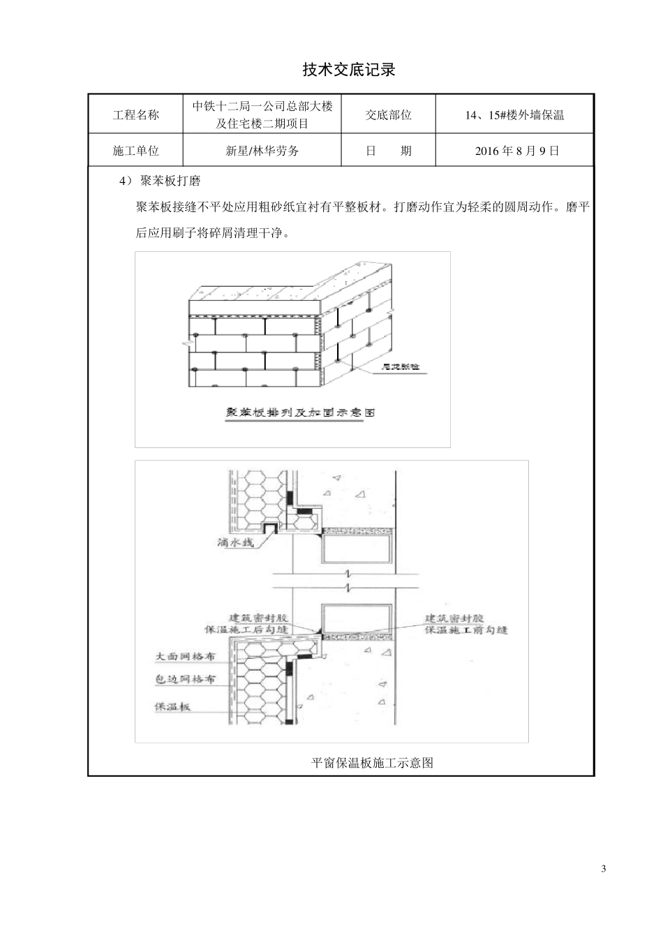
技术交底记录工程名称施工单位中铁十二局一公司总部大楼及住宅楼二期项目新星/林华劳务交底部位日期14、15#楼外墙保温2016 年 8 月 9 日一、施工准备1、材料要求聚苯板(6.5cm厚密度为 18 -20kg/M3、4cm厚密度为 20 kg/ M3)、水泥发泡板(6.5cm厚,A级)、聚合物砂浆、耐碱玻璃纤维涂塑网格布、建筑密封胶、角钢、胀管2、主要机具电热丝切割器、壁纸刀、螺丝刀、剪刀、扫帚、钢丝刷、墨斗、开刀,棕刷、粗砂纸、电动搅拌器、冲击钻、抹子、压子、阴阳角抿子、托线板、2m 靠尺等3、作业条件a、材料进场必须严格进行验收并办理验收手续,先做样板墙,经验收合格后才能大面积展开施工;聚苯板粘贴必须先做拉拔实验,经甲方、监理验收合格后进行下道工序施工。每道工序必须严格检查做自检和验收记录并办理签字手续。b、外墙和外门窗口施工及验收完毕,基面洁净无突出部分。c、操作地点环境温度和基底温度不低于 5 度,风力不大于 5 级,雨天不能施工。二、操作工艺工艺流程:基层处理→防火隔离带→粘贴聚苯板→聚苯板打磨→涂抹面胶浆→铺压玻璃纤维网→涂抹面胶浆→嵌密封膏→涂面层涂料→验收1、基层处理基层墙体必须清理干净,墙表面没有油、浮尘、污垢等污染物或其他妨碍粘结的材料,并剔除墙面的突出物,凹陷部分用聚合物砂浆修补平整。2、防火隔离带1)防火隔离带采用水泥发泡板,屋面防火隔离带宽度为500mm,标准层为300mm。2)防火隔离带抹抗裂砂浆铺压加强耐碱网格布施工时网格布高度上下加200mm。用抹子先在无机保温浆料及其上下200mm处抹上一遍2-3mm抗裂砂浆,立即浆网格布压入抗裂砂浆中。网格布水平搭接处采用干茬搭接的方法。3)因防火隔离带处要做加强网,为避免整个外墙保温体系平整度误差过大,可将无机保温浆料防火离带上下200mm的保温板用铁刷子挫下2-3mm的厚度。1技术交底记录工程名称施工单位中铁十二局一公司总部大楼及住宅楼二期项目新星/林华劳务交底部位日期14、15#楼外墙保温2016 年 8 月 9 日4)待防火隔离带及大面保温板粘贴完毕并钉入锚固件后可按整个外墙保温抗裂层施工方法进行整体抗裂层施工。3、粘结聚苯板1)聚苯板切割:尽量使用1200×600标准尺寸的聚苯板。若使用非标准尺寸的聚苯板,应采用电热丝切割或壁纸刀裁剪加工。2)粘结砂浆:使用袋装成品聚合物砂浆3)粘结聚苯板:a) 在外墙阴阳角处挂垂直通线,每面墙2根,注意使其距墙尺寸一致。当采用分段粘结时,在开始层弹一道水平线,依...

1、当您付费下载文档后,您只拥有了使用权限,并不意味着购买了版权,文档只能用于自身使用,不得用于其他商业用途(如 [转卖]进行直接盈利或[编辑后售卖]进行间接盈利)。
2、本站所有内容均由合作方或网友上传,本站不对文档的完整性、权威性及其观点立场正确性做任何保证或承诺!文档内容仅供研究参考,付费前请自行鉴别。
3、如文档内容存在违规,或者侵犯商业秘密、侵犯著作权等,请点击“违规举报”。

碎片内容

EPS外墙外保温技术交底

文库当当响+ 关注
实名认证
内容提供者

该用户很懒,什么也没介绍

确认删除?
VIP
微信客服
  • 扫码咨询
会员Q群
  • 会员专属群点击这里加入QQ群
客服邮箱
回到顶部