电脑桌面
添加小米粒文库到电脑桌面
安装后可以在桌面快捷访问

IDC数据中心机房工程验收记录表

IDC数据中心机房工程验收记录表_第1页
1/12
IDC数据中心机房工程验收记录表_第2页
2/12
IDC数据中心机房工程验收记录表_第3页
3/12
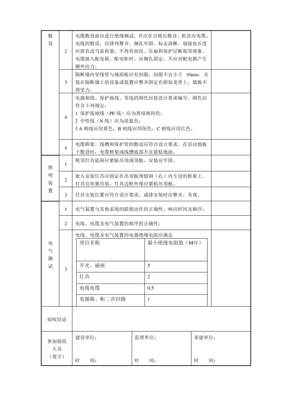
IDC 数据中心机房工程验收记录表防雷与接地验收记录表工程名称施工单位建设单位施工执行标准名称及编号编号YSJL-01分包单位监理单位《电子信息系统机房施工及验收规范》GB50462-2008《建筑物电子信息系统防雷技术规范》GB50343-2004《建筑电气工程施工质量验收规范》GB50303-2002施工质量验收内容浪涌保护器安装应牢固,接线应可靠。安装多个浪涌保验收结论(记录)1护器时,安装位置、顺序应符合设计和产品说明书的要求接地装置焊接应牢固,并应采取防腐措施。接地体埋设位置和深度应符合设计要求。引下线应固定。接地电阻值无法满足设计要求时,应采取物理或化学降阻措施。等电位联接金属带可采用焊接、熔接或压接。金属带表面应无毛刺、明显伤痕,安装应平整、连接牢固,焊接应进行防腐处理。接地线不得有机械损伤;穿越墙壁、楼板时应加装保护套管;在有化学腐蚀的位置应采取防腐措施;在跨越建筑物伸缩缝、沉降缝处、应弯成弧状,弧长宜为缝宽的1.5 倍。接地端子应做明显标记,接地线应沿长度方向用油漆刷成黄绿相间的条纹进行标记。接地线的敷设应平直、整齐。转弯时,弯曲半径应符合规范规定。接地线的连接宜采用焊接,焊接应牢固、无虚焊,并应进行防腐处理。防雷与接地装置2341接地线23验收结论建设单位:时间:监理单位:时间:承建单位:时间:参加验收人员(签字)供配电系统验收记录表工程名称施工单位建设单位施工执行标准名称及编号分包单位监理单位编号YSJL-02《建筑电气工程施工质量验收规范》GB 50303《电子信息系统机房施工及验收规范》GB50462-2008施工质量验收内容验 收 结 论 ( 记录)1234电气装置、配件及其附属技术文件是否齐全;线缆的型号、规格、敷设方式、相序、导通性、标志、保护等是否符合设计要求,已经隐蔽的应检查相关的隐蔽工程记录;照明装置的型号、规格、安装方式、外观质量及开关动作的准确性与灵活性是否符合设计要求。电气装置的型号、规格、安装方式是否符合设计要求;电气装置的安装应牢固可靠、标志明确、内外清洁。安装垂直通用1度偏差宜小于 1.5‰;同类电气设备的安装高度,在设计无规定时应一致开关、插座应按设计位置暗装,接线应正确、牢固。不间断电源插座应与其他电源插座有明显的形状或颜色区别落地安装的电源箱、柜应有基座。安装前,应按接线图检查内部接线。基座及电源箱、柜安装应牢固,箱、柜内部不应受额外应力。接入电源箱、柜电缆的弯曲半径宜大于电缆最小允许弯曲半径。...

1、当您付费下载文档后,您只拥有了使用权限,并不意味着购买了版权,文档只能用于自身使用,不得用于其他商业用途(如 [转卖]进行直接盈利或[编辑后售卖]进行间接盈利)。
2、本站所有内容均由合作方或网友上传,本站不对文档的完整性、权威性及其观点立场正确性做任何保证或承诺!文档内容仅供研究参考,付费前请自行鉴别。
3、如文档内容存在违规,或者侵犯商业秘密、侵犯著作权等,请点击“违规举报”。

碎片内容

IDC数据中心机房工程验收记录表

您可能关注的文档

确认删除?
VIP
微信客服
  • 扫码咨询
会员Q群
  • 会员专属群点击这里加入QQ群
客服邮箱
回到顶部