电脑桌面
添加小米粒文库到电脑桌面
安装后可以在桌面快捷访问

MCP41XXX系列低功耗256抽头数字电位器

MCP41XXX系列低功耗256抽头数字电位器_第1页
1/6
MCP41XXX系列低功耗256抽头数字电位器_第2页
2/6
MCP41XXX系列低功耗256抽头数字电位器_第3页
3/6
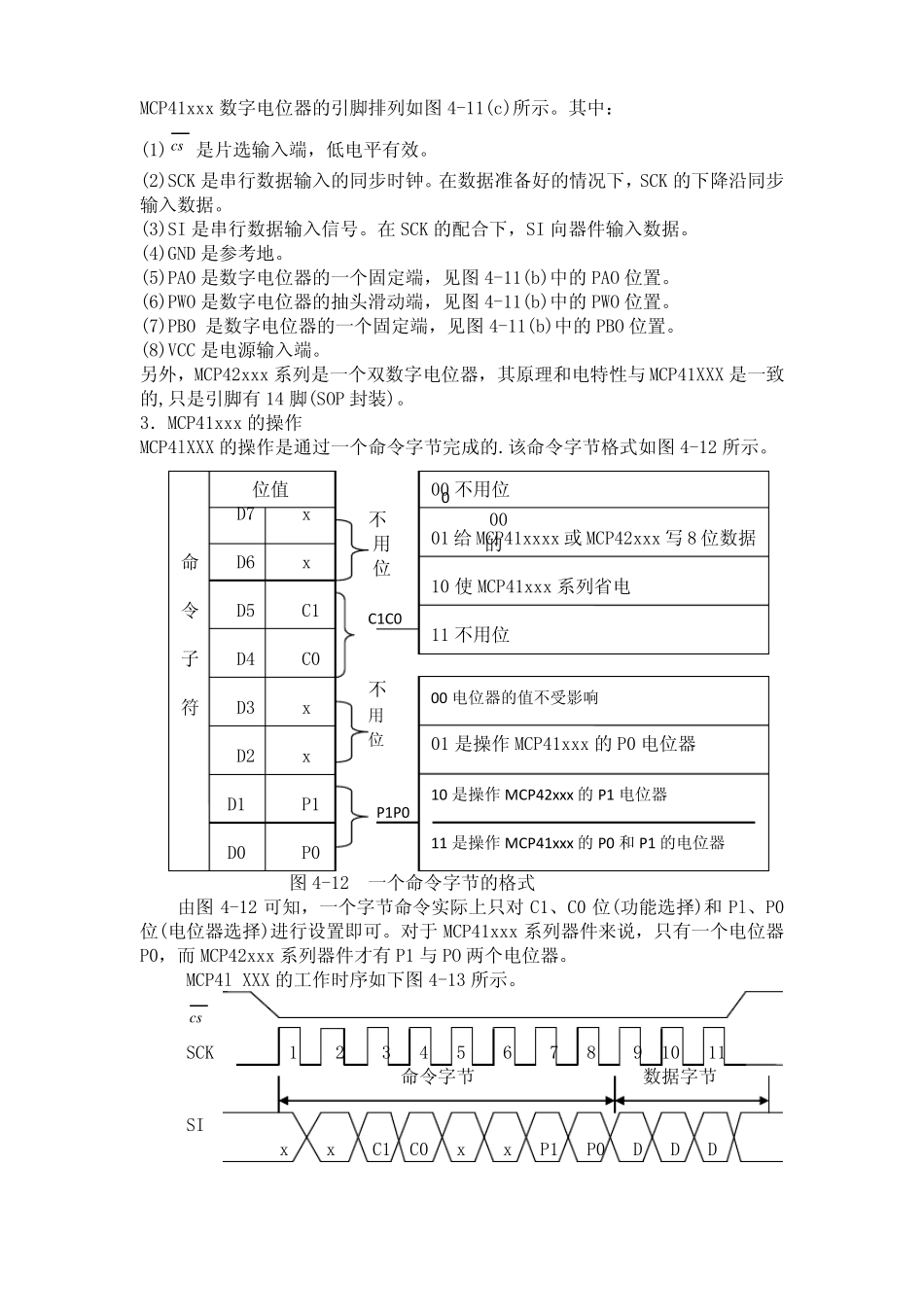
MCP41xxx 系列低功耗 256 抽头数字电位器4.1 硬件与功能描述机械式电位器通常用来调整系统参考电压、增益误差和偏置电压误差。数字电位器可以用来完成相同的任务,而且还能提供额外的数字调整控制功能。MCP41xxx 和 MCP42xxx 数字电位器系列器件可以在很大程度上像机械式电位器那样使用,这是因为对于含单个电位器的器件(MCP41010、MCP41050 和 MCP41100),有 三 个 电阻 端 子 ,而 对 于 含两 个 电 位器 的 器 件 (MCP42010 、 MCP42050 和MCP42100),则有六个电阻端子,就像机械电位器一样。 MCP41XXX 系列器件是具有 256 个抽头的数字电位器(XDCP)。该系列电阻有10KΩ 、50KΩ 和 100KΩ 几种,内部包含电阻阵列、滑动开关、控制单元和 16 位存储器。滑动端的位置由 SPI 总线控制。每次上电或重新复位“数据字节”的数据被初始化为 80H(即电位器的滑动端处在中心位置)。 MCP41xxx 系列器件采用 CMOS 工艺,功耗极低,被广泛地应用于仪器仪表和精密电压或电流控制系统中。 1.主要性能特点 (1)该系列总电阻有 10KΩ 、50KΩ 和 100KΩ 几种; (2)256 个滑动抽头点,滑动点的位置存储予内部存储器中; (3)255 个电阻单元,具有温度补偿; (4)采用 SPI 串行接口; (5)宽电压 CMOS 技术,最大工作电流为 500 μ A,最大静态电流为 1μ A; (6)电源电压范围为 2.7~5.5 V; (7)器件工作温度为-40~+85℃(工业)、-40~+125℃(军品)。 2.内部结构与引脚排列 MCP41xxx 系列数字电位器由一个包含 255 个电阻单元的电阻阵列和一个滑动端开关网络组成。滑动端的位置由 cs、SI 和 SCK3 线输入信号控制。其结构如图 6-11(a)所示。VCCcsPBO控制SIPWO与GNDSCK存储控制PBO PAO多路滑逻辑电子动 (b)开关移与位1816 位cscsPAOVCC电阻寄27锁存SISCKPBO阵列存36寄存器SCKPWO SIPWO器45 GNDPAO (a) (c)图 4-11 MCP41xxx 的内部结构、等效电路与引脚排列(a)内部结构: (b)等效电路: (c)引脚排列MCP41xxx 数字电位器的引脚排列如图 4-11(c)所示。其中:(1) cs 是片选输入端,低电平有效。(2)SCK 是串行数据输入的同步时钟。在数据准备好的情况下,SCK 的下降沿同步输入数据。(3)SI 是串行数据输入信号。在 SCK 的配合下,SI 向器件输入数据。(4)GND 是参考地。(5)PAO 是数字电位器的一个固定端,见图 4-11(b)中的 PAO 位置。(6)PWO 是数字电位器的...

1、当您付费下载文档后,您只拥有了使用权限,并不意味着购买了版权,文档只能用于自身使用,不得用于其他商业用途(如 [转卖]进行直接盈利或[编辑后售卖]进行间接盈利)。
2、本站所有内容均由合作方或网友上传,本站不对文档的完整性、权威性及其观点立场正确性做任何保证或承诺!文档内容仅供研究参考,付费前请自行鉴别。
3、如文档内容存在违规,或者侵犯商业秘密、侵犯著作权等,请点击“违规举报”。

碎片内容

MCP41XXX系列低功耗256抽头数字电位器

爱的疯狂+ 关注
实名认证
内容提供者

该用户很懒,什么也没介绍

确认删除?
VIP
微信客服
  • 扫码咨询
会员Q群
  • 会员专属群点击这里加入QQ群
客服邮箱
回到顶部