电脑桌面
添加小米粒文库到电脑桌面
安装后可以在桌面快捷访问

动力照明系统施工方案

动力照明系统施工方案_第1页
1/23
动力照明系统施工方案_第2页
2/23
动力照明系统施工方案_第3页
3/23
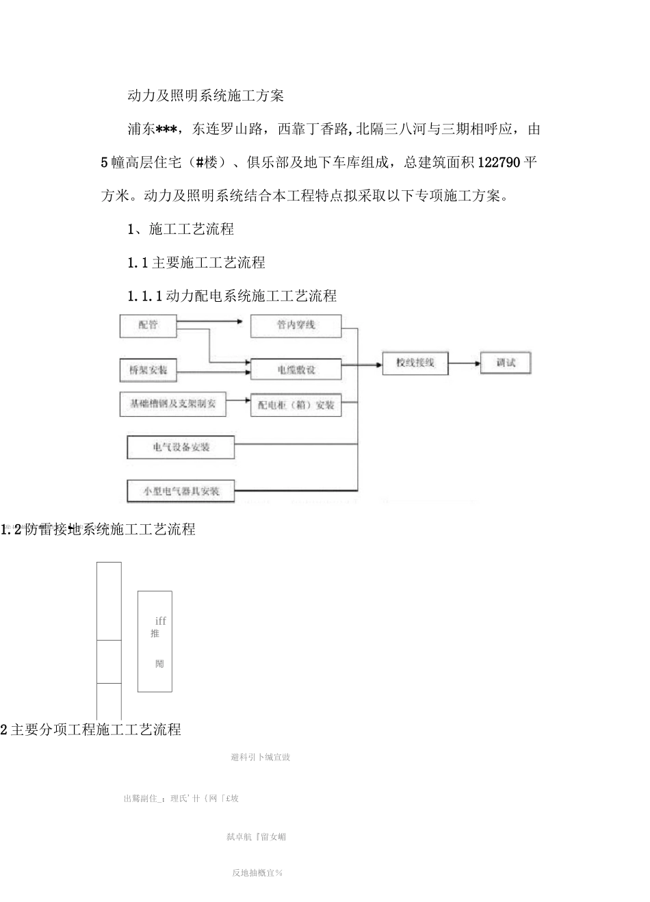
践地僧整■说 I—►找皿社浹吐动力及照明系统施工方案浦东***,东连罗山路,西靠丁香路,北隔三八河与三期相呼应,由5 幢高层住宅(#楼)、俱乐部及地下车库组成,总建筑面积 122790 平方米。动力及照明系统结合本工程特点拟采取以下专项施工方案。1、施工工艺流程1.1 主要施工工艺流程1.1.1 动力配电系统施工工艺流程1.1.2 防雷接地系统施工工艺流程iff推鬧1.2 主要分项工程施工工艺流程避科引卜缄宣豉出鷲副住_;理氏'卄{网「£坡弑卓航『留女嵋反地抽槪宜%1.2.3 低压配电柜(箱)安装施工工艺流程1.2.1 电缆桥架安装施工工艺流程1.2.2 电缆敷设施工工艺流程总辭】『阳总厲汰磁*:霖」”虫芸>Sn1H'>伙同瞬结红试蜀训戡凶(!^f 诩收1.3 总体施工工艺流程图A)本工程电线、电缆保护管采用镀锌钢管。埋设在混凝土及墙体内的电线管的连接采用套管焊接连接,明配管采用丝接或卡套连接。B)钢管连接采用螺纹连接时管端螺纹长度不应小于管接头长度的 1/2,连接后其螺纹宜外露 2-3 扣,螺纹表面应光滑、无缺损,在地坪下、潮湿或腐蚀区域、室内及危险区域内的金属穿线管的外露螺纹应涂防锈漆。C)镀锌钢管的跨接地线宜采用专用接地线卡跨接,不应采用熔焊连接。D)钢管煨弯:G25 以下钢管煨弯采用手动煨弯器,G32 以上采用液压弯管机煨弯,G70 以上采用专业工厂加工,以上各种规格的钢管煨制可进行工厂预制,管子的弯曲应符合“规范”要求。E)在管了通过建筑物的伸缩(沉降缝)时,应按管子通过建筑物伸缩缝做法施工,设变形和伸缩接头。穿线管明敷时在所有建筑物伸缩缝处的穿线管应设管伸缩节。F)配管线路直线段超过 12 米,或直角弯超过 2 个时,应装中间接线盒,以便穿线。G)配制电管时,管口应光滑,无毛刺,切断口应平整。H)进入落地配电箱的电线管管口应高出砼面 50mm-80mm,到设备处的电线管管口应高出砼面 200mm。多根管子进入配电箱时,应排列整齐,管口进入箱内高度一致。I)由配电箱、控制箱等引出、引入的电缆、电线管,需将电管与箱体外壳与接地网可靠连接。J)在混凝土浇筑前安装好符合施工要求和现场情况的管堵或管帽,并保证穿线管内干燥、无水、无污物。自外部穿过混凝土墙或地坪底部的穿插线管进口应做临时密封防水处理。K)埋入建筑物、构筑物内的电线保护管外表面,与建筑物、构筑物表面的距离不应小于 15m。L)隐蔽工程在施工过程中应要求监理进行验收,并做好施工记录。M)所有专用吊架或吊杆及螺栓...

1、当您付费下载文档后,您只拥有了使用权限,并不意味着购买了版权,文档只能用于自身使用,不得用于其他商业用途(如 [转卖]进行直接盈利或[编辑后售卖]进行间接盈利)。
2、本站所有内容均由合作方或网友上传,本站不对文档的完整性、权威性及其观点立场正确性做任何保证或承诺!文档内容仅供研究参考,付费前请自行鉴别。
3、如文档内容存在违规,或者侵犯商业秘密、侵犯著作权等,请点击“违规举报”。

碎片内容

动力照明系统施工方案

确认删除?
VIP
微信客服
  • 扫码咨询
会员Q群
  • 会员专属群点击这里加入QQ群
客服邮箱
回到顶部