电脑桌面
添加小米粒文库到电脑桌面
安装后可以在桌面快捷访问

继电保护实验报告

继电保护实验报告_第1页
1/7
继电保护实验报告_第2页
2/7
继电保护实验报告_第3页
3/7
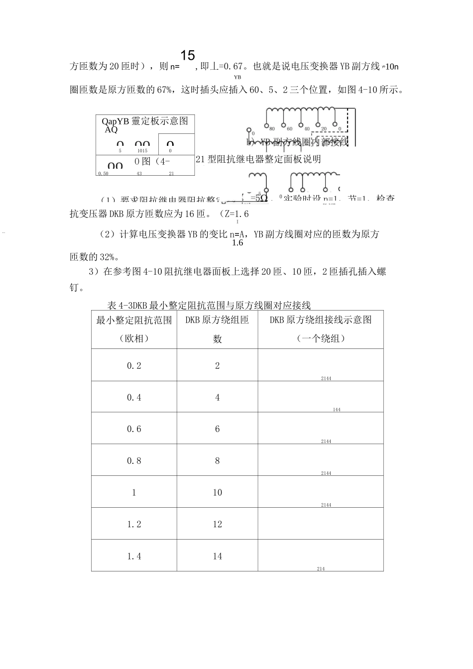
电力系统继电保护实验报告姓名指导教师专业班级学院信息工程学院实验二:方向阻抗继电器特性实验一、实验目的1. 熟悉整流型 LZ-21 型方向阻抗继电器的原理接线图,了解其动作特性;2. 测量方向阻抗继电器的静态 Z 二 fG)特性,求取最大灵敏角;pu3. 测量方向阻抗继电器的静态 Z=f(I)特性,求取最小精工电流;pur4.研究方向阻抗继电器记忆回路和引入第三相电压的作用。二、实验内容1.整流型阻抗继电器的阻抗整定值的整定和调整前述可知,当方向阻抗继电器处在临界动作状态时,推证的整定阻抗表达式如式 4-3 所示,显然,阻抗继电器的整定与 LZ-21 中的电抗变压器 DKB 的模拟阻抗 Z、电压变换器 YB 的变比 n、电压互感器变比 n 和电流互感器 n 有关。IYBPTCT例如,若要求整定阻抗为 Zset=15Q,当 n=100,n=20,Z=20(即 DKB 原PTCTIQapYB 靈定板示意图AQo ooo510150ooO 图(4-10LZ-0.504321(1)要求阻抗继电器阻抗整定值,0实验时设 n=1,节=1,检查PLJCTy方匝数为 20 匝时),则 n=15,即丄=0.67。也就是说电压变换器 YB 副方线 yb10nYB圈匝数是原方匝数的 67%,这时插头应插入 60、5、2 三个位置,如图 4-10 所示。抗变压器 DKB 原方匝数应为 16 匝。(Z=1.6I(2)计算电压变换器 YB 的变比 n=A,YB 副方线圈对应的匝数为原方1.6匝数的 32%。3)在参考图 4-10 阻抗继电器面板上选择 20 匝、10 匝,2 匝插孔插入螺钉。表 4-3DKB 最小整定阻抗范围与原方线圈对应接线最小整定阻抗范围(欧相)DKB 原方绕组匝数DKB 原方绕组接线示意图(一个绕组)0.2221440.441440.6621440.88214411021441.2121.41421421 型阻抗继电器整定面板说明图1图 4-1—Z-21 方向阻抗继电器实验原理接线电源开关;:v 阻”测最Q4)合上三相电源开关、单相电(C5)打开电秒表O°—压上Lf*-■开关置于相多功能表图21方向指示灯亮厂相位频率测量单元的开关拔到⑰外接频率”位置。(6)调节三相调压器吏电压表读数为 20V,调节单相J 调压器吏电流表读为 1A,检查电秒表,看其读数是否正确,分析继电器接线极性是否正确。(5)上述步骤完成后,保持整定值不变,继续做下一个实验。2.方向阻抗继电器的静态特性 Z=f(申)测试实验pu实验步骤如下:(1)熟悉 LZ-21 方向阻抗继电器和 ZNB-II 智能电秒表的操作接线及实验原理。认真阅读 LZ-21 方向阻抗继电器原理接线图 4-2 和实验原理接线图(图 4-11)...

1、当您付费下载文档后,您只拥有了使用权限,并不意味着购买了版权,文档只能用于自身使用,不得用于其他商业用途(如 [转卖]进行直接盈利或[编辑后售卖]进行间接盈利)。
2、本站所有内容均由合作方或网友上传,本站不对文档的完整性、权威性及其观点立场正确性做任何保证或承诺!文档内容仅供研究参考,付费前请自行鉴别。
3、如文档内容存在违规,或者侵犯商业秘密、侵犯著作权等,请点击“违规举报”。

碎片内容

继电保护实验报告

wxg+ 关注
实名认证
内容提供者

该用户很懒,什么也没介绍

确认删除?
VIP
微信客服
  • 扫码咨询
会员Q群
  • 会员专属群点击这里加入QQ群
客服邮箱
回到顶部