电脑桌面
添加小米粒文库到电脑桌面
安装后可以在桌面快捷访问

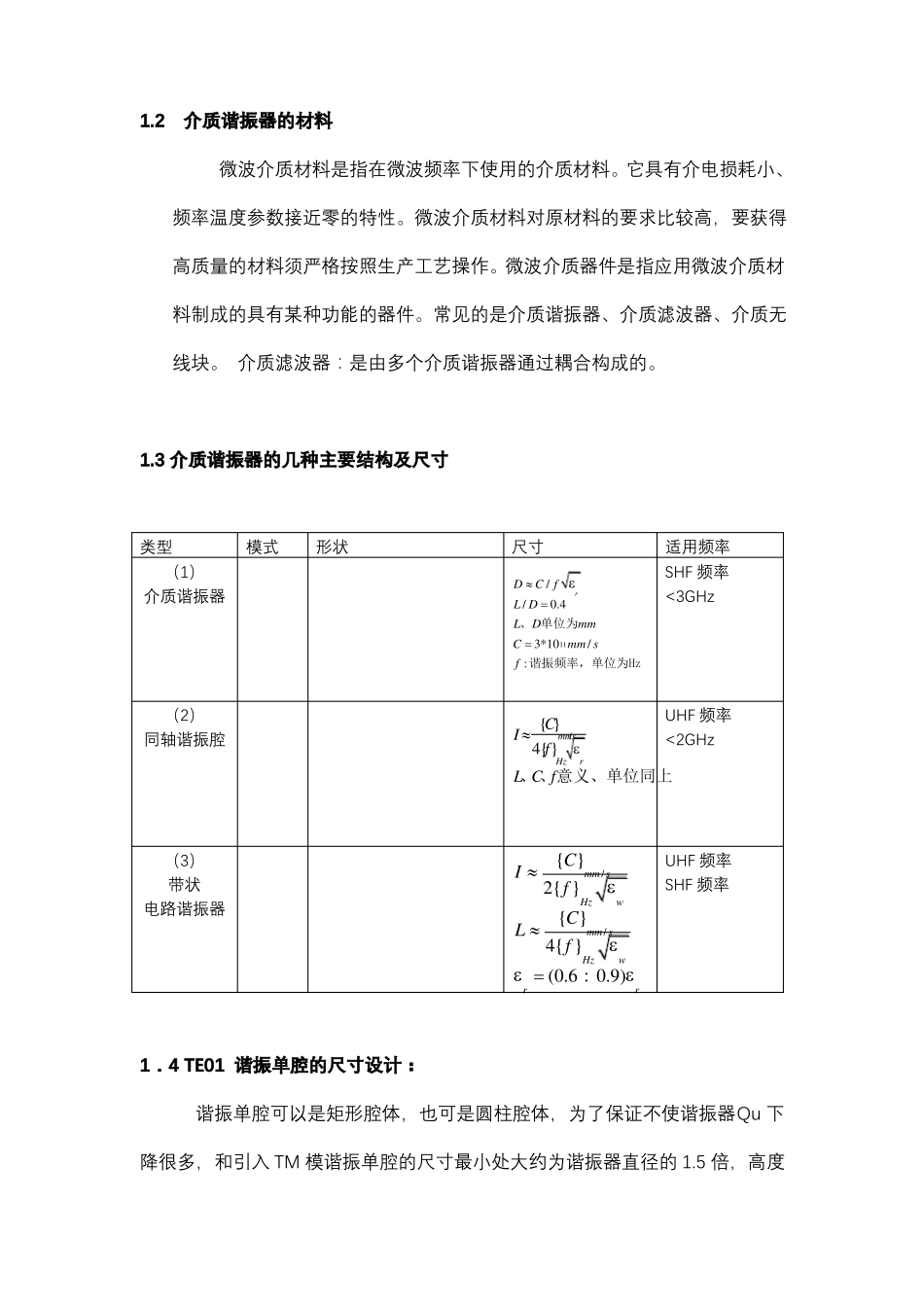
介质滤波器技术总结

介质滤波器技术总结_第1页
1/13
介质滤波器技术总结_第2页
2/13
介质滤波器技术总结_第3页
3/13
TE01δ模式介质谐振滤波器技术总结一、前言由于通信技术的发展,低费用、更有效、更好品质的无线通信系统而需要高性能,小体积和低损耗滤波器。所以介质滤波器,腔体介质谐振滤波器的研究与开发,是今后滤波器发展的重点所在。1.1介质谐振器的工作原理电磁壁理论理想的导体壁(电磁率为零)在电磁理论中称为电壁,在电壁上,电场的切向分量为零,磁场的法向分量为零。电磁波入射到电壁上,将会完全反射回来,没有透射波穿透电壁。因此,用电壁围成一个封闭腔,一旦有适当频率的电磁波馈入,波将在腔的电壁上来回反射,在腔内形成电磁驻波,发生电磁谐振。此时即使外部停止向腔内馈送能量,已建立起来的电磁振荡仍将无衰减维持下去。可见电壁空腔是一种谐振器,电磁能量按一定频率在其中振荡。当然,非理想导体壁构成的空腔,也具有电壁空腔的类似特性,只不过外部停止馈送能量后,起内部已建立起来的电磁振荡,不会长期地维持下去,将随时间而逐渐衰减,终于消逝,成为阻尼振荡。谐振器中电磁振荡维持的时间的长短(时间常数)是其 Q值高低的一种度量。高介电常数的介质的界面能使电磁波发生完全的或者近似完全的反射。当然,这两类的界面性质不同,其对电磁波的反射特性也不尽相同。电磁波在导体壁上的电场切向分量为零,故入射波与反射波的电场切向分量相消,仅有法向分量,因为合成场的电力线垂直导体表面,亦即垂直电壁;而在高介电常数的介质界面上,磁场的切向分量近似为零,入射波与反射波的磁场切向分量近似相消,合成场的磁力线近似垂直于介质界面。在电磁场理论中,垂直于磁力线的壁称为磁壁,故高介电常数的介质表面可以近似看为磁壁,只有时,才是真正的磁壁。在磁壁上,磁场切向分量为零,电场法向分量为零,它与电壁对偶。既然电壁所构成的空腔可以作为微波谐振器,显然,磁壁周围的介质块可以近似是个磁谐振器,电磁能量在介质块内振荡,不会穿过磁壁泄露到空气里。介质波导理论若将一个介质棒变成一个环,令其首尾相连接,并使连接处电磁波有相同相位,该电磁波就能在环内循环传输,成为一个行波环。如果介质损耗非常小,循环时间就很长,于是电磁波被“禁锢”在介质环内,成为一个环形介质谐振器。介质环的最小平均周长,应该是被导波的一个波导波长。上述的谐振条件并未对介质环的形状加以任何限制,所以环可以是圆的,方的或者其他任意形状。此外,环的内径大小对谐振来说也不是实质性的,内径缩小至零,照样能维持谐振,储存电...

1、当您付费下载文档后,您只拥有了使用权限,并不意味着购买了版权,文档只能用于自身使用,不得用于其他商业用途(如 [转卖]进行直接盈利或[编辑后售卖]进行间接盈利)。
2、本站所有内容均由合作方或网友上传,本站不对文档的完整性、权威性及其观点立场正确性做任何保证或承诺!文档内容仅供研究参考,付费前请自行鉴别。
3、如文档内容存在违规,或者侵犯商业秘密、侵犯著作权等,请点击“违规举报”。

碎片内容

介质滤波器技术总结

您可能关注的文档

确认删除?
VIP
微信客服
  • 扫码咨询
会员Q群
  • 会员专属群点击这里加入QQ群
客服邮箱
回到顶部