电脑桌面
添加小米粒文库到电脑桌面
安装后可以在桌面快捷访问

全国第二次污染普查工业表格打印版

全国第二次污染普查工业表格打印版_第1页
1/11
全国第二次污染普查工业表格打印版_第2页
2/11
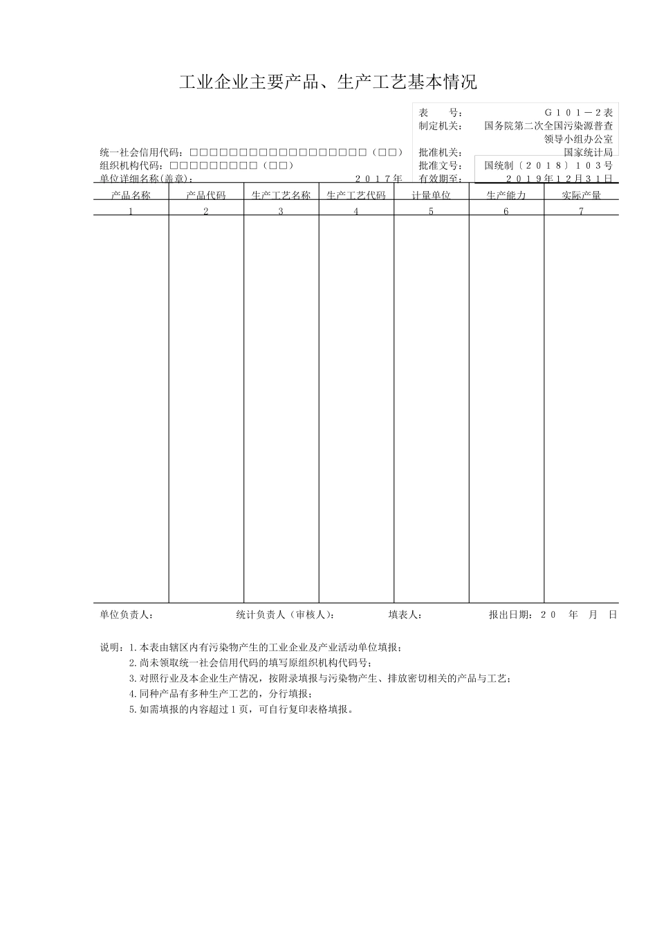
全国第二次污染普查工业表格打印版_第3页
3/11
工业企业基本情况表号:制定机关:批准机关:批准文号:2017年有效期至:□□□□□□□□□□□□□□□□□□(□□)尚未领取统一社会信用代码的填写原组织机构代码号:□□□□□□□□□(□□)单位详细名称:曾用名:行业名称 1:行业代码 1:□□□□03.行业类别行业名称 2:行业代码 2:□□□□行业名称 3:行业代码 3:□□□□__________________省(自治区、直辖市) ______________________地(区、市、州、盟)04.单位所在地及区划__________________县(区、市、旗) _________________________乡(镇)__________________________________________________________街(村)、门牌号区划代码□□□□□□□□□□□□05.企业地理坐标06.企业规模08.开业(成立)时间09.联系方式经度:_______度_______分________秒纬度:_______度_______分________秒□ 1 大型 2 中型 3 小型 4 微型□□□□年□□月联系人:电话号码:□□□内资110 国有120 集体130 股份合作141 国有联营10.登记注册类型142 集体联营143 国有与集体联营149 其他联营151 国有独资公司11.受纳水体12.是否发放新版排污许可证13.企业运行状态14.正常生产时间15.工业总产值(当年价格)16.产生工业废水17.有锅炉/燃气轮机18.有工业炉窑19.有炼焦工序受纳水体名称:受纳水体代码:□ 1 是 2 否许可证编号:___________□ 1 运行 2 全年停产___________小时___________千元□ 1 是 2 否注:选“1”的,须填报 G102 表□ 1 是 2 否注:选“1”的,须填报 G103-1 表□ 1 是 2 否注:选“1”的,须填报 G103-2 表□ 1 是 2 否注:选“1”的,须填报 G103-3 表173 私营有限责任公司174 私营股份有限公司190 其他159 其他有限责任公司160 股份有限公司171 私营独资172 私营合伙220 与港澳台商合作经营230 港、澳、台商独资240 港、澳、台商投资股份有限公司290 其他港、澳、台商投资320 中外合作经营330 外资企业340 外商投资股份有限公司390 其他外商投资港澳台商投资210 与港澳台商合资经营外商投资310 中外合资经营G101-1表国务院第二次全国污染源普查领导小组办公室国家统计局国统制〔2018〕103号2019年12月31日01.统一社会信用代码02.单位详细名称及曾用名07.法定代表人(单位负责人)20.有烧结/球团工序21.有炼铁工序22.有炼钢工序23.有熟料生产24.是否为石化企业25.有有机...

1、当您付费下载文档后,您只拥有了使用权限,并不意味着购买了版权,文档只能用于自身使用,不得用于其他商业用途(如 [转卖]进行直接盈利或[编辑后售卖]进行间接盈利)。
2、本站所有内容均由合作方或网友上传,本站不对文档的完整性、权威性及其观点立场正确性做任何保证或承诺!文档内容仅供研究参考,付费前请自行鉴别。
3、如文档内容存在违规,或者侵犯商业秘密、侵犯著作权等,请点击“违规举报”。

碎片内容

全国第二次污染普查工业表格打印版

您可能关注的文档

确认删除?
VIP
微信客服
  • 扫码咨询
会员Q群
  • 会员专属群点击这里加入QQ群
客服邮箱
回到顶部