电脑桌面
添加小米粒文库到电脑桌面
安装后可以在桌面快捷访问

煤矿水文地质预报VIP专享

煤矿水文地质预报_第1页
1/10
煤矿水文地质预报_第2页
2/10
煤矿水文地质预报_第3页
3/10
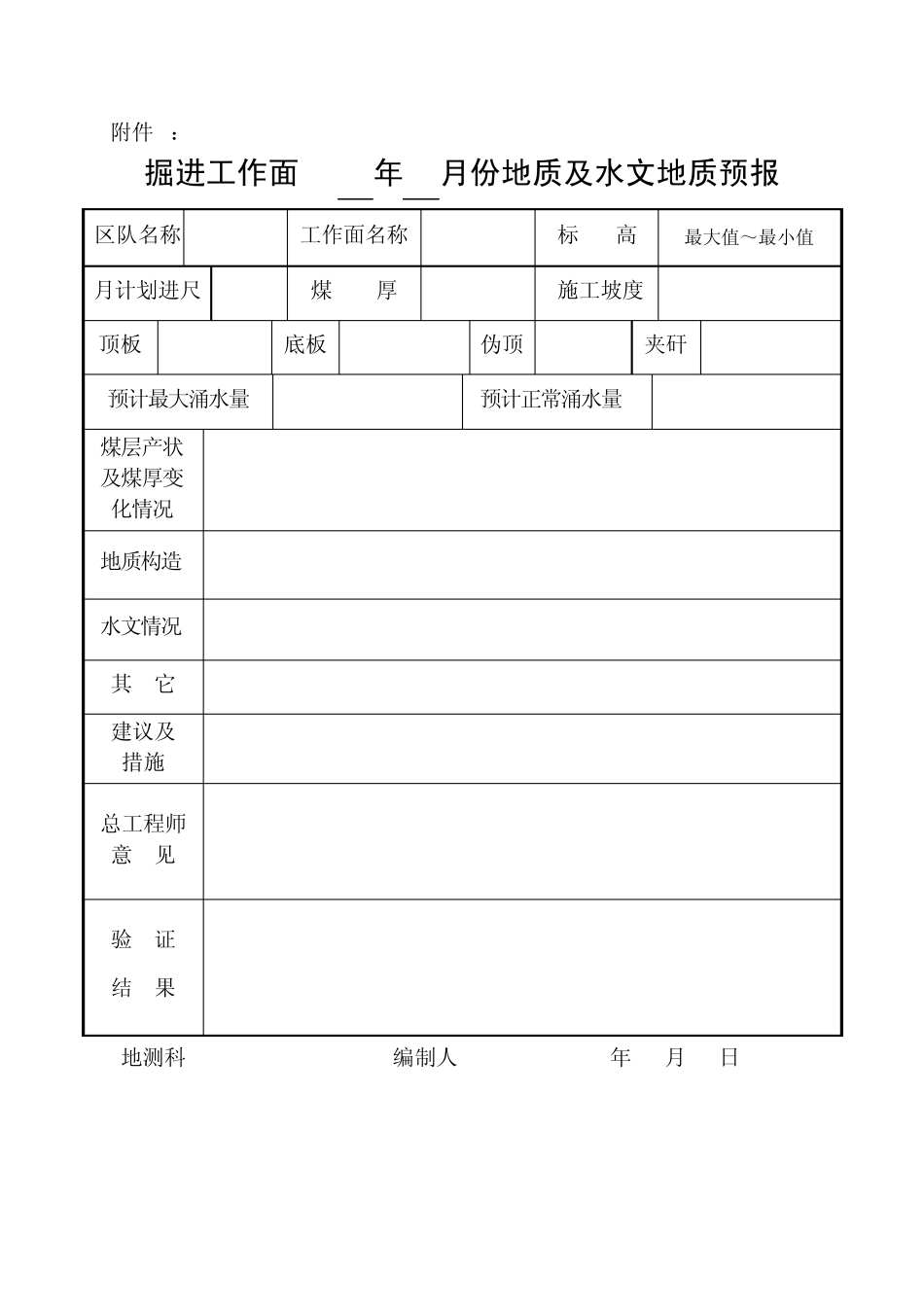
附件 1: 煤业 二 O 年度矿井地质及水文地质预报 编 制: 审 核: 总工程师: 年 月 日 二O 年度矿井地质及水文地质预报 根据矿井年度作业计划,依据《煤矿防治水规定》和《煤矿安全规程》规定,结合目前我矿采掘生产情况,现就20地质及水文地质预报如下: 一、20 年矿井采掘作业计划安排: 20 年度,我公司生产原煤 万吨,完成掘进进尺 米,其中掘进产量 万吨,回采产量 万吨。各个作业地点的分布是: 二、各工作面四邻关系:(详细描述各个工作面四邻关系) 三、各工作面所在区域地质情况预报: 1、地质构造: 2、煤层赋存状况及顶底板岩性: 煤层赋存情况、产状、顶底板岩性、复采老空等情况详细描述。 3、其他开采技术条件: 瓦斯: 煤尘: 煤层自燃: 地压: 四、水文地质预报: 根据矿井地质报告,我矿水文地质条件为 型。 (一)回采工作面水情水害预报 工作面:计划回采长度,回采范围煤层厚度及变化,水文地质情况,预计出水来源和正常及最大涌水量。掘进过程中注意事项及针对性措施。 (二)掘进工作面水情水害预报 1、 煤巷:计划掘进长度,巷道坡度,掘进范围煤层厚度及变化,水文地质情况,预计出水来源和正常及最大涌水量。掘进过程中注意事项及针对性措施。 2、 岩巷:计划掘进长度,巷道坡度,掘进范围岩层性质及距煤层法线距离,水文地质情况,预计出水来源和正常及最大涌水量。掘进过程中注意事项及针对性措施。 五、防治水害主要措施及建议 附件2: 掘进工作面20 年 月份地质及水文地质预报 区队名称 工作面名称 标 高 最大值~最小值 月计划进尺 m 煤 厚 m 施工坡度 顶板 底板 伪顶 夹矸 预计最大涌水量 m3/h 预计正常涌水量 m3/h 煤层产状及煤厚变化情况 地质构造 水文情况 其 它 建议及 措施 总工程师 意 见 验 证 结 果 地测科: 编制人: 年 月 日 附件3: 回采工作面20 年 月份地质及水文地质预报 区队名称 工作面名称 上副巷标高 最大值~最小值 月计划进尺 m 可采宽度 m 下副巷标高 最大值~最小值 顶板 底板 伪顶 夹矸 预计最大涌水量 m3/h 预计正常涌水量 m3/h 煤层产状及煤厚变化情况 地质构造 水文情况 储量预计 其 它 建议及 措施 总工程师 意 见 验 证 结 果 地测科: 编制人: 年 月 日 附件 4: 煤矿 掘进工作面水文地质情况分析报告 编 制: 编制单位: 年 月 日 ...

1、当您付费下载文档后,您只拥有了使用权限,并不意味着购买了版权,文档只能用于自身使用,不得用于其他商业用途(如 [转卖]进行直接盈利或[编辑后售卖]进行间接盈利)。
2、本站所有内容均由合作方或网友上传,本站不对文档的完整性、权威性及其观点立场正确性做任何保证或承诺!文档内容仅供研究参考,付费前请自行鉴别。
3、如文档内容存在违规,或者侵犯商业秘密、侵犯著作权等,请点击“违规举报”。

碎片内容

煤矿水文地质预报

确认删除?
VIP
微信客服
  • 扫码咨询
会员Q群
  • 会员专属群点击这里加入QQ群
客服邮箱
回到顶部