电脑桌面
添加小米粒文库到电脑桌面
安装后可以在桌面快捷访问

特种电机实验指导书

特种电机实验指导书_第1页
1/13
特种电机实验指导书_第2页
2/13
特种电机实验指导书_第3页
3/13
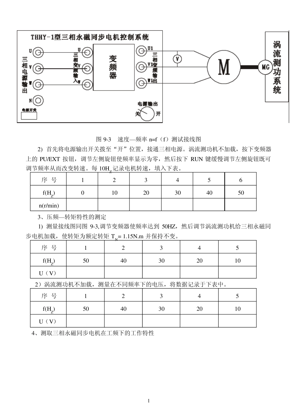
三相永磁同步电机实验 一、实验目的 1、掌握三相永磁同步电机结构特点 2、掌握三相永磁同步电机工作原理 3、掌握三相永磁同步电机运行特性 二、预习要点 1、三相永磁同步电机的工作原理 2、三相永磁同步电机的运行特性 三、实验项目 1、测量定子绕组的冷态电阻。 2、速度—频率 n =f(f)测试 3、测取三相永磁同步电机在工频下的工作特性。 四、实验方法 1、实验设备 序 号 型 号 名 称 数 量 备注 1 THCG-1 涡流测功系统 1 件 2 DD03-4 涡流测功系统导轨 1 件 3 THHY-1 三相永磁同步电机控制系统 1 件 4 HK91 三相永磁同步电机 1 件 5 万用表 1 件 自备 2、速度—频率 n=f(f)测试 1) 按图 9-3 接线。电机绕组为 Y 接法,永磁同步电机直接与涡流测功机同轴联接。 1 图9-3 速度—频率n=f(f)测试接线图 2) 首先将电源输出开关拨至“开”位置,接通三相电源。涡流测功机不加载,按下变频器上的 PU/EXT 按钮,调节左侧旋钮使频率显示为零,然后按下 RUN 键缓慢调节左侧旋钮既可调节频率从而改变转速。每 10HZ记录电机转速,填入下表。 序 号 1 2 3 4 5 6 f(HZ) 0 10 20 30 40 50 n(r/min) 3、压频—转矩特性的测定 1) 测量接线图同图9-3,调节变频器使频率达到 50HZ,然后调节涡流测功机给三相永磁同步电机加载,使转矩为额定转矩 TN= 1.15N.m 并保持不变。 序 号 1 2 3 4 5 f(HZ) 50 40 30 20 10 U(V) 2)涡流测功机不加载,测量在不同频率下的电压,将数据记录于下表中。 序 号 1 2 3 4 5 f(HZ) 50 40 30 20 10 U(V) 4、测取三相永磁同步电机在工频下的工作特性 2 1) 测量接线图同图9-4,与涡流测功电机同轴联接。 图9-4 三相永磁同步电机在工频下的工作特性 2) 首先将电源输出开关拨至“开”位置,接通三相电源。 3)调节涡流测功机,使同步电机的输出功率逐渐上升,直至1.2 倍额定功率。 5)然后逐渐减小负载直至空载,在这范围内读取同步电机的定子电流、输入功率、转速等数据记录于下表。 表 4-6 U1φ=U1N=380V(Y) 序 号 I1L (A) *I1L*U1φ(W) PⅠ(W) P1 =3PⅠ (W) n (r/min) T2 (N·m) P2 (W) cosφ1 η (%) 1 2 3 4 5 6 8 9 10 五、实验报告 1、计算基准工作温度时的相电阻 由实验直接测得每相电阻值,此值为实际冷态电阻值。冷态温度为室 温。按下式换算到基...

1、当您付费下载文档后,您只拥有了使用权限,并不意味着购买了版权,文档只能用于自身使用,不得用于其他商业用途(如 [转卖]进行直接盈利或[编辑后售卖]进行间接盈利)。
2、本站所有内容均由合作方或网友上传,本站不对文档的完整性、权威性及其观点立场正确性做任何保证或承诺!文档内容仅供研究参考,付费前请自行鉴别。
3、如文档内容存在违规,或者侵犯商业秘密、侵犯著作权等,请点击“违规举报”。

碎片内容

特种电机实验指导书

您可能关注的文档

小辰9+ 关注
实名认证
内容提供者

出售各种资料和文档

确认删除?
VIP
微信客服
  • 扫码咨询
会员Q群
  • 会员专属群点击这里加入QQ群
客服邮箱
回到顶部