电脑桌面
添加小米粒文库到电脑桌面
安装后可以在桌面快捷访问

特种设备月度、年度定期检查记录

特种设备月度、年度定期检查记录_第1页
1/13
特种设备月度、年度定期检查记录_第2页
2/13
特种设备月度、年度定期检查记录_第3页
3/13
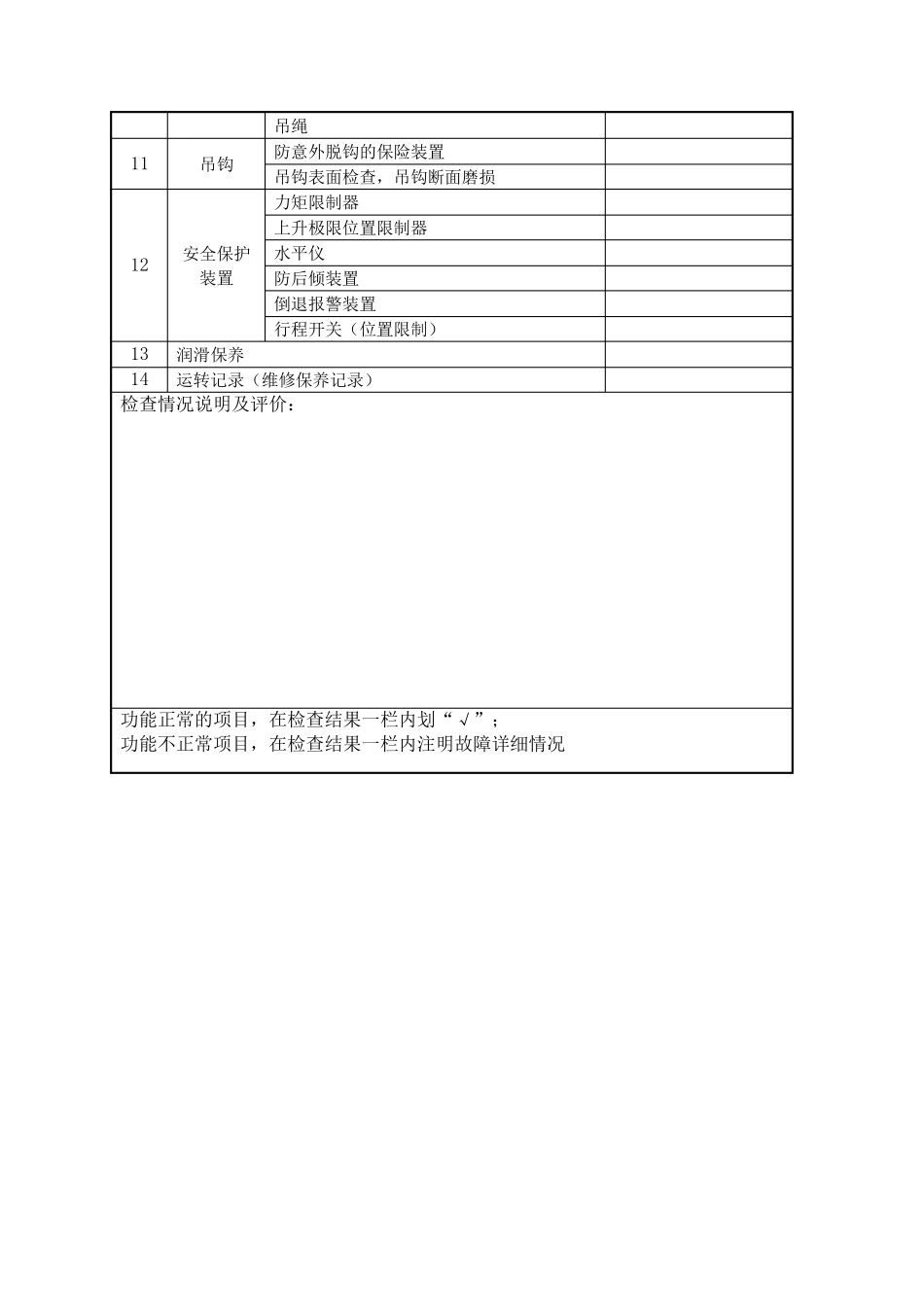
特种设备月度检查记录(起重机械) 设备名称 设备编号 使用场所 检查周期 检查部门 检查人 日 期 年 月 日 序号 检查内容及要求 检查结果 1 作业环境 设备外观整洁 操作室仪表板 操作平台锁、小车锁 操作规程、设备标识 作业时运动部件、吊件与外线距离 2 动力机 动力机运转情况 润滑油、冷却液 电机使用情况 3 传动、回转及行走机构 减速器、变速器及螺栓检查 传动部件的检查 回转机构的检查 行走系统(差速器、轮胎) 润滑油 4 制动系统 行走制动系统 回转制动 5 液压系统 液压油量的检查 液压泵、阀、马达工作情况 6 电气系统 主要电气零部件的安装 各仪器、仪表照明及信号装置 电气控制机构 电源控制箱的检查 7 金属结构 主要结构件(部件) 铆接、螺栓 操作室及附属构件 防护装置 主副臂、机身(塔身) 防腐 8 卷筒 滚筒上的钢丝绳排列(排绳器检查) 绳槽磨损 卷筒凸缘高度 筒臂磨损 9 滑轮和滑轮组 外观检查 防钢丝绳子跳槽的保护装置 滑轮轴润滑 10 钢丝绳 主绳 吊绳 11 吊钩 防意外脱钩的保险装置 吊钩表面检查,吊钩断面磨损 12 安全保护装置 力矩限制器 上升极限位置限制器 水平仪 防后倾装置 倒退报警装置 行程开关(位置限制) 13 润滑保养 14 运转记录(维修保养记录) 检查情况说明及评价: 功能正常的项目,在检查结果一栏内划“√”; 功能不正常项目,在检查结果一栏内注明故障详细情况 特种设备月度检查记录(压力容器) 设 备 名 称 设 备 编 号 使 用 场 所 检 查 周 期 检 查 部 门 检 查 人 日 期 年 月 日 序 号 检 查 内 容 及 要 求 检 查 结 果 1 环 境 场 地 内 无 阻 碍 操 作 的 障 碍 物 卫 生 保 持 清 洁 高 温 物 体 距 离 压 力 容 器 保 持 一 定 安 全 距 离 2 主 要 零 部 件 安 全 阀 无 过 期 、 无 失 效 , 完 好 运 行 压 力 表 无 过 期 、 无 破 损 , 完 好 运 行 焊 缝 无 裂 纹 有 效 容 器 污 锈 蚀 阀 门 安 全 有 效 弯 头 、 接 头 连 接 可 靠 容 器 本 体 固 定 稳 当 , 无 倾 斜 容 器 无 泄 漏 人 孔 、 端 头 封 盖 头 无 泄 漏 表 面 无 油 污 、 灰 尘 容 器 母 体 无 损 伤 3 外 部...

1、当您付费下载文档后,您只拥有了使用权限,并不意味着购买了版权,文档只能用于自身使用,不得用于其他商业用途(如 [转卖]进行直接盈利或[编辑后售卖]进行间接盈利)。
2、本站所有内容均由合作方或网友上传,本站不对文档的完整性、权威性及其观点立场正确性做任何保证或承诺!文档内容仅供研究参考,付费前请自行鉴别。
3、如文档内容存在违规,或者侵犯商业秘密、侵犯著作权等,请点击“违规举报”。

碎片内容

特种设备月度、年度定期检查记录

您可能关注的文档

确认删除?
VIP
微信客服
  • 扫码咨询
会员Q群
  • 会员专属群点击这里加入QQ群
客服邮箱
回到顶部