电脑桌面
添加小米粒文库到电脑桌面
安装后可以在桌面快捷访问

环境因素辨识及评价表、重大环境因素清单

环境因素辨识及评价表、重大环境因素清单_第1页
1/18
环境因素辨识及评价表、重大环境因素清单_第2页
2/18
环境因素辨识及评价表、重大环境因素清单_第3页
3/18
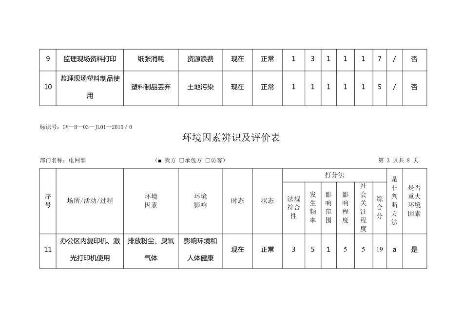
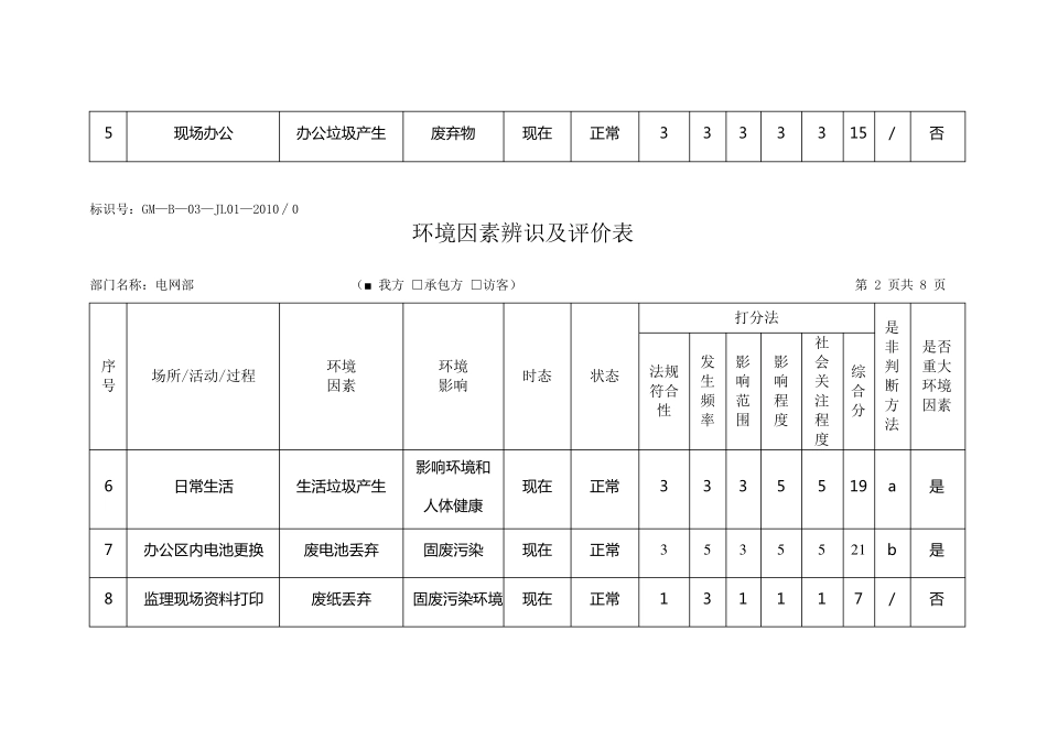
标识号:GM—B—03—JL01—2010∕0 环境因素辨识及评价表 部门名称:电网部 (■ 我方 □承包方 □访客) 第 1 页共 8 页 序 号 场所/活动/过程 环境 因素 环境 影响 时态 状态 打分法 是非判断方法 是否重大环境因素 法规符合性 发生 频率 影响范围 影响程度 社会关注程度 综 合 分 1 监 理 处 办 公 室 及 生 活区 用 电 电 能 消 耗 能 源 浪 费 现 在 正 常 1 3 3 3 3 13 / 否 2 监 理 现 场 电 脑 操 作 电 磁辐射 健康受损 现 在 正 常 1 3 1 3 1 9 / 否 3 监 理 部使用 汽车 汽车尾气排放 大气污染 现 在 正 常 3 5 5 1 3 17 a 是 4 垃圾焚烧 废气排放 大气污染 现 在 正 常 1 1 1 1 1 5 / 否 5 现 场 办 公 办 公 垃 圾 产 生 废 弃 物 现 在 正 常 3 3 3 3 3 15 / 否 标识号:GM—B—03—JL01—2010∕0 环境因素辨识及评价表 部门名称:电网部 (■ 我方 □承包方 □访客) 第 2 页共 8 页 序 号 场所/活动/过程 环境 因素 环境 影响 时态 状态 打分法 是非判断方法 是否重大环境因素 法规符合性 发生 频率 影响范围 影响程度 社会关注程度 综 合 分 6 日 常 生 活 生 活 垃 圾 产 生 影 响 环 境 和人 体 健 康 现 在 正 常 3 3 3 5 5 19 a 是 7 办 公 区 内 电 池 更 换 废 电 池 丢弃 固废 污染 现 在 正 常 3 5 3 5 5 21 b 是 8 监理现 场 资料打印 废 纸丢弃 固废 污染环 境 现 在 正 常 1 3 1 1 1 7 / 否 9 监 理 现 场 资 料 打 印 纸 张 消 耗 资 源 浪 费 现 在 正 常 1 3 1 1 1 7 / 否 10 监 理 现 场 塑 料 制 品 使用 塑 料 制 品 丢 弃 土 地 污 染 现 在 正 常 1 1 1 1 1 5 / 否 标识号:GM—B—03—JL01—2010∕0 环境因素辨识及评价表 部门名称:电网部 (■ 我方 □承包方 □访客) 第 3 页共 8 页 序 号 场所/活动/过程 环境 因素 环境 影响 时态 状态 打分法 是非判断方法 是否重大环境因素 法规符合性 发生 频率 影响范围 影响程度 社会关注程度 综 合 分 11 办 公 区 内 复 印 机 、激光打 印 机 使 用 排放粉尘、臭氧...

1、当您付费下载文档后,您只拥有了使用权限,并不意味着购买了版权,文档只能用于自身使用,不得用于其他商业用途(如 [转卖]进行直接盈利或[编辑后售卖]进行间接盈利)。
2、本站所有内容均由合作方或网友上传,本站不对文档的完整性、权威性及其观点立场正确性做任何保证或承诺!文档内容仅供研究参考,付费前请自行鉴别。
3、如文档内容存在违规,或者侵犯商业秘密、侵犯著作权等,请点击“违规举报”。

碎片内容

环境因素辨识及评价表、重大环境因素清单

您可能关注的文档

小辰2+ 关注
实名认证
内容提供者

出售各种资料和文档

确认删除?
VIP
微信客服
  • 扫码咨询
会员Q群
  • 会员专属群点击这里加入QQ群
客服邮箱
回到顶部